Yamaha Fz8 Wiring Diagram

Yamaha Fz8 Wiring Diagram

  • Category : Wiring Diagram
  • Post Date : January 27, 2026
Yamaha Fz8 Wiring Diagram 9 out of 10 based on 10 ratings. 90 user reviews.

Yamaha Fz8 Wiring Diagram

Yamaha Fz8-n 2012 Electrical 2

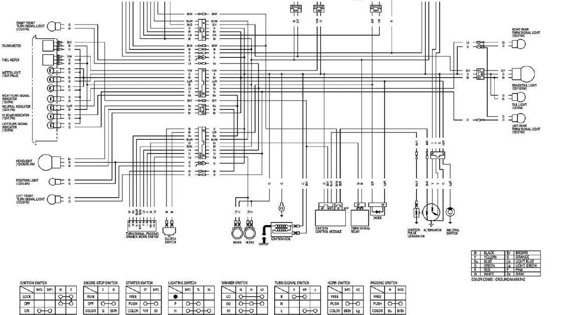
Yamaha Motorcycle 2011 Oem Parts Diagram For Electrical

Yamaha Fz8-n 2012 Headlight

Yamaha Motorcycle 2012 Oem Parts Diagram For Headlight

Clutch For 2012 59p2

Digital Camera Diagram Diagram

Yamaha - Fz8-n 800 - 2013 - Battery

Radiator U0026 Hose For 2013 Yamaha Fz8

Yamaha Fz8-sa Fazer 2011 Rear Brake Caliper

2012 Yamaha R6 Wiring Diagram

2012 Yamaha R6 Wiring Diagram

2012 Yamaha R6 Wiring Diagram

Wiring Diagram 2007 Yamaha Tw200

Wiring Diagram 2007 Yamaha Tw200

Yamaha Fz8 Fazer8 Fazer 800 Non Abs Shop Manual 2011

Panasonic Lumix Dmc

Yamaha Fz8 Fazer8 2013 Workshop Repair Service Manual

2012 Yamaha R6 Wiring Diagram

Wiring Diagram 2007 Yamaha Tw200

Yamahagenuineparts Com Yamaha Mz300 Mz360 Pull Starter

What Is Your Car And Motorcycle Structural Diagram

2012 Yamaha R6 Wiring Diagram

Wiring Diagram 2007 Yamaha Tw200

2000 Toyota Pickup Fuel Pump Relay Location

Yamaha Motorrad Schaltpl U00e4ne U2013 Motorrad Bild Idee

Graves Oval Exhaust System Yamaha Fz8 2011

Yamaha Turn Signal Connector Harness R1 R6 Fz6 Fz6r Fz1

Installing A Power Commander V On A Yamaha Fz8

Yamaha Fz8 Fazer8 Fz8n Fz8s 2010

Yamaha Fz8 Gear Indicator In Action

Yamaha Fz8 Fz8na Fazer Workshop Service U0026 Repair Manual

2007 Focus Relay Location

Tutorial Monta U017c Koso Rx2 W Fz6

Racing Caf U00e8 Yamaha Fz8 Hypermodified By Lazareth

Graves Oval Exhaust System Yamaha Fz8 2011-2012

2010 Yamaha Waverunner Fzs Fzr Service Manual Wave

2012 Yamaha R6 Wiring Diagram

Wiring Diagram 2007 Yamaha Tw200

2012 Yamaha R6 Wiring Diagram

What Is Your Car And Motorcycle Structural Diagram

Wiring Diagram 2007 Yamaha Tw200

Yamaha Fz8 Streetfighter Dubai Uae

Wiring Diagram 2007 Yamaha Tw200

Racing Caf U00e8 Yamaha Fz8 Hypermodified By Lazareth

Rexhall Slide Pump Wiring Diagram Wiring Diagram

Diagram Yamaha Fz8 Wiring Diagram

  • Download Yamaha Fz8 Wiring Diagram

    draw.io is free online diagram software for making flowcharts, process diagrams, org charts, UML, ER and network diagrams

    Open and edit diagrams online with Draw.io, a free diagram software supporting various formats and diagram types.

    Create a new diagram, or open an existing diagram in your new tab. To create a new diagram, enter a Diagram Name and click the location where you want to save the file.

    Create flowcharts and diagrams online with this easy to use software.

    Create and edit diagrams with draw.io, a free diagramming tool that integrates seamlessly with Office 365.

    app.diagrams.net

    Easily import diagrams from Lucidchart to diagrams.net or draw.io with this simple tool.

    Access and integrate Google Drive files with Draw.io using the Google Picker tool for seamless diagram creation.

    Clearing Cached version 29.3.4... OK Update Start App

    confEmbedUpload=For a better editing experience, please use the regular draw.io macro to insert a blank diagram, then from (File menu → Import From → Device...) select the file you want to upload and embed.

    3 way switch,3 way switch wiring,3 way switch wiring diagram pdf,3 way wiring diagram,3way switch wiring diagram,4 prong dryer outlet wiring diagram,4 prong trailer wiring diagram,6 way trailer wiring diagram,7 pin trailer wiring diagram with brakes,7 pin wiring diagram,alternator wiring diagram,amp wiring diagram,automotive lighting,cable harness,chevrolet,diagram,dodge,doorbell wiring diagram,ecobee wiring diagram,electric motor,electrical connector,electrical wiring,electrical wiring diagram,ford,fuse,honeywell thermostat wiring diagram,ignition system,kenwood car stereo wiring diagram,light switch wiring diagram,lighting,motor wiring diagram,nest doorbell wiring diagram,nest hello wiring diagram,nest labs,nest thermostat,nest thermostat wiring diagram,phone connector,pin,pioneer wiring diagram,plug wiring diagram,pump,radio,radio wiring diagram,relay,relay wiring diagram,resistor,rj45 wiring diagram,schematic,semi-trailer truck,sensor,seven pin trailer wiring diagram,speaker wiring diagram,starter wiring diagram,stereo wiring diagram,stereophonic sound,strat wiring diagram,switch,switch wiring diagram,telecaster wiring diagram,thermostat wiring,thermostat wiring diagram,trailer brake controller,trailer plug wiring diagram,trailer wiring diagram,user guide,wire,wire diagram,wiring diagram,wiring diagram 3 way switch,wiring harness

    close