Wiring Diagrams Peugeot

Wiring Diagrams Peugeot

  • Category : Diagrams Peugeot
  • Post Date : January 26, 2026
Wiring Diagrams Peugeot 9 out of 10 based on 70 ratings. 20 user reviews.

Wiring Diagrams Peugeot

Peugeot 307 Wiring Diagram

Peugeot 206 Hdi Diesel Engine Management System Part 2

Peugeot 206 Hdi Diesel Engine Management System Wiring

Your Wiring Diagrams Source Peugeot 206 Pre Post Heating

Peugeot 206 Schematic Wiring Diagrams Audio System

Peugeot Wiring Diagram 206 Wiring Library

Peugeot 206 Wiring Diagrams Wash Wipe System Abs

Peugeot 206 Wiring Schematic Interior Lighting Continued

Your Wiring Diagrams Source Peugeot 206 Pre Post Heating

Peugeot 206 System Wiring Diagrams Clock Cigar Lighter

Peugeot 206 Wiring Diagrams Wash Wipe System Abs

Your Wiring Diagrams Source Peugeot 206 Starting

Peugeot Wiring Diagram 206 Wiring Library

Peugeot 407 Wiring Diagram Full For Android

Peugeot 206 Wiring Diagrams Engine Cooling Fan Temp

Peugeot 206 System Wiring Diagrams Clock Cigar Lighter

Peugeot 206 Exterior Lighting Wiring Diagrams

206 Peugeot Wiring Diagrams Starting Charging Horn Pre

Peugeot 206 Cc Radio Wiring Diagram

Peugeot 206 Wiring Diagram

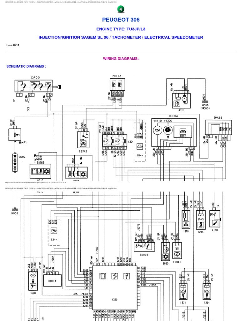
Peugeot 306 Wiring Diagrams

V Manual October 2012

Peugeot 407 Wiring Diagram Full For Android

Peugeot Wiring Diagrams

Audi Wiring Diagram

Read Peugeot Wiring Diagrams With Peugeot Service Box

Peugeot Wiring Diagrams

Peugeot Wiring Diagrams

I Have A Peugeot 206 Cc On The Dashboard There Is A

Peugeot Boxer Van 2007

Peugeot 407 Wiring Diagram Full For Android

Peugeot 308 2 0hdi Wiring Diagram 308a Jpg Image

Peugeot 307 Hdi Engine Diagram

Peugeot 307 Hdi Engine Diagram

Fuse Box Location And Diagrams Peugeot 307 2002

Fuse Box Location And Diagrams Peugeot 5008 2009

2001-2003 Peugeot 307 Wiring Diagram

Fuse Box Location And Diagrams Peugeot 308 T9 2014

Peugeot Wiring Diagram 206 Wiring Library

Peugeot Partner Tepee Misc Documents Wiring Diagrams Pdf

Alibaba Peugeot Blower Wire Harness Peugeot U2022 Home

V Manual Peugeot 206 Fuel Injection System Wiring Diagrams

Diagram Wiring Diagrams Peugeot

  • Download Wiring Diagrams Peugeot

    draw.io is free online diagram software for making flowcharts, process diagrams, org charts, UML, ER and network diagrams

    Open and edit diagrams online with Draw.io, a free diagram software supporting various formats and diagram types.

    Create a new diagram, or open an existing diagram in your new tab. To create a new diagram, enter a Diagram Name and click the location where you want to save the file.

    Create flowcharts and diagrams online with this easy to use software.

    Create and edit diagrams with draw.io, a free diagramming tool that integrates seamlessly with Office 365.

    app.diagrams.net

    Easily import diagrams from Lucidchart to diagrams.net or draw.io with this simple tool.

    Access and integrate Google Drive files with Draw.io using the Google Picker tool for seamless diagram creation.

    Clearing Cached version 29.3.4... OK Update Start App

    confEmbedUpload=For a better editing experience, please use the regular draw.io macro to insert a blank diagram, then from (File menu → Import From → Device...) select the file you want to upload and embed.

    3 way switch,3 way switch wiring,3 way switch wiring diagram pdf,3 way wiring diagram,3way switch wiring diagram,4 prong dryer outlet wiring diagram,4 prong trailer wiring diagram,6 way trailer wiring diagram,7 pin trailer wiring diagram with brakes,7 pin wiring diagram,alternator wiring diagram,amp wiring diagram,automotive lighting,cable harness,chevrolet,diagram,dodge,doorbell wiring diagram,ecobee wiring diagram,electric motor,electrical connector,electrical wiring,electrical wiring diagram,ford,fuse,honeywell thermostat wiring diagram,ignition system,kenwood car stereo wiring diagram,light switch wiring diagram,lighting,motor wiring diagram,nest doorbell wiring diagram,nest hello wiring diagram,nest labs,nest thermostat,nest thermostat wiring diagram,phone connector,pin,pioneer wiring diagram,plug wiring diagram,pump,radio,radio wiring diagram,relay,relay wiring diagram,resistor,rj45 wiring diagram,schematic,semi-trailer truck,sensor,seven pin trailer wiring diagram,speaker wiring diagram,starter wiring diagram,stereo wiring diagram,stereophonic sound,strat wiring diagram,switch,switch wiring diagram,telecaster wiring diagram,thermostat wiring,thermostat wiring diagram,trailer brake controller,trailer plug wiring diagram,trailer wiring diagram,user guide,wire,wire diagram,wiring diagram,wiring diagram 3 way switch,wiring harness

    close