Wiring Diagram Toyota Hilux Tiger

Wiring Diagram Toyota Hilux Tiger

  • Category : Hilux Tiger
  • Post Date : January 27, 2026
Wiring Diagram Toyota Hilux Tiger 9 out of 10 based on 70 ratings. 40 user reviews.

Wiring Diagram Toyota Hilux Tiger

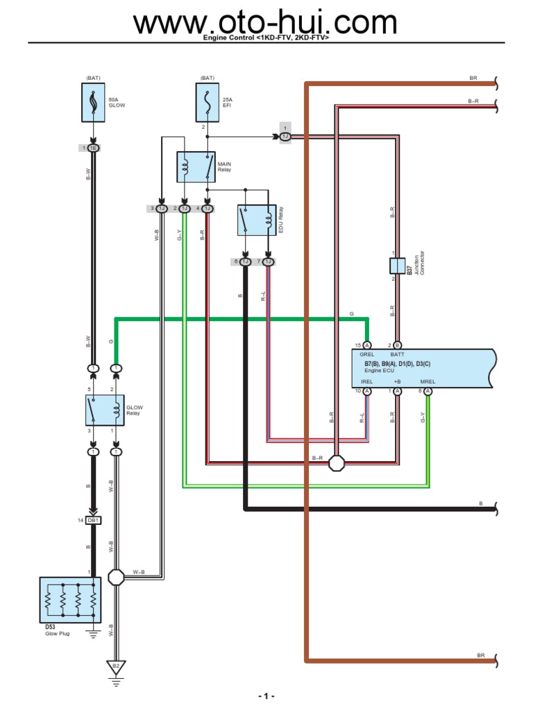
Wiring Diagram Ecu 2kd

1kz Te Ecu Pinout Diagram

Tacoma Manual Trans Swap Wiring Help

Repair Manual Pajero Sport

Hilux Pickup Truck Stickers Pull Flower Color Of The

U0e02 U0e49 U0e2d U0e21 U0e39 U0e25 U0e0b U0e48 U0e2d U0e21 U0e23 U0e16 U0e22 U0e19 U0e15 U0e4c Wiring Diagram 2015

U0e02 U0e49 U0e2d U0e21 U0e39 U0e25 U0e0b U0e48 U0e2d U0e21 U0e23 U0e16 U0e22 U0e19 U0e15 U0e4c Wiring Diagram

911 Porsche Mahindra Jeep E36 Style 5 Vr6 Golf 1950 Ford

Diagram Wiring Diagram Toyota Hilux Tiger

  • Download Wiring Diagram Toyota Hilux Tiger

    draw.io is free online diagram software for making flowcharts, process diagrams, org charts, UML, ER and network diagrams

    Open and edit diagrams online with Draw.io, a free diagram software supporting various formats and diagram types.

    Create a new diagram, or open an existing diagram in your new tab. To create a new diagram, enter a Diagram Name and click the location where you want to save the file.

    Create flowcharts and diagrams online with this easy to use software.

    Create and edit diagrams with draw.io, a free diagramming tool that integrates seamlessly with Office 365.

    Easily import diagrams from Lucidchart to diagrams.net or draw.io with this simple tool.

    Access and integrate Google Drive files with Draw.io using the Google Picker tool for seamless diagram creation.

    Clearing Cached version 29.3.4... OK Update Start App

    confEmbedUpload=For a better editing experience, please use the regular draw.io macro to insert a blank diagram, then from (File menu → Import From → Device...) select the file you want to upload and embed.

    If you enter personal information into a diagram and perform an action that requires us to send that diagram to a server for processing, your personal data may be processed on that server, but never stored.

    3 way switch,3 way switch wiring,3 way switch wiring diagram pdf,3 way wiring diagram,3way switch wiring diagram,4 prong dryer outlet wiring diagram,4 prong trailer wiring diagram,6 way trailer wiring diagram,7 pin trailer wiring diagram with brakes,7 pin wiring diagram,alternator wiring diagram,amp wiring diagram,automotive lighting,cable harness,chevrolet,diagram,dodge,doorbell wiring diagram,ecobee wiring diagram,electric motor,electrical connector,electrical wiring,electrical wiring diagram,ford,fuse,honeywell thermostat wiring diagram,ignition system,kenwood car stereo wiring diagram,light switch wiring diagram,lighting,motor wiring diagram,nest doorbell wiring diagram,nest hello wiring diagram,nest labs,nest thermostat,nest thermostat wiring diagram,phone connector,pin,pioneer wiring diagram,plug wiring diagram,pump,radio,radio wiring diagram,relay,relay wiring diagram,resistor,rj45 wiring diagram,schematic,semi-trailer truck,sensor,seven pin trailer wiring diagram,speaker wiring diagram,starter wiring diagram,stereo wiring diagram,stereophonic sound,strat wiring diagram,switch,switch wiring diagram,telecaster wiring diagram,thermostat wiring,thermostat wiring diagram,trailer brake controller,trailer plug wiring diagram,trailer wiring diagram,user guide,wire,wire diagram,wiring diagram,wiring diagram 3 way switch,wiring harness

    close