Wiring Diagram Johnson 50 Hp Outboard

Wiring Diagram Johnson 50 Hp Outboard

  • Category : Hp Outboard
  • Post Date : January 26, 2026
Wiring Diagram Johnson 50 Hp Outboard 9 out of 10 based on 50 ratings. 100 user reviews.

Wiring Diagram Johnson 50 Hp Outboard

Evinrude Cooling Hoses Parts For 2008 50hp E50dslscs

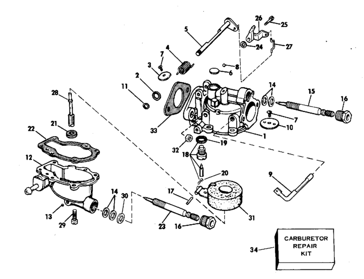
Evinrude Ignition System Parts For 1985 50hp E50belcob

Mastertech Marine

Download Boat Engine Repair Manuals Download Repair

Evinrude Johnson Outboard Wiring Diagrams

Carburetor Parts For 1977 4hp 4706b Outboard Motor

1981 Evinrude 115 Hp Recirculating Hose Diagram

Fuel Pump And Filter Parts For 1993 40hp J40eletb Outboard

Evinrude Johnson 2

Lightwin Stern Bracket Swivel Bracketsteering Handle Parts

Johnson Carburetor Group Parts For 1958 3hp Jw

Nissan 2003 Ns8b

Michael Heath-caldwell M Arch

Diagram Wiring Diagram Johnson 50 Hp Outboard

  • Download Wiring Diagram Johnson 50 Hp Outboard

    draw.io is free online diagram software for making flowcharts, process diagrams, org charts, UML, ER and network diagrams

    Open and edit diagrams online with Draw.io, a free diagram software supporting various formats and diagram types.

    Create a new diagram, or open an existing diagram in your new tab. To create a new diagram, enter a Diagram Name and click the location where you want to save the file.

    Create flowcharts and diagrams online with this easy to use software.

    Create and edit diagrams with draw.io, a free diagramming tool that integrates seamlessly with Office 365.

    app.diagrams.net

    Easily import diagrams from Lucidchart to diagrams.net or draw.io with this simple tool.

    Access and integrate Google Drive files with Draw.io using the Google Picker tool for seamless diagram creation.

    Clearing Cached version 29.3.4... OK Update Start App

    confEmbedUpload=For a better editing experience, please use the regular draw.io macro to insert a blank diagram, then from (File menu → Import From → Device...) select the file you want to upload and embed.

    3 way switch,3 way switch wiring,3 way switch wiring diagram pdf,3 way wiring diagram,3way switch wiring diagram,4 prong dryer outlet wiring diagram,4 prong trailer wiring diagram,6 way trailer wiring diagram,7 pin trailer wiring diagram with brakes,7 pin wiring diagram,alternator wiring diagram,amp wiring diagram,automotive lighting,cable harness,chevrolet,diagram,dodge,doorbell wiring diagram,ecobee wiring diagram,electric motor,electrical connector,electrical wiring,electrical wiring diagram,ford,fuse,honeywell thermostat wiring diagram,ignition system,kenwood car stereo wiring diagram,light switch wiring diagram,lighting,motor wiring diagram,nest doorbell wiring diagram,nest hello wiring diagram,nest labs,nest thermostat,nest thermostat wiring diagram,phone connector,pin,pioneer wiring diagram,plug wiring diagram,pump,radio,radio wiring diagram,relay,relay wiring diagram,resistor,rj45 wiring diagram,schematic,semi-trailer truck,sensor,seven pin trailer wiring diagram,speaker wiring diagram,starter wiring diagram,stereo wiring diagram,stereophonic sound,strat wiring diagram,switch,switch wiring diagram,telecaster wiring diagram,thermostat wiring,thermostat wiring diagram,trailer brake controller,trailer plug wiring diagram,trailer wiring diagram,user guide,wire,wire diagram,wiring diagram,wiring diagram 3 way switch,wiring harness

    close