Wiring Diagram Inverter Toshiba

Wiring Diagram Inverter Toshiba

  • Category : Inverter Toshiba
  • Post Date : January 27, 2026
Wiring Diagram Inverter Toshiba 9 out of 10 based on 100 ratings. 100 user reviews.

Wiring Diagram Inverter Toshiba

Toshiba Airconditioners Split Type Wiring Diagram Digital

Toshiba Airconditioners Split Type Wiring Diagram Digital

Application

Toshiba Airconditioners Split Type Wiring Diagram Digital

Laptop Inverter Schematic

Toshiba Airconditioners Split Type Wiring Diagram Digital

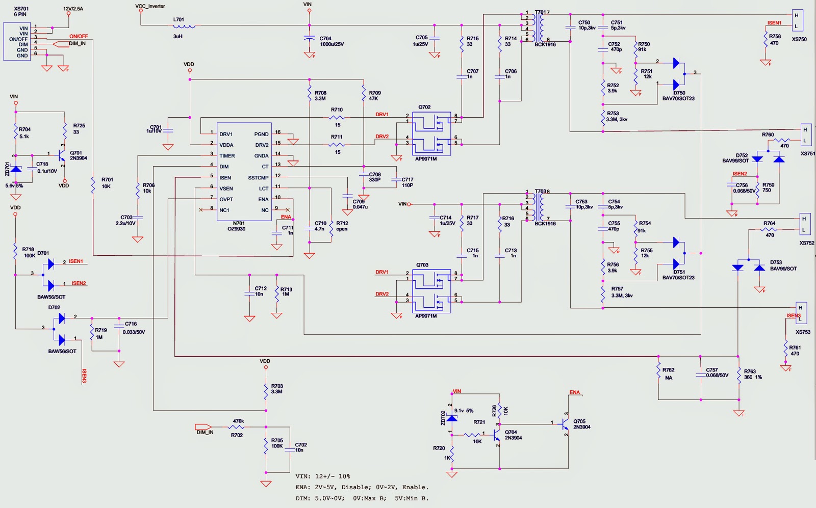
Toshiba Led 32l2400 48l2400 And Dl4845 Service Mode

Toshiba Led 32l2400 48l2400 And Dl4845 Service Mode

Toshiba 32l2300 - Toshiba 39l2300 - Led Lcd Tv

Toshiba Lcd Tv Circuit Diagram

Toshiba Led 32l2400 48l2400 And Dl4845 Service Mode

Toshiba Laptop Power Supply Circuit Diagram

Electro Help Toshiba 19av605pr

Toshiba Lcd Tv Circuit Diagram

Toshiba Vf

Toshiba Lc-1945w U2013 Lc-2245w - Lc 4245

Electro Help Toshiba 19av605pr

Electro Help Toshiba 32hl95 - Lcd Tv

Toshiba Laptop Power Supply Circuit Diagram

Smart Gate Driver Coupler Tlp5214a Inverter Application

Toshiba Le3273 U2013 Toshiba Le3973 U2013 Led Lcd Tv Smps Circuit

Emax Plcd0318604h Inverter Toshiba

U53d8 U9891 U5668 U7535 U52a8 U53d1 U7535 U673a U4e09 U76f8 U9006 U53d8 U5668

Inverter Toshiba Per Motore Vfnc3 230v Hp 3

Tohatsu Outboard Motor Wiring Diagram

Automation Blog Toshiba

Alllight U2606 With Stable Fhf32 For Inverter Toshiba

Hev Ev System

Toshiba Lcd Tv Circuit Diagram

Toshiba Lcd Tv Circuit Diagram

Inverter Hi-wall Split System 8kw-10kw

Inverter Hi-wall Split System 8kw-10kw

Homemade Inverter

Inverter Hi-wall Split System 8kw-10kw

Inverter Range 2kw-7kw

Toshiba Vfs11 User Manual

Toshiba Lcd Tv Circuit Diagram

Sony Klv23hr2 Lcd Colour Tv

Hev Ev System

Toshiba Lc-1945w U2013 Lc-2245w - Lc 4245

Dc

Toshiba Inverter Vf

Inverter Hi-wall Split System 8kw-10kw

Toshiba Tv 2539db 2939db 3339db Service Manual U2013 Schematic

Toshiba Vfs11 User Manual

Toshiba Lcd Tv Circuit Diagram

Harmonics Suppression Converter

Inverter Range 2kw-7kw

Toshiba Lc3245 U2013 Toshiba Lc1945 U2013 Power Supply And Back

Panasonic Microwave Oven Inverter Hv Power Supply

Aoc 715l Xx Lcd Inverter Service Manual Download

Toshiba Lcd Tv Circuit Diagram

Toshiba L200 Inventec Schematic Diagram

Toshiba Le3273 U2013 Toshiba Le3973 U2013 Led Lcd Tv Smps Circuit

Diagram Wiring Diagram Inverter Toshiba

  • Download Wiring Diagram Inverter Toshiba

    draw.io is free online diagram software for making flowcharts, process diagrams, org charts, UML, ER and network diagrams

    Open and edit diagrams online with Draw.io, a free diagram software supporting various formats and diagram types.

    Create a new diagram, or open an existing diagram in your new tab. To create a new diagram, enter a Diagram Name and click the location where you want to save the file.

    Create flowcharts and diagrams online with this easy to use software.

    Create and edit diagrams with draw.io, a free diagramming tool that integrates seamlessly with Office 365.

    Easily import diagrams from Lucidchart to diagrams.net or draw.io with this simple tool.

    Access and integrate Google Drive files with Draw.io using the Google Picker tool for seamless diagram creation.

    Clearing Cached version 29.3.4... OK Update Start App

    confEmbedUpload=For a better editing experience, please use the regular draw.io macro to insert a blank diagram, then from (File menu → Import From → Device...) select the file you want to upload and embed.

    If you enter personal information into a diagram and perform an action that requires us to send that diagram to a server for processing, your personal data may be processed on that server, but never stored.

    3 way switch,3 way switch wiring,3 way switch wiring diagram pdf,3 way wiring diagram,3way switch wiring diagram,4 prong dryer outlet wiring diagram,4 prong trailer wiring diagram,6 way trailer wiring diagram,7 pin trailer wiring diagram with brakes,7 pin wiring diagram,alternator wiring diagram,amp wiring diagram,automotive lighting,cable harness,chevrolet,diagram,dodge,doorbell wiring diagram,ecobee wiring diagram,electric motor,electrical connector,electrical wiring,electrical wiring diagram,ford,fuse,honeywell thermostat wiring diagram,ignition system,kenwood car stereo wiring diagram,light switch wiring diagram,lighting,motor wiring diagram,nest doorbell wiring diagram,nest hello wiring diagram,nest labs,nest thermostat,nest thermostat wiring diagram,phone connector,pin,pioneer wiring diagram,plug wiring diagram,pump,radio,radio wiring diagram,relay,relay wiring diagram,resistor,rj45 wiring diagram,schematic,semi-trailer truck,sensor,seven pin trailer wiring diagram,speaker wiring diagram,starter wiring diagram,stereo wiring diagram,stereophonic sound,strat wiring diagram,switch,switch wiring diagram,telecaster wiring diagram,thermostat wiring,thermostat wiring diagram,trailer brake controller,trailer plug wiring diagram,trailer wiring diagram,user guide,wire,wire diagram,wiring diagram,wiring diagram 3 way switch,wiring harness

    close