Wiring Diagram Honda Fit 2005 Espa Ol

Wiring Diagram Honda Fit 2005 Espa Ol

  • Category : Espa Ol
  • Post Date : January 27, 2026
Wiring Diagram Honda Fit 2005 Espa Ol 9 out of 10 based on 100 ratings. 20 user reviews.

Wiring Diagram Honda Fit 2005 Espa Ol

Manual De Taller Honda Fit

2002 2005 Honda Jazz Fit Workshop Service Manual By Dniel

Honda Fit Jazz Service Repair Manual 2002 2003 2004 2005

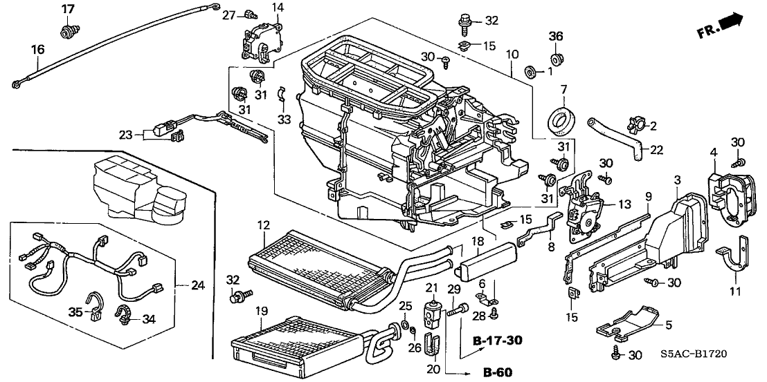
50805-s7c-013

2004 Honda Fit Jazz Service Repair Manual

28810-pcj-014

28220-plx-003

54040-sdc-a81

79106-s5d-a02

54217-sda-a81

71198-sda-a01

19010-raa-a71

71145-sda-a00

50810-shj-305

18160-plm-a00

17130-plm-a01

2004 Honda Fit Jazz Service Repair Manual

Calam U00e9o Fit Workshop Repair Service

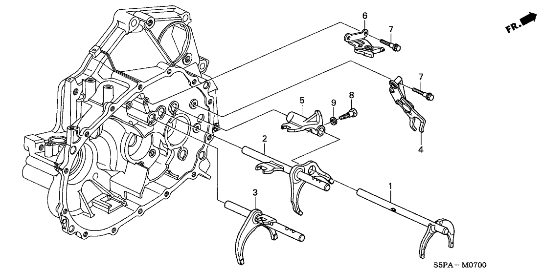
50810-s5a-992

74810-sfe-003

74120-scv-a01

50840-s7c-000

41100-plw-e00

2004 Honda Fit Jazz Service Repair Manual

2004 Honda Fit Jazz Service Repair Manual

Fuse Box Honda Jazz Fit

Honda Fit Jazz 2004 Service Manual

2005 Honda Accord Wiring Diagram

Fuse Box Honda Jazz Fit

Honda Fit Jazz Vector Drawing

2007

2005 Honda Odyssey Starter Wiring Diagram

Fuse Box Honda Jazz Fit

2005 Honda Cr V Fuse Box Diagram

Jdm 01

Diy Rostra Cruise Control With Oem Buttons On Base 2007 A

37830-pgk-a01

54310-s5a-033

68500-sda-a91zz

74222-tk6-a00

44600-s7a-000

17045-s5a-a31

Fuse Box Honda Jazz Fit

Ac Wiring Diagram - Honda-tech

2003

24201-plw-000

90312-plc-000

15825-p2m-005

96 Civic Eld U0026 O2 Codes - Honda-tech

38850

90005-rga-000

Mini Me Vacuum Hose Issues - Honda-tech

Jdm 01

46340-s5w-q20

91004-plw-b01

2005 Honda Pilot Thermostat Location

Door Parts Description U0026 U0026quot U0026quot Sc U0026quot 1 U0026quot St U0026quot U0026quot Jeep Forum

74171-s5a-000

50840-s5a-a81

Honda Car Ipod Iphone Aux For 2003

Diagram Wiring Diagram Honda Fit 2005 Espa Ol

  • Download Wiring Diagram Honda Fit 2005 Espa Ol

    draw.io is free online diagram software for making flowcharts, process diagrams, org charts, UML, ER and network diagrams

    Open and edit diagrams online with Draw.io, a free diagram software supporting various formats and diagram types.

    Create a new diagram, or open an existing diagram in your new tab. To create a new diagram, enter a Diagram Name and click the location where you want to save the file.

    Create flowcharts and diagrams online with this easy to use software.

    Create and edit diagrams with draw.io, a free diagramming tool that integrates seamlessly with Office 365.

    Easily import diagrams from Lucidchart to diagrams.net or draw.io with this simple tool.

    Access and integrate Google Drive files with Draw.io using the Google Picker tool for seamless diagram creation.

    Clearing Cached version 29.3.4... OK Update Start App

    confEmbedUpload=For a better editing experience, please use the regular draw.io macro to insert a blank diagram, then from (File menu → Import From → Device...) select the file you want to upload and embed.

    If you enter personal information into a diagram and perform an action that requires us to send that diagram to a server for processing, your personal data may be processed on that server, but never stored.

    3 way switch,3 way switch wiring,3 way switch wiring diagram pdf,3 way wiring diagram,3way switch wiring diagram,4 prong dryer outlet wiring diagram,4 prong trailer wiring diagram,6 way trailer wiring diagram,7 pin trailer wiring diagram with brakes,7 pin wiring diagram,alternator wiring diagram,amp wiring diagram,automotive lighting,cable harness,chevrolet,diagram,dodge,doorbell wiring diagram,ecobee wiring diagram,electric motor,electrical connector,electrical wiring,electrical wiring diagram,ford,fuse,honeywell thermostat wiring diagram,ignition system,kenwood car stereo wiring diagram,light switch wiring diagram,lighting,motor wiring diagram,nest doorbell wiring diagram,nest hello wiring diagram,nest labs,nest thermostat,nest thermostat wiring diagram,phone connector,pin,pioneer wiring diagram,plug wiring diagram,pump,radio,radio wiring diagram,relay,relay wiring diagram,resistor,rj45 wiring diagram,schematic,semi-trailer truck,sensor,seven pin trailer wiring diagram,speaker wiring diagram,starter wiring diagram,stereo wiring diagram,stereophonic sound,strat wiring diagram,switch,switch wiring diagram,telecaster wiring diagram,thermostat wiring,thermostat wiring diagram,trailer brake controller,trailer plug wiring diagram,trailer wiring diagram,user guide,wire,wire diagram,wiring diagram,wiring diagram 3 way switch,wiring harness

    close