Wiring Diagram Ford Galaxy 2000

Wiring Diagram Ford Galaxy 2000

  • Category : Galaxy 2000
  • Post Date : January 26, 2026
Wiring Diagram Ford Galaxy 2000 9 out of 10 based on 30 ratings. 50 user reviews.

Wiring Diagram Ford Galaxy 2000

Astec Wiring Diagram

Where Is Fuse 63 Located In The 2000 Ford Focus Se Vehicle

2000 Acura Tl Sunroof Drain Diagram Acura Auto Parts

Witter F131aqf

1965 Headlight Switch Wiring

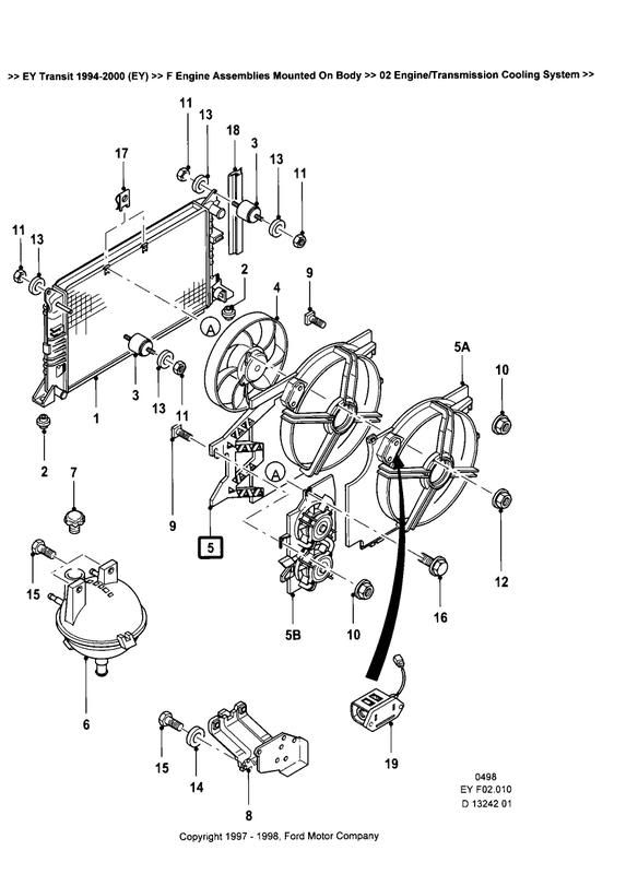
Ford Transit Forum U2022 View Topic

Ford Obd

Dl Auto U00ae Ford Expedition 2000

Ford Aerostar 3 0 1997

Diagram 2 Exterior Lighting Sidelamps Models From

Need Rear Lights Wiring Diagram Mk2

Ford Car Radio Stereo Audio Wiring Diagram Autoradio

U041a U0443 U043f U0438 U0442 U044c U0433 U043b U0443 U0448 U0438 U0442 U0435 U043b U044c Ford Ka U0432 U044b U0445 U043b U043e U043f U043d U0430 U044f U0441 U0438 U0441 U0442 U0435 U043c U0430 U0440 U0435 U0437 U043e U043d U0430 U0442 U043e U0440

Diagram Wiring Diagram Ford Galaxy 2000

  • Download Wiring Diagram Ford Galaxy 2000

    draw.io is free online diagram software for making flowcharts, process diagrams, org charts, UML, ER and network diagrams

    Open and edit diagrams online with Draw.io, a free diagram software supporting various formats and diagram types.

    Create a new diagram, or open an existing diagram in your new tab. To create a new diagram, enter a Diagram Name and click the location where you want to save the file.

    Easily import diagrams from Lucidchart to diagrams.net or draw.io with this simple tool.

    Create and edit diagrams with draw.io, a free diagramming tool that integrates seamlessly with Office 365.

    Create flowcharts and diagrams online with this easy to use software.

    app.diagrams.net

    Access and integrate Google Drive files with Draw.io using the Google Picker tool for seamless diagram creation.

    Clearing Cached version 29.3.4... OK Update Start App

    7.2 The Software will initiate transfers of data forming part of the Diagrams (“Diagram Data”) to services supplied by third parties when you expressly request conversion of Diagrams: a. to another supported file format; and b. to PDF format.

    3 way switch,3 way switch wiring,3 way switch wiring diagram pdf,3 way wiring diagram,3way switch wiring diagram,4 prong dryer outlet wiring diagram,4 prong trailer wiring diagram,6 way trailer wiring diagram,7 pin trailer wiring diagram with brakes,7 pin wiring diagram,alternator wiring diagram,amp wiring diagram,automotive lighting,cable harness,chevrolet,diagram,dodge,doorbell wiring diagram,ecobee wiring diagram,electric motor,electrical connector,electrical wiring,electrical wiring diagram,ford,fuse,honeywell thermostat wiring diagram,ignition system,kenwood car stereo wiring diagram,light switch wiring diagram,lighting,motor wiring diagram,nest doorbell wiring diagram,nest hello wiring diagram,nest labs,nest thermostat,nest thermostat wiring diagram,phone connector,pin,pioneer wiring diagram,plug wiring diagram,pump,radio,radio wiring diagram,relay,relay wiring diagram,resistor,rj45 wiring diagram,schematic,semi-trailer truck,sensor,seven pin trailer wiring diagram,speaker wiring diagram,starter wiring diagram,stereo wiring diagram,stereophonic sound,strat wiring diagram,switch,switch wiring diagram,telecaster wiring diagram,thermostat wiring,thermostat wiring diagram,trailer brake controller,trailer plug wiring diagram,trailer wiring diagram,user guide,wire,wire diagram,wiring diagram,wiring diagram 3 way switch,wiring harness

    close