Wiring Diagram For 1991 Evinrude 150

Wiring Diagram For 1991 Evinrude 150

  • Category : Evinrude 150
  • Post Date : January 26, 2026
Wiring Diagram For 1991 Evinrude 150 9 out of 10 based on 80 ratings. 60 user reviews.

Wiring Diagram For 1991 Evinrude 150

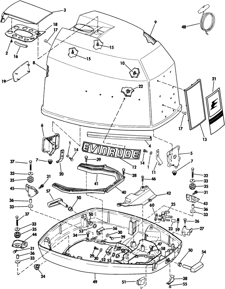
Evinrude 1991 150

Evinrude 1991 150

Evinrude 1991 150 - E150tleie Midsection

Evinrude 1991 150 - E150eleis Midsection

Evinrude Ignition System Parts For 1991 150hp E150nxeis

Johnson 1991 150

Evinrude 1991 150

Evinrude 1991 150

Johnson 1991 150

Johnson 1991 150

Evinrude Outboard Parts By Year 1991 Oem Parts Diagram For

I Have A 1990 150hp Evinrude Out

Evinrude 1991 175

Evinrude 1991 150 - E150exeis Exhaust Housing

Evinrude Remote Control Parts For 1995 150hp E150wtleor

Johnson Ignition System Parts For 1995 150hp J150gleom

Johnson 1991 150

Johnson Vro2 Pump Parts For 1990 150hp Tj150slesb Outboard

Evinrude 1991 150 - Ve150eleis Lower Engine Cover

Evinrude Outboard Parts By Year 1991 Oem Parts Diagram For

Johnson 1991 150

Evinrude 1991 150

Johnson 1991 200

Johnson Cylinder U0026 Crankcase Parts For 1998 150hp

Evinrude Exhaust Housing Parts For 2000 150hp E150wplssc

1991 Force 150 No Spark Page 1

Evinrude 1991 150

Johnson Carburetor U0026 Intake Manifold Parts For 1997 150hp

1991 Evinrude 155 Diagrams

Johnson Fuel Pump Parts For 1982 150hp J150tlcnm Outboard

Diagrama Evinrude Johnson 1986 150 175

Mastertech Marine

35 Hp Johnson Manual Free Programs Utilities And Apps

1990 Evinrude 150hp V6 With Vro Page 1

Starter Johnson 150 150hp 150tl 150tx 150cx 1979

Evinrude 1991 150

Evinrude 1991 150 - E150tleie Crankshaft U0026 Piston

The Closest Schematic I Could Find The Ignition Is

Evinrude 1991 20 - E20eeie Gearcase

Johnson Engine Cover

Evinrude Johnson Outboard Wiring Diagrams

Evinrude 1991 25 - E25rweim Midsection

Johnson 1990 150 - J150tlasb Midsection

What Causes Overheating Alarm On An Evinrude 150xp

Evinrude 1991 150

Johnson Vro Pump Parts For 1991 60hp J60ttleib Outboard Motor

Johnson 1991 50

1991 Johnson 150

Diagram Wiring Diagram For 1991 Evinrude 150

  • Download Wiring Diagram For 1991 Evinrude 150

    draw.io is free online diagram software for making flowcharts, process diagrams, org charts, UML, ER and network diagrams

    Open and edit diagrams online with Draw.io, a free diagram software supporting various formats and diagram types.

    Create a new diagram, or open an existing diagram in your new tab. To create a new diagram, enter a Diagram Name and click the location where you want to save the file.

    Create flowcharts and diagrams online with this easy to use software.

    Create and edit diagrams with draw.io, a free diagramming tool that integrates seamlessly with Office 365.

    app.diagrams.net

    Easily import diagrams from Lucidchart to diagrams.net or draw.io with this simple tool.

    Access and integrate Google Drive files with Draw.io using the Google Picker tool for seamless diagram creation.

    Clearing Cached version 29.3.4... OK Update Start App

    confEmbedUpload=For a better editing experience, please use the regular draw.io macro to insert a blank diagram, then from (File menu → Import From → Device...) select the file you want to upload and embed.

    3 way switch,3 way switch wiring,3 way switch wiring diagram pdf,3 way wiring diagram,3way switch wiring diagram,4 prong dryer outlet wiring diagram,4 prong trailer wiring diagram,6 way trailer wiring diagram,7 pin trailer wiring diagram with brakes,7 pin wiring diagram,alternator wiring diagram,amp wiring diagram,automotive lighting,cable harness,chevrolet,diagram,dodge,doorbell wiring diagram,ecobee wiring diagram,electric motor,electrical connector,electrical wiring,electrical wiring diagram,ford,fuse,honeywell thermostat wiring diagram,ignition system,kenwood car stereo wiring diagram,light switch wiring diagram,lighting,motor wiring diagram,nest doorbell wiring diagram,nest hello wiring diagram,nest labs,nest thermostat,nest thermostat wiring diagram,phone connector,pin,pioneer wiring diagram,plug wiring diagram,pump,radio,radio wiring diagram,relay,relay wiring diagram,resistor,rj45 wiring diagram,schematic,semi-trailer truck,sensor,seven pin trailer wiring diagram,speaker wiring diagram,starter wiring diagram,stereo wiring diagram,stereophonic sound,strat wiring diagram,switch,switch wiring diagram,telecaster wiring diagram,thermostat wiring,thermostat wiring diagram,trailer brake controller,trailer plug wiring diagram,trailer wiring diagram,user guide,wire,wire diagram,wiring diagram,wiring diagram 3 way switch,wiring harness

    close