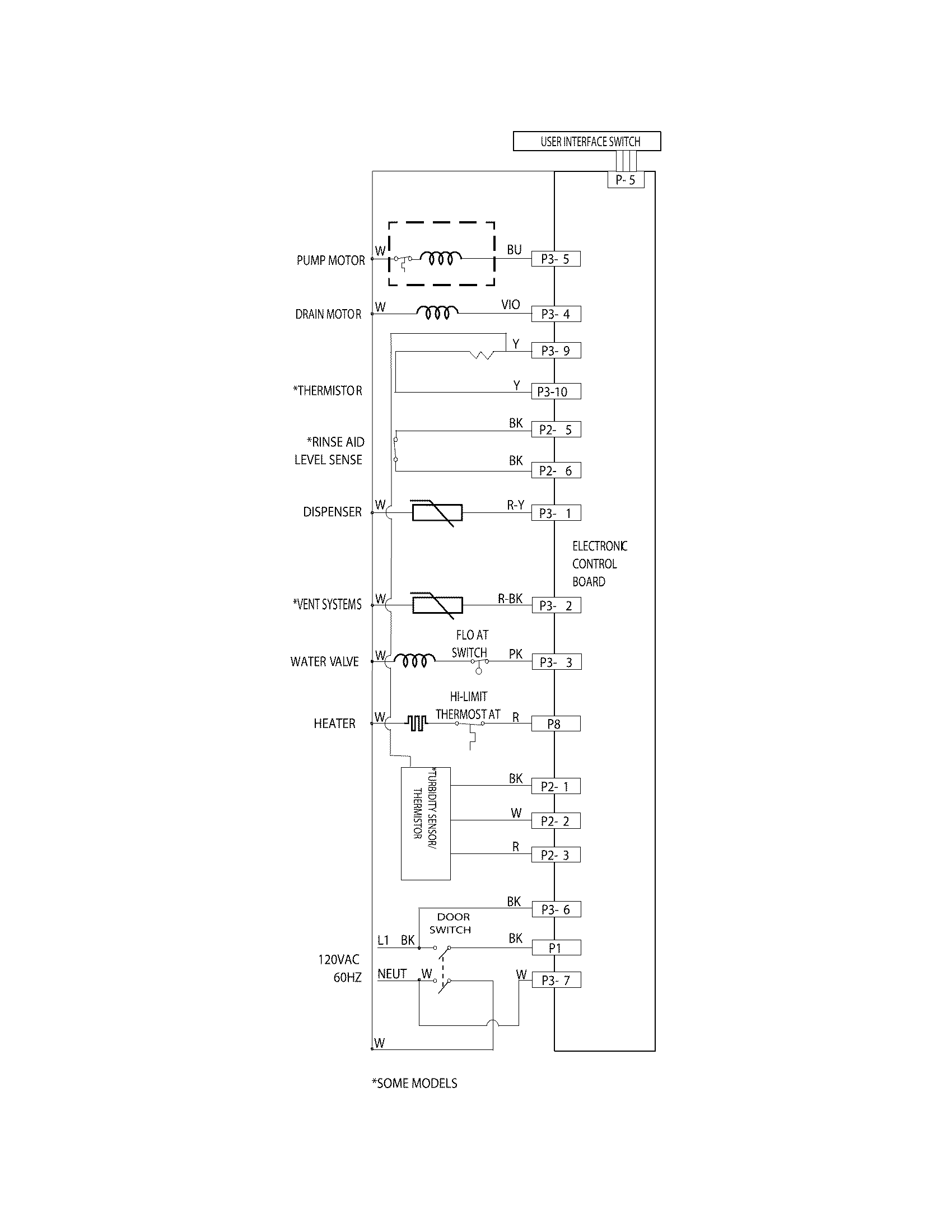
Whirlpool Dishwasher Motor Wiring Diagram

Whirlpool Dishwasher Motor Wiring Diagram

  • Category : Wiring Diagram
  • Post Date : January 26, 2026
Whirlpool Dishwasher Motor Wiring Diagram 9 out of 10 based on 100 ratings. 70 user reviews.

Whirlpool Dishwasher Motor Wiring Diagram

Dishwasher Motors - Looking For Wiring Diagram

Lg Dishwasher Error Code Le

Maytag Dishwasher Parts

301 Moved Permanently

Maytag Washer Wiring Diagram

Dishwasher Electrical Problems

Lg Lds4821 Dishwasher U2013 Wiring Diagram

Bosch Dishwasher Wiring Diagram

Ge Dishwasher Hose Diagram

I Have A Maytag Modle Mdbtt59aww That Will Not Run And Has Know Pannel Lights I Repalce The

Dishwasher Electrical Problems

Dishwasher Circuit Diagram

I Have A Kenmore Elite Ultra Wash Dishwasher Model No 665 13153k701 Manufactured By Whirlpool

May Washer Motor Wiring Diagram

Washer Machine Motor Wiring

Classic Vt Series Prong Wiring Peavey Forum I Have Found This Schematic However Cant Find Info

Whirlpool Du6000xr1 Timer

Kenmore Dishwasher Wiring Diagram

Hobart Dishwasher Wiring Diagram U2013 Diagram Database

Bosch Dishwasher Wiring Diagram

Dishwasher Motors - Looking For Wiring Diagram

Maytag Mdb6000awa Timer

Dishwasher Circuit Diagram

Lg Ldf6810 Ldf6920 Series Dishwasher Wiring Diagram - The Appliantology Gallery

Kenmore 66515982990 Timer

Dishwasher Not Swishing Circulation Pump Gets No Power

Hobart C44a Not Automatically Stopping

Kitchenaid Kudm220t0 Timer

Frigidaire Model Fghd2465nf0a Dishwasher Genuine Parts

Frigidaire Pldb998cco Timer

Maytag Dishwasher Parts

Dishwasher Pump U0026 Motor Problems - Chapter 5

Dishwasher Repair- Replacing The Motor And Pump Kit Ge Part Wd26x10013

Whirlpool Wpw10757217

Dishwasher Motors - Looking For Wiring Diagram

Ge Washer Motor Wiring Diagram

Washer Motor Wiring Diagram

Frigidaire Dishwasher Parts

Bosch Dishwasher Takes To To Go Through A Cycle I Have A Bosch Shy56a05uc 23 Dish Washer I

Frigidaire Dishwasher Parts

Maytag Mdb6000awa Timer

Washing Machine Motor Capacitor Wiring Diagram

Kenmore Dishwasher Error Fault Codes

301 Moved Permanently

Dishwasher Circuit Diagram

Dishwasher Circuit Diagram

Maytag Dishwasher Parts Diagram

July 2017

Maytag Wu1000 Timer

Ge Dryer Motor Wiring Diagram

Whirlpool Dishwasher Parts

Repair Manual Collection

Maytag Washer Wiring Diagram

Category Wiring Diagram U203a U203a Page 3

Diagram Whirlpool Dishwasher Motor Wiring Diagram

  • Download Whirlpool Dishwasher Motor Wiring Diagram

    draw.io is free online diagram software for making flowcharts, process diagrams, org charts, UML, ER and network diagrams

    Open and edit diagrams online with Draw.io, a free diagram software supporting various formats and diagram types.

    Create a new diagram, or open an existing diagram in your new tab. To create a new diagram, enter a Diagram Name and click the location where you want to save the file.

    Create flowcharts and diagrams online with this easy to use software.

    Create and edit diagrams with draw.io, a free diagramming tool that integrates seamlessly with Office 365.

    app.diagrams.net

    Easily import diagrams from Lucidchart to diagrams.net or draw.io with this simple tool.

    Access and integrate Google Drive files with Draw.io using the Google Picker tool for seamless diagram creation.

    Clearing Cached version 29.3.4... OK Update Start App

    confEmbedUpload=For a better editing experience, please use the regular draw.io macro to insert a blank diagram, then from (File menu → Import From → Device...) select the file you want to upload and embed.

    3 way switch,3 way switch wiring,3 way switch wiring diagram pdf,3 way wiring diagram,3way switch wiring diagram,4 prong dryer outlet wiring diagram,4 prong trailer wiring diagram,6 way trailer wiring diagram,7 pin trailer wiring diagram with brakes,7 pin wiring diagram,alternator wiring diagram,amp wiring diagram,automotive lighting,cable harness,chevrolet,diagram,dodge,doorbell wiring diagram,ecobee wiring diagram,electric motor,electrical connector,electrical wiring,electrical wiring diagram,ford,fuse,honeywell thermostat wiring diagram,ignition system,kenwood car stereo wiring diagram,light switch wiring diagram,lighting,motor wiring diagram,nest doorbell wiring diagram,nest hello wiring diagram,nest labs,nest thermostat,nest thermostat wiring diagram,phone connector,pin,pioneer wiring diagram,plug wiring diagram,pump,radio,radio wiring diagram,relay,relay wiring diagram,resistor,rj45 wiring diagram,schematic,semi-trailer truck,sensor,seven pin trailer wiring diagram,speaker wiring diagram,starter wiring diagram,stereo wiring diagram,stereophonic sound,strat wiring diagram,switch,switch wiring diagram,telecaster wiring diagram,thermostat wiring,thermostat wiring diagram,trailer brake controller,trailer plug wiring diagram,trailer wiring diagram,user guide,wire,wire diagram,wiring diagram,wiring diagram 3 way switch,wiring harness

    close