Vw Sharan Wiring Diagram Pdf

Vw Sharan Wiring Diagram Pdf

  • Category : Diagram Pdf
  • Post Date : January 26, 2026
Vw Sharan Wiring Diagram Pdf 9 out of 10 based on 90 ratings. 80 user reviews.

Vw Sharan Wiring Diagram Pdf

Volkswagen Sharan 2011-2016 - Service Manual

Wiring Diagram Vw Sharan

Schema Electrique Vw Sharan

Wiring Diagram Vw Sharan

Wiring Diagram Vw Sharan

Wiring Diagram Vw Sharan

U042d U043b U0435 U043a U0442 U0440 U043e U0441 U0445 U0435 U043c U044b U0430 U0432 U0442 U043e Ewd

Volkswagen Polo 2011

Wiring Diagram Vw Sharan

Vw

Ford Galaxy Wiring Diagram Pdf

Wiring Diagram Vw Sharan

Volkswagen Passat B3 - Service Manual - Reparaturanleitung

6b300 Harley Radio Wiring Diagram 2007

Oem Highline Rvc Rear View Camera Kit For Skoda Superb 3 - With Guide Lines For 225 00 U20ac

Manuale Fiat X1 9

Oem Audi Vw Skoda Seat Webasto Telestart T91 T100 Heater Remote Kit For 190 00 U20ac

Manuale Fiat X1 9

Manuale Fiat X1 9

Vw

Manuale Fiat X1 9

Webasto - Dogrzewacz Touran - 3

Golf 4

Nec Manual Data

Volkswagen Passat 2006

Manuale Fiat X1 9

U0420 U0435 U043c U043e U043d U0442 U0434 U0432 U0438 U0433 U0430 U0442 U0435 U043b U044f U043c U0430 U043d U0443 U0430 U043b U0441 U043a U0430 U0447 U0430 U0442 U044c U044d U043b U0435 U0442 U0440 U043e U0441 U0445 U0435 U043c U044b

Vw Golf Gl Gti 1990 Wiring Diagrams Service Manual Download Schematics Eeprom Repair Info For

Polo Wiring Diagram

Used Ecu Honda Fit La Gd Be Forward Auto Parts Gd1 Wiring Diagram Honda Auto Wiring Diagram

080 Alhambra 2001 Pdf

Eberspacher Hydronic D3wz Pdf

Disco 3 Wiring

Diy Write

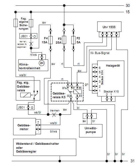
Vag Ssp 493 U2013 The Sharan 2011 Electrics Electronics

Craftsman User Manual For Air Compressor

Sost 2014 Volkswagen

1991 Honda Prelude Fuse Box Diagram

Bmw E60 Fuse Diagram 2006

Ford Galaxy Workshop Manuals Free Download

Volkswagen Sharan Offerte Giugno 2019

1971 Vw Transporter Wiring Diagram

Craftsman User Manual For Air Compressor

Porsche Wiring Diagram Free Download Schematic

Craftsman User Manual For Air Compressor

Craftsman User Manual For Air Compressor

Craftsman User Manual For Air Compressor

Craftsman User Manual For Air Compressor

Used Ecu Honda Fit La Gd Be Forward Auto Parts Gd1 Wiring Diagram Honda Auto Wiring Diagram

Craftsman User Manual For Air Compressor

Craftsman User Manual For Air Compressor

Porsche Wiring Diagram Free Download Schematic

Craftsman User Manual For Air Compressor

Volkswagen Tiguan Pdf Workshop And Repair Manuals

2008 Volkswagen Golf Headlight Wiring

Manual Transmission Brakes

Craftsman User Manual For Air Compressor

Craftsman User Manual For Air Compressor

Craftsman User Manual For Air Compressor

Craftsman User Manual For Air Compressor

Diagram Vw Sharan Wiring Diagram Pdf

  • Download Vw Sharan Wiring Diagram Pdf

    draw.io is free online diagram software for making flowcharts, process diagrams, org charts, UML, ER and network diagrams

    Open and edit diagrams online with Draw.io, a free diagram software supporting various formats and diagram types.

    Create a new diagram, or open an existing diagram in your new tab. To create a new diagram, enter a Diagram Name and click the location where you want to save the file.

    Create flowcharts and diagrams online with this easy to use software.

    Create and edit diagrams with draw.io, a free diagramming tool that integrates seamlessly with Office 365.

    app.diagrams.net

    Easily import diagrams from Lucidchart to diagrams.net or draw.io with this simple tool.

    Access and integrate Google Drive files with Draw.io using the Google Picker tool for seamless diagram creation.

    Clearing Cached version 29.3.4... OK Update Start App

    confEmbedUpload=For a better editing experience, please use the regular draw.io macro to insert a blank diagram, then from (File menu → Import From → Device...) select the file you want to upload and embed.

    3 way switch,3 way switch wiring,3 way switch wiring diagram pdf,3 way wiring diagram,3way switch wiring diagram,4 prong dryer outlet wiring diagram,4 prong trailer wiring diagram,6 way trailer wiring diagram,7 pin trailer wiring diagram with brakes,7 pin wiring diagram,alternator wiring diagram,amp wiring diagram,automotive lighting,cable harness,chevrolet,diagram,dodge,doorbell wiring diagram,ecobee wiring diagram,electric motor,electrical connector,electrical wiring,electrical wiring diagram,ford,fuse,honeywell thermostat wiring diagram,ignition system,kenwood car stereo wiring diagram,light switch wiring diagram,lighting,motor wiring diagram,nest doorbell wiring diagram,nest hello wiring diagram,nest labs,nest thermostat,nest thermostat wiring diagram,phone connector,pin,pioneer wiring diagram,plug wiring diagram,pump,radio,radio wiring diagram,relay,relay wiring diagram,resistor,rj45 wiring diagram,schematic,semi-trailer truck,sensor,seven pin trailer wiring diagram,speaker wiring diagram,starter wiring diagram,stereo wiring diagram,stereophonic sound,strat wiring diagram,switch,switch wiring diagram,telecaster wiring diagram,thermostat wiring,thermostat wiring diagram,trailer brake controller,trailer plug wiring diagram,trailer wiring diagram,user guide,wire,wire diagram,wiring diagram,wiring diagram 3 way switch,wiring harness

    close