Videocon Bazoomba Tv Circuit Diagram

Videocon Bazoomba Tv Circuit Diagram

  • Category : Circuit Diagram
  • Post Date : January 26, 2026
Videocon Bazoomba Tv Circuit Diagram 9 out of 10 based on 80 ratings. 100 user reviews.

Videocon Bazoomba Tv Circuit Diagram

Crt Tv Circuit Board Diagram

Gallery Of Samsung Tv Wiring Diagram Download

Aiwa Tv - A-219 - Schematic Diagram - Using Ics - Str-s6707

Telestar 2518 Ctv Circuit Diagram

Admiral - Telefunken - 21 Inch Tv - Circuit Diagram

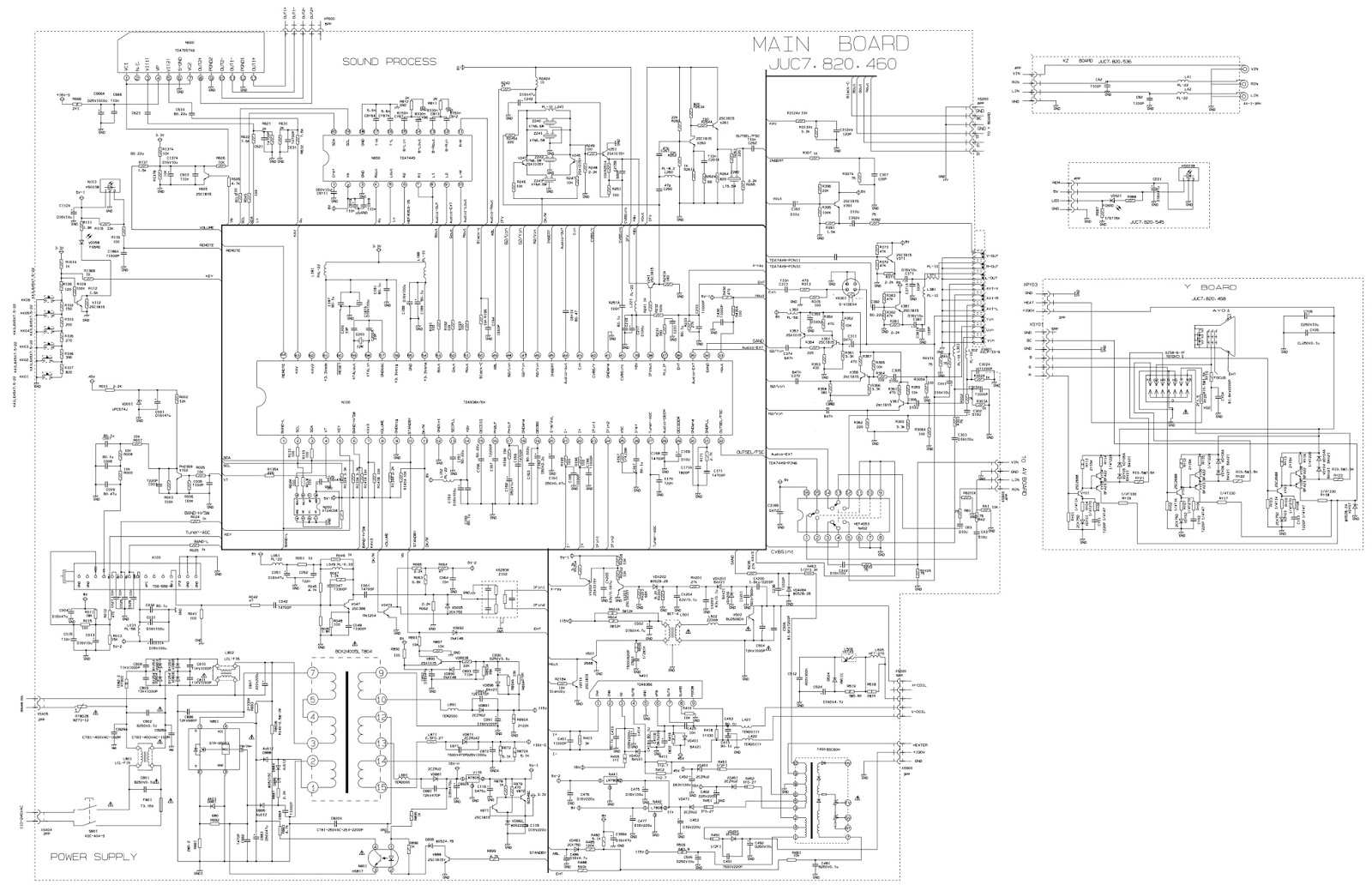
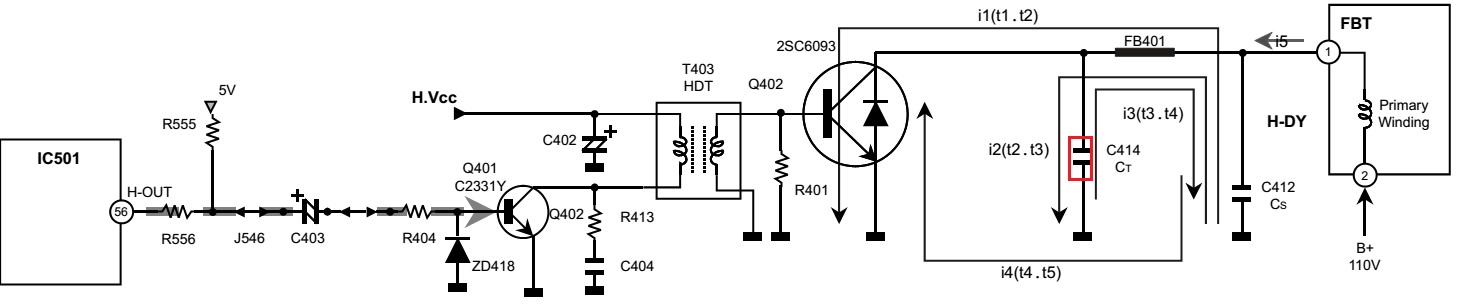
Videocon Tv Circuit Diagram Model No

Led Circuit Diagrams

Lg Tv Circuit Diagram

Videocon Vaf21gdx Uoc

Plasma Tv Lg42pg20 - Smps Circuit Diagram - Eay43533901 Power Supply Digital

Viewsonic N2060w Power Board 715t 1599

Videocon Tv Circuit Diagram Model No

Crt Tv Circuit Board Diagram

Toshiba Lcd Tv Circuit Diagram

Emerson Le220em3 - 22me402v-f7 Magnavox Led Lcd Tv Power Supply Schematic

Colour Tv Circuit Diagram - Tmpa8873kpang6hv9

Schematic Diagram Of Vhf Tv Antenna Splitter Pdf

Tv Muter Circuit

Tv Transmitter Circuit Ic Mc374

This Is A Small Tv Transmitter Circuit Wich Trasmittes In Vhf Negative Sound Modulation And Pal

Electronics Tricks And Tips Onida Igo Service Code

Sanyo C21lf37 - Ctv - Schematic Diagram Circuit Diagram - Main Board

Lg Usp490m

Toshiba Lcd Tv Circuit Diagram

Videocon Tv Circuit Diagram Model No

Reparaciones Diagrama Phillips Chasis 13y600

Videocon Tv Circuit Diagram Model No

Videocon Tv Circuit Diagram Model No

Tcl Chassis S22 Sch Service Manual Download Schematics Eeprom Repair Info For Electronics Experts

Electro Help Philips 40pfl3606 - Lcd Tv

Introducing The Tv Devil An Easy Remote Control Arduino Prank

Color Tv Circuit Diagram - Using Ic Tda935x 6x 8x

Videocon Tv Circuit Diagram Model No

Videocon Tv Circuit Diagram Model No

How To Change Ultra Slim Circuit Pcb Of Crt Color Television - Bengali Tutorial

Tv Schematic

Lg21fj6 U2013 Colour Tv U2013 Circuit Diagram U2013 Main Components

Samsung Lcd Tv Circuit Schematic In 2019

Television Technical Data

China Tv Circuit Diagram Pdf

Old8bits Como Conectar La Game Gear A La Tele Por El Euroconector

Simple Schematic Diagram Faraday Generator

Satellite Hook Up In Rv

Emerson Le220em3 - 22me402v-f7 Magnavox Led Lcd Tv Power Supply Schematic

Samsung Ln40b550k - Ln52b550k - Lcd Tv Wiring Diagram - Part Numbers

Electro Help Tv2km-dvd

Changhong 21nf55

Sony Wax Chassis Block Diagram Kenotrontv

Toshiba Lcd Tv Circuit Diagram

Sony Klv32m400a And Sony Klv26m400a Lcd Tv Power Board Circuit Diagram

Jvc Lt26wx84 T U2013 Lcd Flat Tv U2013 Power Supply Regulator Schematic

Eay60968801 Eay60968701 Eax61392501 Schematic Repair

Videocon Tv Circuit Diagram Model No

Colour Tv Circuit Diagram - Tmpa8873kpang6hv9

Tnpa5364bj - Smps Schematic - Panasonic Th L32x30c

Diagram Videocon Bazoomba Tv Circuit Diagram

  • Download Videocon Bazoomba Tv Circuit Diagram

    draw.io is free online diagram software for making flowcharts, process diagrams, org charts, UML, ER and network diagrams

    Open and edit diagrams online with Draw.io, a free diagram software supporting various formats and diagram types.

    Create a new diagram, or open an existing diagram in your new tab. To create a new diagram, enter a Diagram Name and click the location where you want to save the file.

    Easily import diagrams from Lucidchart to diagrams.net or draw.io with this simple tool.

    Create and edit diagrams with draw.io, a free diagramming tool that integrates seamlessly with Office 365.

    Create flowcharts and diagrams online with this easy to use software.

    app.diagrams.net

    Access and integrate Google Drive files with Draw.io using the Google Picker tool for seamless diagram creation.

    Clearing Cached version 29.3.4... OK Update Start App

    7.2 The Software will initiate transfers of data forming part of the Diagrams (“Diagram Data”) to services supplied by third parties when you expressly request conversion of Diagrams: a. to another supported file format; and b. to PDF format.

    3 way switch,3 way switch wiring,3 way switch wiring diagram pdf,3 way wiring diagram,3way switch wiring diagram,4 prong dryer outlet wiring diagram,4 prong trailer wiring diagram,6 way trailer wiring diagram,7 pin trailer wiring diagram with brakes,7 pin wiring diagram,alternator wiring diagram,amp wiring diagram,automotive lighting,cable harness,chevrolet,diagram,dodge,doorbell wiring diagram,ecobee wiring diagram,electric motor,electrical connector,electrical wiring,electrical wiring diagram,ford,fuse,honeywell thermostat wiring diagram,ignition system,kenwood car stereo wiring diagram,light switch wiring diagram,lighting,motor wiring diagram,nest doorbell wiring diagram,nest hello wiring diagram,nest labs,nest thermostat,nest thermostat wiring diagram,phone connector,pin,pioneer wiring diagram,plug wiring diagram,pump,radio,radio wiring diagram,relay,relay wiring diagram,resistor,rj45 wiring diagram,schematic,semi-trailer truck,sensor,seven pin trailer wiring diagram,speaker wiring diagram,starter wiring diagram,stereo wiring diagram,stereophonic sound,strat wiring diagram,switch,switch wiring diagram,telecaster wiring diagram,thermostat wiring,thermostat wiring diagram,trailer brake controller,trailer plug wiring diagram,trailer wiring diagram,user guide,wire,wire diagram,wiring diagram,wiring diagram 3 way switch,wiring harness

    close