Toyota 2t Engine Diagram

Toyota 2t Engine Diagram

  • Category : Engine Diagram
  • Post Date : January 27, 2026
Toyota 2t Engine Diagram 9 out of 10 based on 90 ratings. 60 user reviews.

Toyota 2t Engine Diagram

Repair Guides

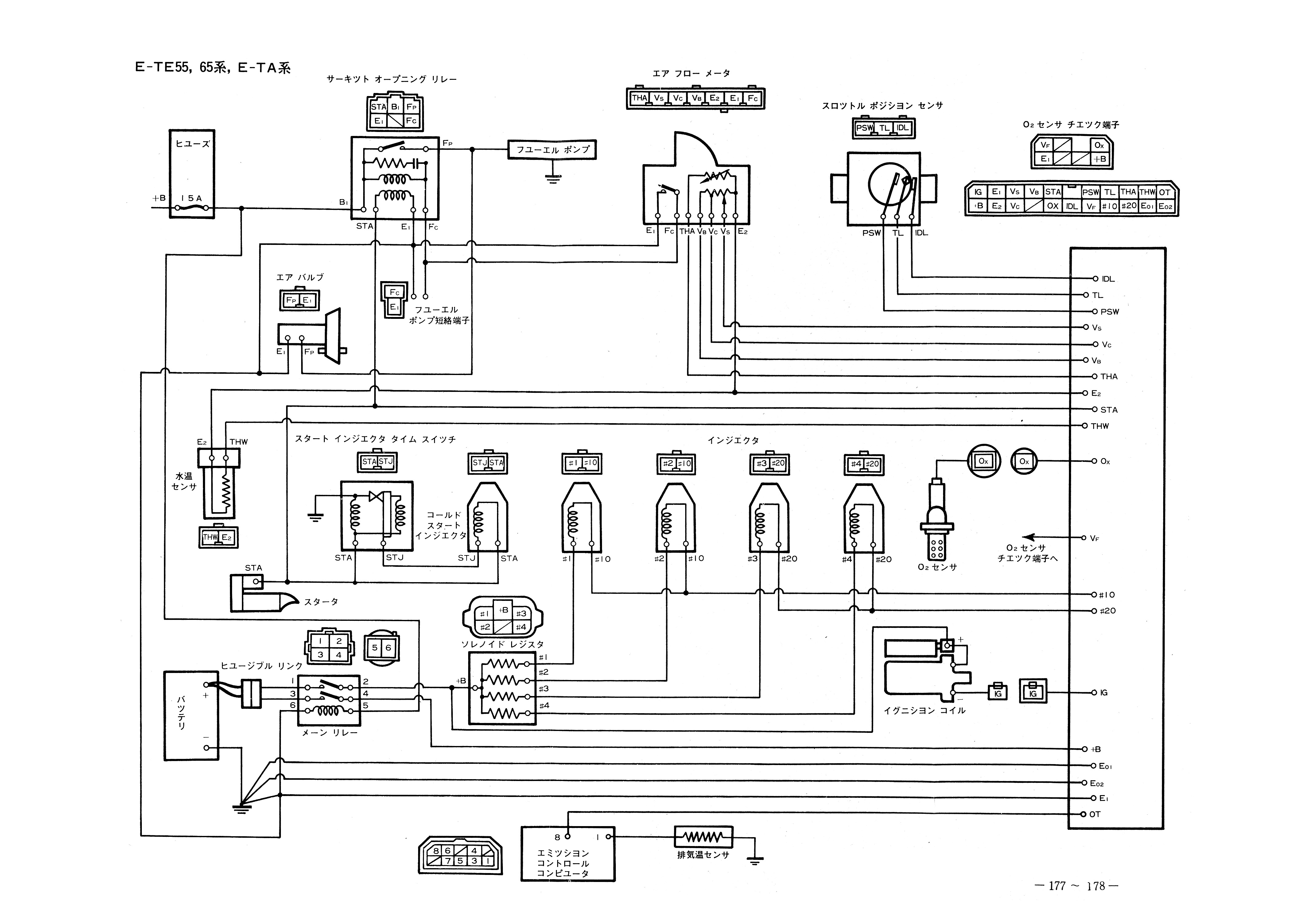
Toyota Service Manual - 2t-geu Engine - Page 08-09 100dpi

Toyota Service Manual - 2t-geu Engine - Page 08-10 100dpi

Repair Guides

Wiring U0026 Attaching Parts For 1996 2t Truck V16b

Erector Card

Diagram Of The Experimental Setup 1

Carburetor 8108

Toyota Corollate71r-eemdsn - Tool-engine-fuel

Engine Mounting U0026 Support For 1996 2t Truck V16b

1951 Jeep Cj3 2 2l 1bl 4cyl

Peugeot Ha1 50cc 2t Scooter Engine Full Service Repair Manual 2004 2008

Peugeot Ha1 50cc 2t Scooter Engine Full Service Repair Manual 2004 2008

Lml Scooters

Lml Scooters

Lml Scooters

Yanmar Marine Diesel Engine 2t 3t Service Repair Manual

Apollo Program

Kymco Mxer U0026 Mongoose 50-2t 50-4t 70 U0026 90 Atv Service Manual

Size Comparison First Stage F

Kymco Super 9 50 2t Scooter Online Service Manual

Kymco Super 8 50 2t Scooter Service Manual Printed

Carburetor Kit By Malossi Scooterworks Usa

How A 2 Stroke Engine Works - 2t Engine Explained

50cc Scooter Engine 1pe40qmb With Rear Drum

50cc 2t Scooter Cylinder Kit 1e40qma

Starter Motor Genuine Stella 2t U0026 4t Vespa Vnx Vlx Vsx Scooterworks Usa

Mechanical Engineering 2 Stroke Engine Working

50cc 2t Scooter Mikuni Carburettor

Valve Timing Diagram Of Four Stroke Engine

Guide 2t 3t-c U0026 18r-c Electronic Dizzy U0026 39 S U0026quot How To U0026quot

Kymco Super 8 50 2t Scooter Online Service Manual

Kymco Super 8 50 2t Scooter Online Service Manual

China Instrument Diagram Forktruck Parts Operator Guide 2t 2 5t 3t Gasoline Lpg Forklift Truck

Kymco Super 8 50 2t Scooter Service Manual Printed

Balance Tube With Dcoe Carbies

Lml Scooters

Kymco Super 9 50 2t Scooter Online Service Manual

Kymco Mxer U0026 Mongoose 50-2t 50-4t 70 U0026 90cc Atv Printed Service Manual

Garage

Kymco Super 9 50 2t Scooter Online Service Manual

China Instrument Diagram Forktruck Parts Operator Guide 2t 2 5t 3t Gasoline Lpg Forklift Truck

Kymco Mxer U0026 Mongoose 50

Scooter Cylinder Kit

Kymco Mxer U0026 Mongoose 50-2t 50-4t 70 U0026 90cc Atv Printed Service Manual

Piaggio Fly 50 2t Workshop Service Repair Manual

Lml Scooters

Aprilia Scarabeo 50 Oil And Fuel Tank Parts 2t 50 1998 Spares Aprilia Parts Uk Worldwide For

Yamaha Outboard Parts Yamaha Oem Parts Yamaha Aftermarket Parts Discounted Yamaha Outboard Parts

Aprilia Mojito Custom 50 Fuel Tank Parts 2t 50 2004 2005 2006 2007 Spares Aprilia Parts Uk

50cc 2t Motorcycle Tungshen Carburettor

50cc Scooter 2-stroke Engine 1e40qma Disc Brake Version

Lml Scooters

People 50 2t Performance Ncy Exhaust Scooterworks Usa

Aprilia Scarabeo 50 2t Service Repair Manual

Engine Control For 1996 2t Truck V16b

2t-c 3t-c Into Ke55 - Engine Conversions

50cc Scooter Engine 1pe40qmb With Rear Drum

Diagram Toyota 2t Engine Diagram

  • Download Toyota 2t Engine Diagram

    draw.io is free online diagram software for making flowcharts, process diagrams, org charts, UML, ER and network diagrams

    Open and edit diagrams online with Draw.io, a free diagram software supporting various formats and diagram types.

    Create a new diagram, or open an existing diagram in your new tab. To create a new diagram, enter a Diagram Name and click the location where you want to save the file.

    Create flowcharts and diagrams online with this easy to use software.

    Create and edit diagrams with draw.io, a free diagramming tool that integrates seamlessly with Office 365.

    Easily import diagrams from Lucidchart to diagrams.net or draw.io with this simple tool.

    Access and integrate Google Drive files with Draw.io using the Google Picker tool for seamless diagram creation.

    Clearing Cached version 29.3.4... OK Update Start App

    confEmbedUpload=For a better editing experience, please use the regular draw.io macro to insert a blank diagram, then from (File menu → Import From → Device...) select the file you want to upload and embed.

    If you enter personal information into a diagram and perform an action that requires us to send that diagram to a server for processing, your personal data may be processed on that server, but never stored.

    3 way switch,3 way switch wiring,3 way switch wiring diagram pdf,3 way wiring diagram,3way switch wiring diagram,4 prong dryer outlet wiring diagram,4 prong trailer wiring diagram,6 way trailer wiring diagram,7 pin trailer wiring diagram with brakes,7 pin wiring diagram,alternator wiring diagram,amp wiring diagram,automotive lighting,cable harness,chevrolet,diagram,dodge,doorbell wiring diagram,ecobee wiring diagram,electric motor,electrical connector,electrical wiring,electrical wiring diagram,ford,fuse,honeywell thermostat wiring diagram,ignition system,kenwood car stereo wiring diagram,light switch wiring diagram,lighting,motor wiring diagram,nest doorbell wiring diagram,nest hello wiring diagram,nest labs,nest thermostat,nest thermostat wiring diagram,phone connector,pin,pioneer wiring diagram,plug wiring diagram,pump,radio,radio wiring diagram,relay,relay wiring diagram,resistor,rj45 wiring diagram,schematic,semi-trailer truck,sensor,seven pin trailer wiring diagram,speaker wiring diagram,starter wiring diagram,stereo wiring diagram,stereophonic sound,strat wiring diagram,switch,switch wiring diagram,telecaster wiring diagram,thermostat wiring,thermostat wiring diagram,trailer brake controller,trailer plug wiring diagram,trailer wiring diagram,user guide,wire,wire diagram,wiring diagram,wiring diagram 3 way switch,wiring harness

    close