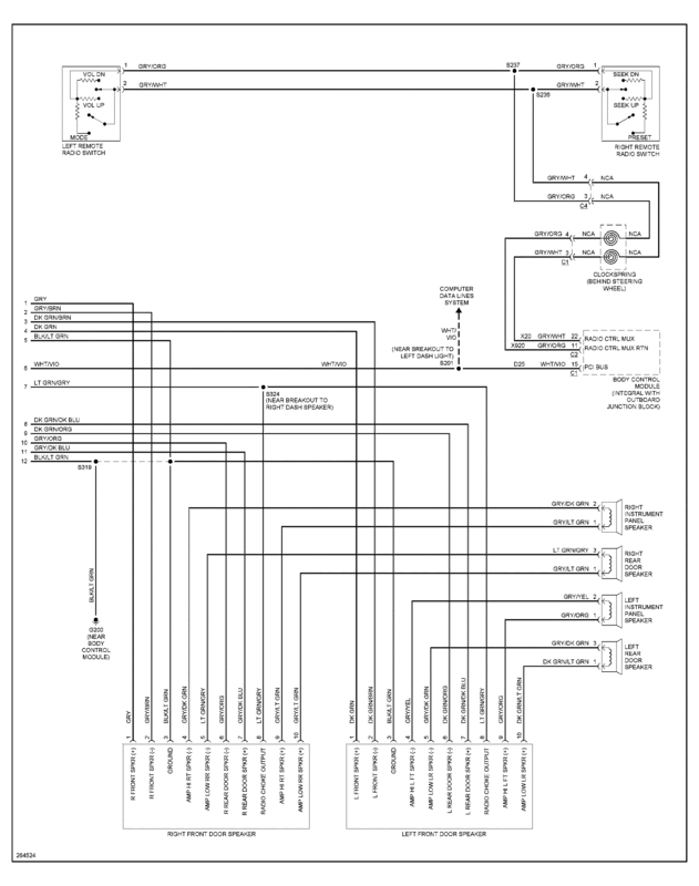
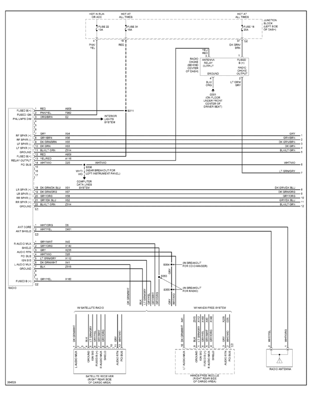
Stand Art Jeep Radio Wiring Diagram Only

Stand Art Jeep Radio Wiring Diagram Only

  • Category : Diagram Only
  • Post Date : January 27, 2026
Stand Art Jeep Radio Wiring Diagram Only 9 out of 10 based on 30 ratings. 80 user reviews.

Stand Art Jeep Radio Wiring Diagram Only

1992 Jeep Wrangler Wiring Schematic

1993 Jeep Wrangler Wiring Schematic

2006 Jeep Wrangler Wiring Diagram

2006 Jeep Wrangler Wiring Diagram

2000 Jeep Grand Cherokee Trailer Wiring Diagram Sample

1999 Ford F250 Super Duty Radio Wiring Diagram Collection

1993 Jeep Wrangler Wiring Schematic

1993 Jeep Wrangler Wiring Schematic

Solved Need Wiring Diagram For 4xr

1999 Ford V6 Mustang Radio Fuse Number Box Graphic 98

72 Best Images About 1976 Jeep Cj5 Ideas Parts Etc On

Looking For The Wiring Diagram For A 2004 Cherokee For

I Have A 1992 Jeep Cherokee And The Radio And Fan Turn

I Have A 1987 Jeep Wrangler That Cuts Out For No Apparent

Can You Please Tell Me The Conversion For Stereo Wiring

Stereo Went Out

What Do I Need

27 Best Jeep Cj7 Parts Diagrams Images On Pinterest

2006 Renegade Radio And Speakers - Page 2

Jeep Cj5 Wiring Diagram Pdf

Antenna 1991 1995 Jeep Cherokee Car Stereo Radio Wiring

2006 Renegade Radio And Speakers - Page 2

Aftermarket Stereo Turns On But No Sound

Problem Radio Goes Out When Headlights Go On

Factory Amplifier Question For An 03 Tj

Find A Wiring Diagram To Install The Speakers On A 21 Pin

Getting An Aux Jack To Work Through Cd Changer Port W O Cd

No Sound From Sub

Jeep Wrangler Drawing At Getdrawings Com

The Last Stereo Wiring Thread You U0026 39 Ll Ever Need

2007

Jeep Wrangler Drawing At Getdrawings Com

Android 6 0 Car A V Dvd Navigation System For 2007

9 Inch Android 6 0 2004

10 2 Inch 1024 600 Android 6 0 2015 2016 2017 Jeep

Interface Needed For Aftermarket Stereo Or Not

How To Leave Jeep Compass Fuse Box Diagram Without Being

2006 Renegade Radio And Speakers - Page 2

Seven Things You Didn U0026 39 T Know About 1995 Jeep Grand Cherokee

U0026quot No Bus U0026quot Error When Installing Aftermarket Headuni

Ten Ways On How To Prepare For Fuse Diagram For 8 Jeep

9 Inch 2016 Jeep Renegade High Version With Capacitive

Whelen 295hfsa1 Wiring Diagram Download

What Order

Jeep My Radio I Lost Head Lights Dash And Brake Lights

Jeep Grand Cherokee Zj And Wj 1993 To 2004 Why Doesn U0026 39 T

Cj Dies In Reverse

1980s Jeep Solenoid Switch Third Wire Post Wtf

Cico7 Garage

How To Leave Jeep Compass Fuse Box Diagram Without Being

Jeep Wrangler Yj Motor Swap Wiring

Aftermarket Stereo Turns On But No Sound

2004 Jeep Grand Cherokee Wiring Diagram

Chrysler Dodge Jeep Vehicle Entertainment System

Freightliner Fuse Panel Diagram U2014 Untpikapps

22 Best Images About Jeep Cj5 Parts Diagrams On Pinterest

Zj Fuse Panel Diagram 1993-1995

Diagram Stand Art Jeep Radio Wiring Diagram Only

  • Download Stand Art Jeep Radio Wiring Diagram Only

    draw.io is free online diagram software for making flowcharts, process diagrams, org charts, UML, ER and network diagrams

    Open and edit diagrams online with Draw.io, a free diagram software supporting various formats and diagram types.

    Create a new diagram, or open an existing diagram in your new tab. To create a new diagram, enter a Diagram Name and click the location where you want to save the file.

    Create flowcharts and diagrams online with this easy to use software.

    Create and edit diagrams with draw.io, a free diagramming tool that integrates seamlessly with Office 365.

    Easily import diagrams from Lucidchart to diagrams.net or draw.io with this simple tool.

    Access and integrate Google Drive files with Draw.io using the Google Picker tool for seamless diagram creation.

    Clearing Cached version 29.3.4... OK Update Start App

    confEmbedUpload=For a better editing experience, please use the regular draw.io macro to insert a blank diagram, then from (File menu → Import From → Device...) select the file you want to upload and embed.

    If you enter personal information into a diagram and perform an action that requires us to send that diagram to a server for processing, your personal data may be processed on that server, but never stored.

    3 way switch,3 way switch wiring,3 way switch wiring diagram pdf,3 way wiring diagram,3way switch wiring diagram,4 prong dryer outlet wiring diagram,4 prong trailer wiring diagram,6 way trailer wiring diagram,7 pin trailer wiring diagram with brakes,7 pin wiring diagram,alternator wiring diagram,amp wiring diagram,automotive lighting,cable harness,chevrolet,diagram,dodge,doorbell wiring diagram,ecobee wiring diagram,electric motor,electrical connector,electrical wiring,electrical wiring diagram,ford,fuse,honeywell thermostat wiring diagram,ignition system,kenwood car stereo wiring diagram,light switch wiring diagram,lighting,motor wiring diagram,nest doorbell wiring diagram,nest hello wiring diagram,nest labs,nest thermostat,nest thermostat wiring diagram,phone connector,pin,pioneer wiring diagram,plug wiring diagram,pump,radio,radio wiring diagram,relay,relay wiring diagram,resistor,rj45 wiring diagram,schematic,semi-trailer truck,sensor,seven pin trailer wiring diagram,speaker wiring diagram,starter wiring diagram,stereo wiring diagram,stereophonic sound,strat wiring diagram,switch,switch wiring diagram,telecaster wiring diagram,thermostat wiring,thermostat wiring diagram,trailer brake controller,trailer plug wiring diagram,trailer wiring diagram,user guide,wire,wire diagram,wiring diagram,wiring diagram 3 way switch,wiring harness

    close