Samsung Refrigerator Model Rs2555sl Wiring Diagram

Samsung Refrigerator Model Rs2555sl Wiring Diagram

  • Category : Wiring Diagram
  • Post Date : January 27, 2026
Samsung Refrigerator Model Rs2555sl Wiring Diagram 9 out of 10 based on 90 ratings. 80 user reviews.

Samsung Refrigerator Model Rs2555sl Wiring Diagram

Samsung Refrigerator Model Rs2555sl Wiring Diagram

Samsung Refrigerator Model Rs2555sl Wiring Diagram

Samsung Refrigerator Model Rs2555sl Wiring Diagram

Ge Refrigerator Digital Temperature Indication For Both Fridge And Freezer Section Indicate Off

Frigidaire Refrigerator Parts

Frigidaire Refrigerator Parts

Electrolux Model Ei23bc30kw3 Bottom

Frigidaire Model Ffss2314qp5a Side

Frigidaire Refrigerator Parts

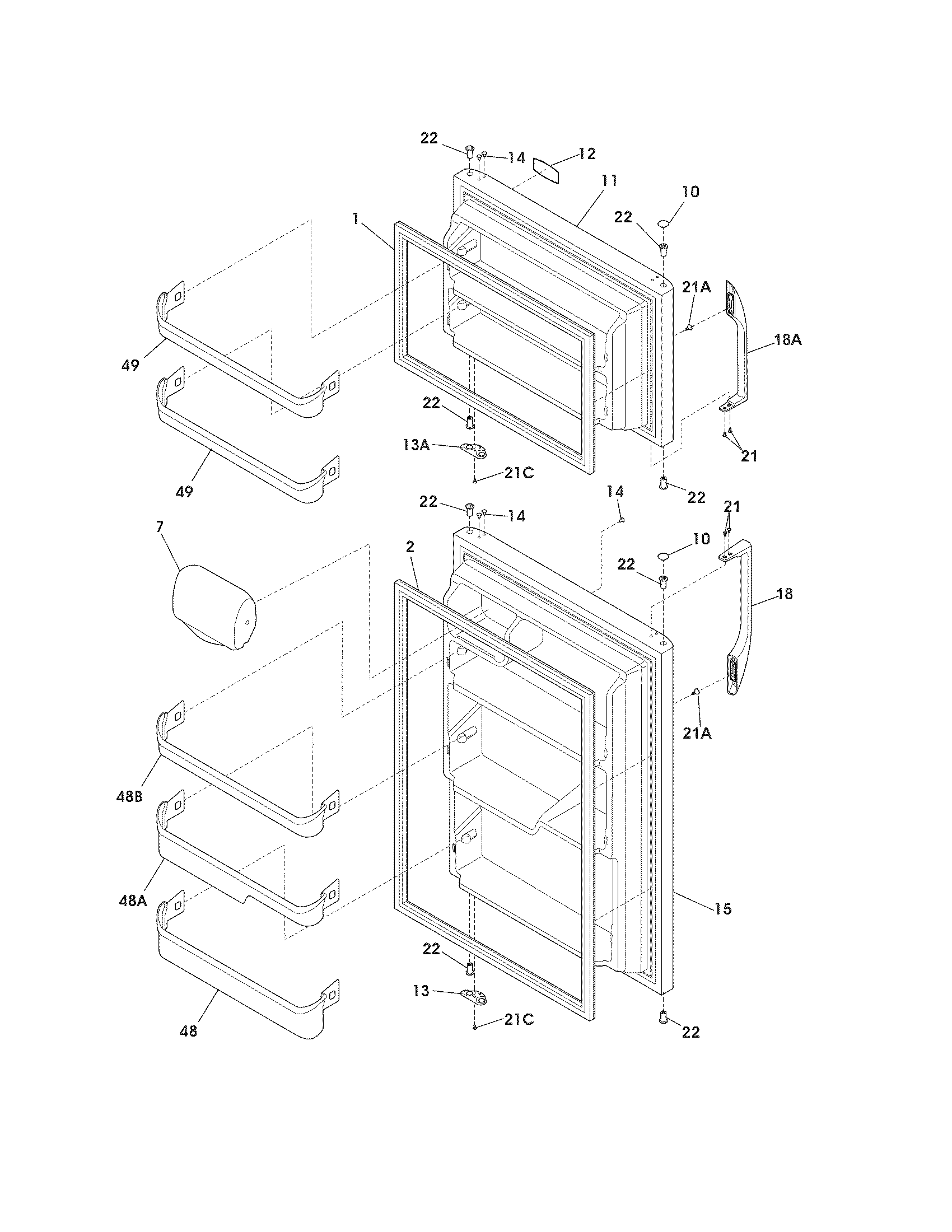
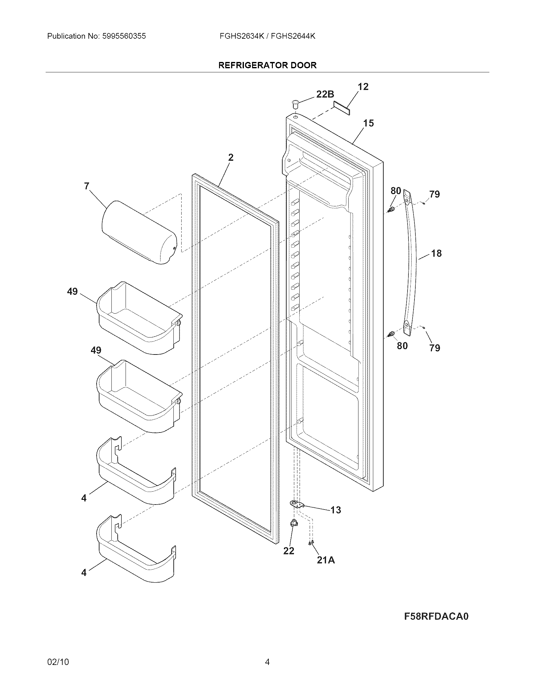
Refrigerator Door Diagram U0026 Parts List For Model Fghs2644kf2 Frigidaire

Parts For Frigidaire Frs6r5esbl Cabinet Parts

Frigidaire Refrigerator Parts

Kenmore Refrigerator Parts

Frigidaire Model Fphb2899lfb Bottom

Frigidaire Refrigerator Parts

Electrolux Model Ew23bc85ks5 Bottom

Kenmore Refrigerator Parts

Frigidaire Refrigerator Parts

Kenmore Refrigerator Wiring Schematic

Electrolux Refrigerator Parts

Samsung Refrigerator Model Rs2555sl Wiring Diagram

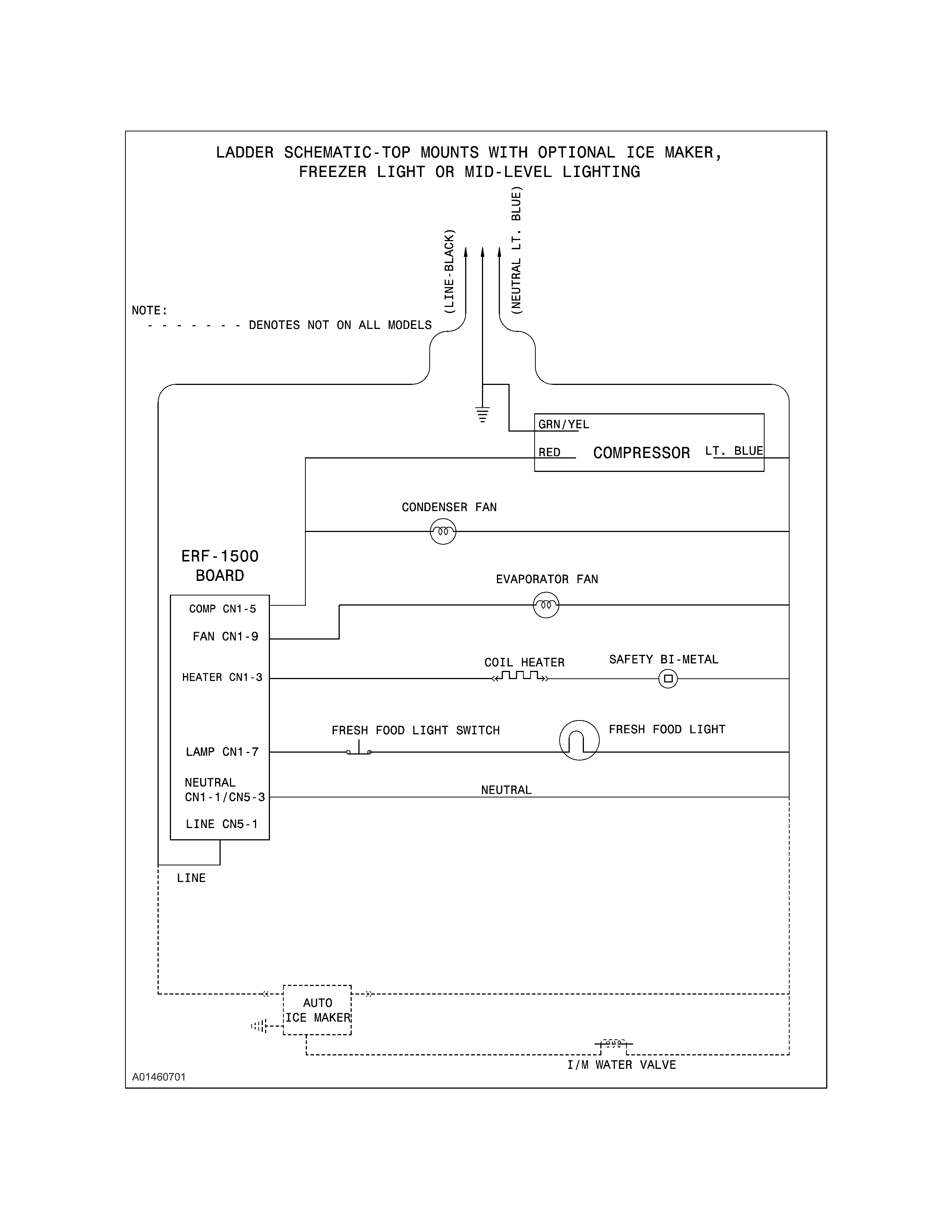
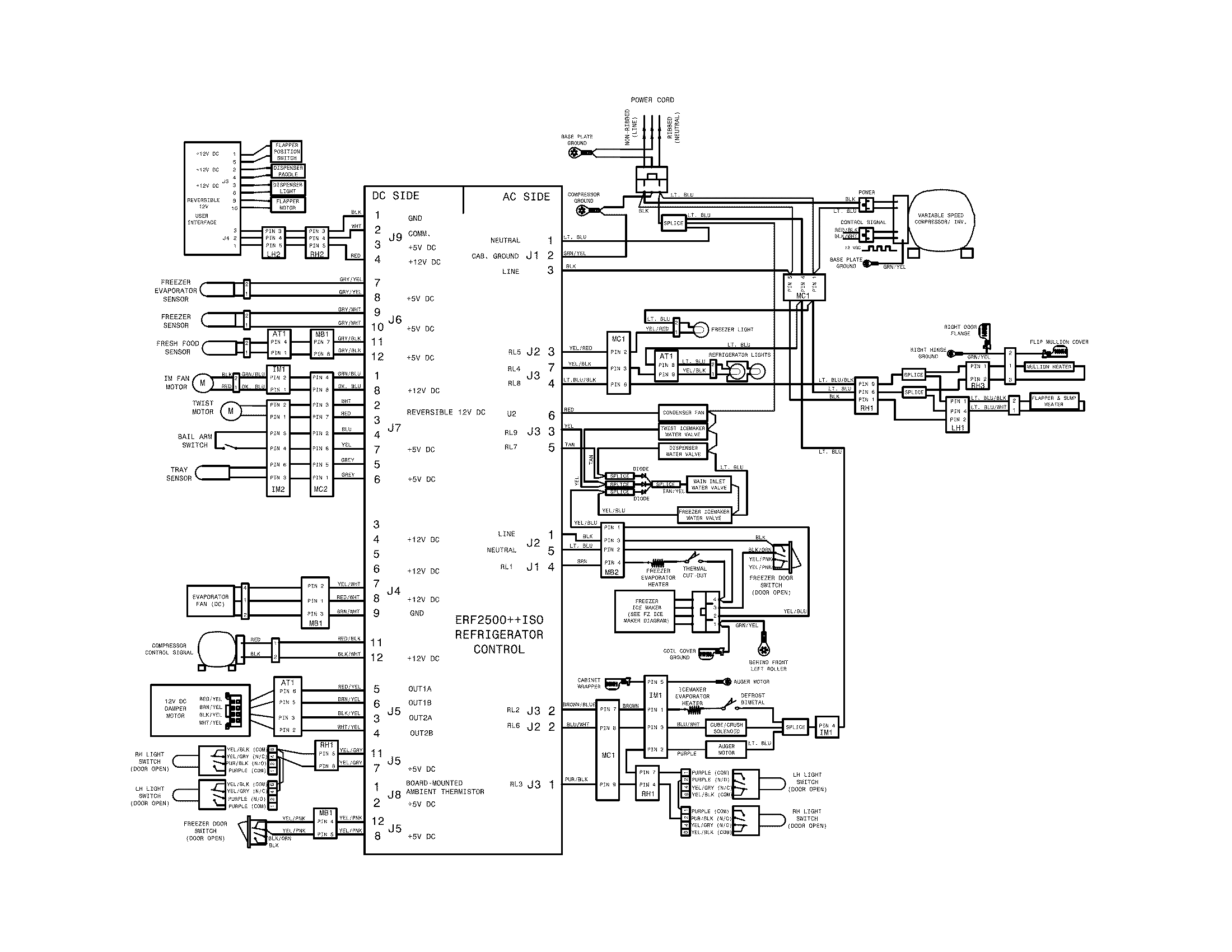
Refrigerator Wiring Diagram Pdf

Frigidaire Model Fghs2655pf5a Side

Electrolux Refrigerator Parts

Refrigerator Door Diagram U0026 Parts List For Model Gd25dixhw02 Whirlpool

Frigidaire Model Ffhs2611lwma Side

Whirlpool Refrigerator Model W 4 T X N W F W Q 0 3 Complaint Was Freezer Ok Fridge Warm What I

Parts For Frigidaire Frs26znhw0 System Parts

Rangkaian Kelistrikan Refrigerator Kulkas

Frigidaire Refrigerator Parts

Frigidaire Model Ffht1621qs1 Top

24 U0026quot General Purpose Dual Voltage Refrigerator Freezer

Parts For Samsung Rs2555sl Refrigerator Shelves Parts

Samsung Refrigerator Model Rs2555sl Wiring Diagram

Product Support U0026 Manuals

Frigidaire Model Ffhs2611lbla Side

Frigidaire Model Fghs2655pf5a Side

Frigidaire Refrigerator Parts

Electrolux Model Ei23bc35ks5 Bottom

Maytag Refrigerator Parts

Wiring Information Diagram U0026 Parts List For Model Ac2224gekb Amana

Ge Gsl25jftabs Refrigerator Parts And Accessories At Partswarehouse

Frigidaire Model Fghs2655pf4 Side

Parts For Frigidaire Frs26h5asb5 Cover Parts

I Have A 1950 Frigidaire Refrigerator Made By General Motors I Need A Wiring Diagram From The

Parts For Ge Tfx28pbbaww Freezer Door Parts

Frigidaire Refrigerator Parts

Kenmore

Diagram Samsung Refrigerator Model Rs2555sl Wiring Diagram

  • Download Samsung Refrigerator Model Rs2555sl Wiring Diagram

    draw.io is free online diagram software for making flowcharts, process diagrams, org charts, UML, ER and network diagrams

    Open and edit diagrams online with Draw.io, a free diagram software supporting various formats and diagram types.

    Create a new diagram, or open an existing diagram in your new tab. To create a new diagram, enter a Diagram Name and click the location where you want to save the file.

    Create flowcharts and diagrams online with this easy to use software.

    Create and edit diagrams with draw.io, a free diagramming tool that integrates seamlessly with Office 365.

    app.diagrams.net

    Easily import diagrams from Lucidchart to diagrams.net or draw.io with this simple tool.

    Access and integrate Google Drive files with Draw.io using the Google Picker tool for seamless diagram creation.

    Clearing Cached version 29.3.4... OK Update Start App

    confEmbedUpload=For a better editing experience, please use the regular draw.io macro to insert a blank diagram, then from (File menu → Import From → Device...) select the file you want to upload and embed.

    3 way switch,3 way switch wiring,3 way switch wiring diagram pdf,3 way wiring diagram,3way switch wiring diagram,4 prong dryer outlet wiring diagram,4 prong trailer wiring diagram,6 way trailer wiring diagram,7 pin trailer wiring diagram with brakes,7 pin wiring diagram,alternator wiring diagram,amp wiring diagram,automotive lighting,cable harness,chevrolet,diagram,dodge,doorbell wiring diagram,ecobee wiring diagram,electric motor,electrical connector,electrical wiring,electrical wiring diagram,ford,fuse,honeywell thermostat wiring diagram,ignition system,kenwood car stereo wiring diagram,light switch wiring diagram,lighting,motor wiring diagram,nest doorbell wiring diagram,nest hello wiring diagram,nest labs,nest thermostat,nest thermostat wiring diagram,phone connector,pin,pioneer wiring diagram,plug wiring diagram,pump,radio,radio wiring diagram,relay,relay wiring diagram,resistor,rj45 wiring diagram,schematic,semi-trailer truck,sensor,seven pin trailer wiring diagram,speaker wiring diagram,starter wiring diagram,stereo wiring diagram,stereophonic sound,strat wiring diagram,switch,switch wiring diagram,telecaster wiring diagram,thermostat wiring,thermostat wiring diagram,trailer brake controller,trailer plug wiring diagram,trailer wiring diagram,user guide,wire,wire diagram,wiring diagram,wiring diagram 3 way switch,wiring harness

    close