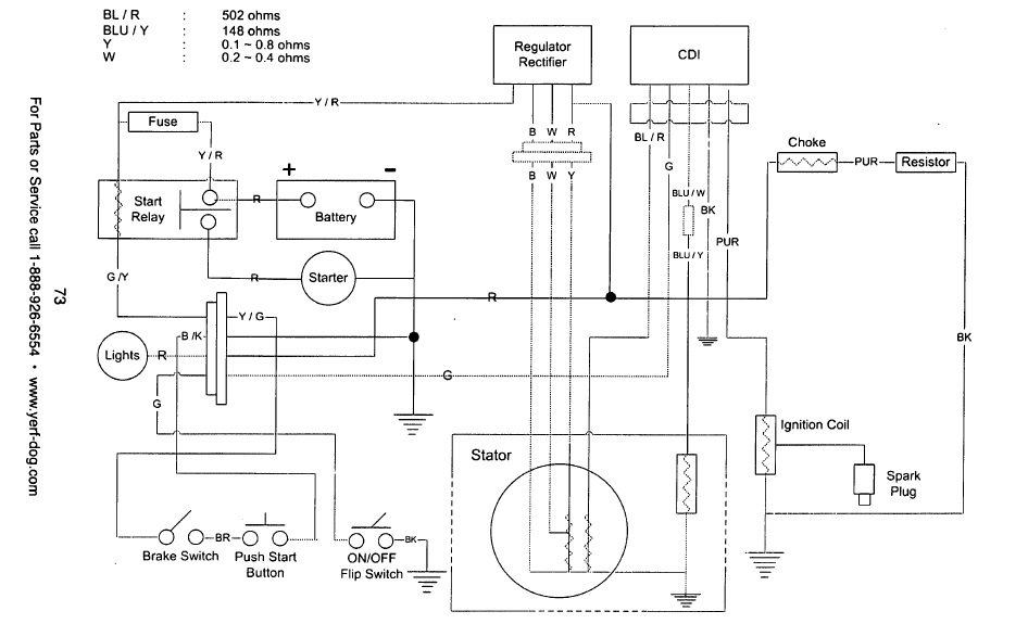
Roketa 90cc Kart Wiring Diagram

Roketa 90cc Kart Wiring Diagram

  • Category : Wiring Diagram
  • Post Date : January 27, 2026
Roketa 90cc Kart Wiring Diagram 9 out of 10 based on 70 ratings. 80 user reviews.

Roketa 90cc Kart Wiring Diagram

Baja 90cc Atv Wiring Diagram

Chinese 90cc Atv Wiring Diagram

90cc Atv Wiring Diagram Within For Chinese 110

Roketa 150cc Go Kart Wiring Diagram

Sunl 110 Wiring Diagram

Loncin Quad Wiring Diagram U2013 Volovets Info

Tao Tao 125cc Go Kart 5 Wire Cdi Wiring Diagram

Roketa 250cc Go Kart Wiring Diagram Free Picture Blogs In

Easy Guide For Those With U0026 39 No Spark U0026 39 Condtions

110cc Go Kart Motor Stator Wiring Diagram

Chinese 90cc Atv Wiring Diagram

Chinese 90cc Atv Wiring Diagram

Helix 150cc Go Kart Wiring Diagram

110cc Go Kart Motor Stator Wiring Diagram

150cc Sunl Go Kart Wiring Diagram

110cc Go Kart Motor Stator Wiring Diagram

Newest Gy6 Ignition Wiring Diagram 150cc Go Kart Wiring

Tao Tao Quad 125 Parts Diagram2000 Chevy Tracker 2 0

Tao Tao 125cc Go Kart 5 Wire Cdi Wiring Diagram

150cc Scooter Wiring Diagram

50 70 90 110cc 125cc Wire Harness Wiring Cdi Assembly Atv

Twister Hammerhead 150 Wiring Diagram

Roketa Go Kart Parts Wiring Diagram

Yerf Dog 150cc Wiring Diagram Go-kart

Roketa 150cc Go Kart Wiring Diagram

Asw Carbide Log - Buggymasters Com

90cc Monsoon Wont Start With Start Button

Chinese Go Kart Wire Harness Wireharness 50cc 70cc 90cc

Crosman Airgun Forum New Steve In Nc Or Co222 Non Gun

110cc Go Kart Motor Stator Wiring Diagram

Kazuma Panda 90cc Wiring Diagram

Wiring Harness Magneto Stator 50cc 70cc 90cc 110cc 125cc

50 70 90 110cc Wire Harness Wiring Cdi Assembly Atv Quad

Plein U00c9lectrique Faisceau De C U00e2blage Bobine Cdi Spark Plug

All Electrics Atv Quad 50 70cc 110cc 125cc Coil Cdi

Tao Tao 125cc Go Kart Cdi Wiring Diagram

Diagram Roketa 90cc Kart Wiring Diagram

  • Download Roketa 90cc Kart Wiring Diagram

    draw.io is free online diagram software for making flowcharts, process diagrams, org charts, UML, ER and network diagrams

    Open and edit diagrams online with Draw.io, a free diagram software supporting various formats and diagram types.

    Create a new diagram, or open an existing diagram in your new tab. To create a new diagram, enter a Diagram Name and click the location where you want to save the file.

    Create flowcharts and diagrams online with this easy to use software.

    Create and edit diagrams with draw.io, a free diagramming tool that integrates seamlessly with Office 365.

    Easily import diagrams from Lucidchart to diagrams.net or draw.io with this simple tool.

    Access and integrate Google Drive files with Draw.io using the Google Picker tool for seamless diagram creation.

    Clearing Cached version 29.3.4... OK Update Start App

    confEmbedUpload=For a better editing experience, please use the regular draw.io macro to insert a blank diagram, then from (File menu → Import From → Device...) select the file you want to upload and embed.

    If you enter personal information into a diagram and perform an action that requires us to send that diagram to a server for processing, your personal data may be processed on that server, but never stored.

    3 way switch,3 way switch wiring,3 way switch wiring diagram pdf,3 way wiring diagram,3way switch wiring diagram,4 prong dryer outlet wiring diagram,4 prong trailer wiring diagram,6 way trailer wiring diagram,7 pin trailer wiring diagram with brakes,7 pin wiring diagram,alternator wiring diagram,amp wiring diagram,automotive lighting,cable harness,chevrolet,diagram,dodge,doorbell wiring diagram,ecobee wiring diagram,electric motor,electrical connector,electrical wiring,electrical wiring diagram,ford,fuse,honeywell thermostat wiring diagram,ignition system,kenwood car stereo wiring diagram,light switch wiring diagram,lighting,motor wiring diagram,nest doorbell wiring diagram,nest hello wiring diagram,nest labs,nest thermostat,nest thermostat wiring diagram,phone connector,pin,pioneer wiring diagram,plug wiring diagram,pump,radio,radio wiring diagram,relay,relay wiring diagram,resistor,rj45 wiring diagram,schematic,semi-trailer truck,sensor,seven pin trailer wiring diagram,speaker wiring diagram,starter wiring diagram,stereo wiring diagram,stereophonic sound,strat wiring diagram,switch,switch wiring diagram,telecaster wiring diagram,thermostat wiring,thermostat wiring diagram,trailer brake controller,trailer plug wiring diagram,trailer wiring diagram,user guide,wire,wire diagram,wiring diagram,wiring diagram 3 way switch,wiring harness

    close