Ridgid K40 Snake Wiring Diagram

Ridgid K40 Snake Wiring Diagram

  • Category : Wiring Diagram
  • Post Date : January 26, 2026
Ridgid K40 Snake Wiring Diagram 9 out of 10 based on 90 ratings. 50 user reviews.

Ridgid K40 Snake Wiring Diagram

K40 Smoothie Wiring Diagram Lasercutting

Don U0026 39 S Laser Cutter Things K40

1000 2000 Wiring Diagram

K40 Calibre Wiring Diagram

K40 Circuit Diagram Fuse Or Capacitor

1996 E320

Don U0026 39 S Laser Cutter Things Stand Alone K40 Zaxis Table

1000 2000 Wiring Diagram

Electronic Countermeasures K40 Rl360i Install

Pdf Manual For K40 Radar Detector 1000

K40 Ramps Conversion U00b7 Explodinglemur Presentations Wiki

Don U0026 39 S Laser Cutter Things Click Here For The Index To K40

21 Best K40 Laser Images On Pinterest

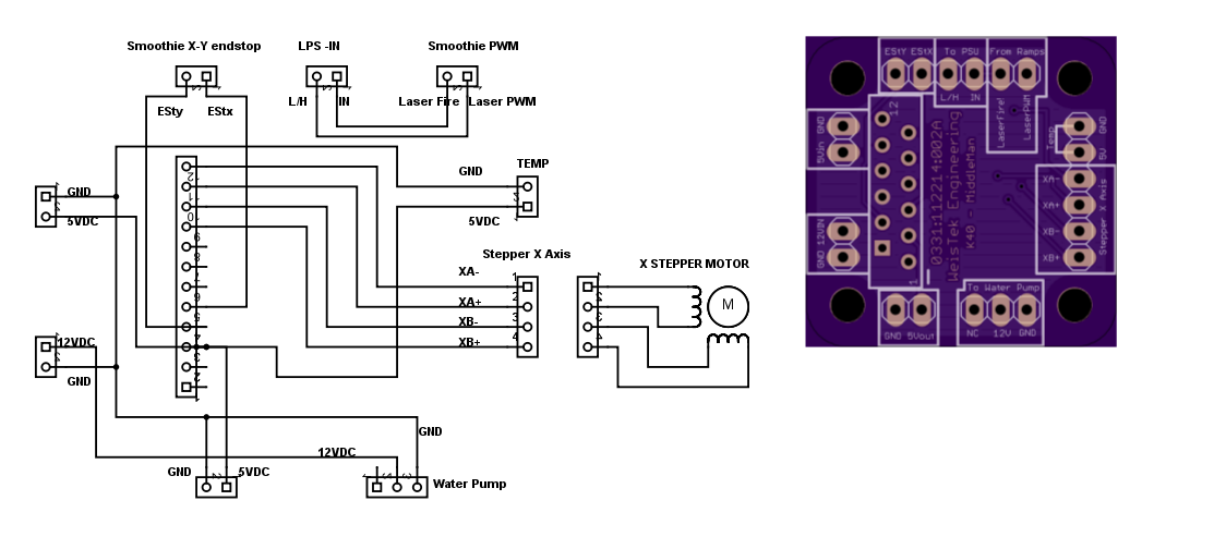
Don U0026 39 S Laser Cutter Things K40 Lps Configuration And Wiring

Lightobject Z Table For The K40 Ebay Chinese Lasers

Install A Ma-meter On Your K40 Laser

K40 Laser Hardware Power Explanation

Supercharger Fault - Help Please

Dc

Don U0026 39 S Laser Cutter Things K40 Lps Configuration And Wiring

K40

Doc Diagram K40 Wiring Diagram Ebook

Don U0026 39 S Laser Cutter Things K40 Lps Configuration And Wiring

K40 Chinese Laser Conversion To Arduino

K40 Wiring Diagram Picture Schematic

K40 Relay Wiring Diagram

K40 Calibre Wiring Diagram

I Finished Connecting My K40 To An Azsmz Mini With An

K40 Wiring Diagram Picture Schematic

K40 Laser Wiring Diagram

Don U0026 39 S Laser Cutter Things K40

K40 Wiring Diagram Picture Schematic

Cb Mic Wiring Page

Don U0026 39 S Laser Cutter Things K40 Optical Endstops

Don U0026 39 S Laser Cutter Things Old K40

Don U0026 39 S Laser Cutter Things K40 Optical Endstops

Don U0026 39 S Laser Cutter Things K40

How To Wire A K40 Switch To A 1998 Mercedes Slk 230 Compressor

Doc Diagram K40 Wiring Diagram Ebook

K40 Controller Installation Guide

Mercedes Benz Slk 230 Wiring Diagram

Dc

Mercedes Benz Slk 230 Wiring Diagram

Urgent Need Help With Edac Cabling On Old Soundcraft 1600

I Have A 2000 Slk 230 I Have A Fuel Problem And Have

Wsck Series

My Mercedes 230 Slk Has An Intermittent Problem It Just

How To Wire A K40 Switch To A 1998 Mercedes Slk 230 Compressor

Ridgid 300 Switch Wiring Diagram

Diagram Ridgid K40 Snake Wiring Diagram

  • Download Ridgid K40 Snake Wiring Diagram

    draw.io is free online diagram software for making flowcharts, process diagrams, org charts, UML, ER and network diagrams

    Open and edit diagrams online with Draw.io, a free diagram software supporting various formats and diagram types.

    Create a new diagram, or open an existing diagram in your new tab. To create a new diagram, enter a Diagram Name and click the location where you want to save the file.

    Create flowcharts and diagrams online with this easy to use software.

    Create and edit diagrams with draw.io, a free diagramming tool that integrates seamlessly with Office 365.

    app.diagrams.net

    Easily import diagrams from Lucidchart to diagrams.net or draw.io with this simple tool.

    Access and integrate Google Drive files with Draw.io using the Google Picker tool for seamless diagram creation.

    Clearing Cached version 29.3.4... OK Update Start App

    confEmbedUpload=For a better editing experience, please use the regular draw.io macro to insert a blank diagram, then from (File menu → Import From → Device...) select the file you want to upload and embed.

    3 way switch,3 way switch wiring,3 way switch wiring diagram pdf,3 way wiring diagram,3way switch wiring diagram,4 prong dryer outlet wiring diagram,4 prong trailer wiring diagram,6 way trailer wiring diagram,7 pin trailer wiring diagram with brakes,7 pin wiring diagram,alternator wiring diagram,amp wiring diagram,automotive lighting,cable harness,chevrolet,diagram,dodge,doorbell wiring diagram,ecobee wiring diagram,electric motor,electrical connector,electrical wiring,electrical wiring diagram,ford,fuse,honeywell thermostat wiring diagram,ignition system,kenwood car stereo wiring diagram,light switch wiring diagram,lighting,motor wiring diagram,nest doorbell wiring diagram,nest hello wiring diagram,nest labs,nest thermostat,nest thermostat wiring diagram,phone connector,pin,pioneer wiring diagram,plug wiring diagram,pump,radio,radio wiring diagram,relay,relay wiring diagram,resistor,rj45 wiring diagram,schematic,semi-trailer truck,sensor,seven pin trailer wiring diagram,speaker wiring diagram,starter wiring diagram,stereo wiring diagram,stereophonic sound,strat wiring diagram,switch,switch wiring diagram,telecaster wiring diagram,thermostat wiring,thermostat wiring diagram,trailer brake controller,trailer plug wiring diagram,trailer wiring diagram,user guide,wire,wire diagram,wiring diagram,wiring diagram 3 way switch,wiring harness

    close