Repair Hyundai Excel Manual Gearbox Diagram

Repair Hyundai Excel Manual Gearbox Diagram

  • Category : Gearbox Diagram
  • Post Date : January 27, 2026
Repair Hyundai Excel Manual Gearbox Diagram 9 out of 10 based on 40 ratings. 20 user reviews.

Repair Hyundai Excel Manual Gearbox Diagram

I Own A 1999 Hyundai Accent L It Has A Five Speed Manual

Hyundai Excel Manual 1992 1993 1994

I Would Like To Know Where I Can Find An Exploded View Of

Hyundai Excel Manual 1992 1993 1994

43000-23017

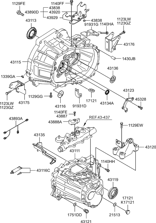
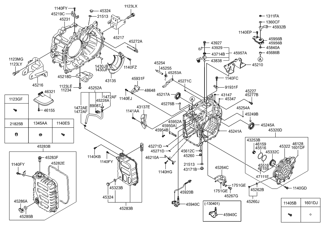
43115-32010

4270023000 - Hyundai Switch

2008 Hyundai Sonata Transmission Line Diagram Pdf

4143023000 - Hyundai Fork Assembly

4142132000

2005 Hyundai Elantra Manual Transmission Going Up Or

Hyundai Getz Prime 1 1 Petrol Transmission Box Gear Box

2008 Hyundai Sonata Transmission Line Diagram Pdf

Hyundai Accent Seal - Oil Casemanual

I Have A Hyandai Accent 03 Model 1 6l Manual And It Is

11403-08386-p

45210-3b855

42700-3b700

56510-24100

2016 Hyundai Manual Transmission Shift Lever Shifter Assy

Repair Guides

2008 Hyundai Sonata Transmission Line Diagram Pdf

Shifter Wont Go Into Gear But Freely Moves Around Is The

1124112301

1124112301

4322223300

Kia Hyundai M6cf1 Manual Transaxle Overhaul S By

Hyundai X3 Excel Single Cam 5 Speed Manual Gearbox

Hyundai X3 Excel 5spd Manual Gearbox Gear Box Suit 1 5ltr

Hyundai Transmission Wiring Diagram

Hyundai X3 Excel 5spd Manual Gearbox Gear Box Suit 1 5ltr

Hyundai X3 Excel Single Cam 5 Speed Manual Gearbox

Hyundai Getz Electrical Troubleshooting Manua By Klausjean

Hyundai X3 Excel Single Cam 5 Speed Manual Gearbox

437941g100 - Hyundai Cable Assembly

Hyundai Cars Repair Manuals Service Manuals Maintenance

1124112301

4130024900 - Hyundai Cover Assembly

43000-2a001

I Just Remove The Cv Shafts On A 2001 Hyundai Accent

Hyundai Excel 1986 2000 Haynes Service Repair Manual

1999 Hyundai Accent Repair Shop Manual Original 2 Volume Set

2007 Hyundai Tucson Fork

4142139000 - Hyundai Bearing

43000-39aa0

4171039001 - Hyundai Cylinder Assembly

2008 Hyundai Sonata Transmission Line Diagram Pdf

43115-28008

Hyundai Getz 2002 Repair Manuals Download Wiring Diagram

Hyundai Excel U0026 39 S For Sale On Boostcruising

Hyundai Excel Manual Pdf Download At Hyundai Repair Manuals

2014 Hyundai Accent Gear Shift Control

2004 Hyundai Sonata Engine Diagram

Diagram Repair Hyundai Excel Manual Gearbox Diagram

  • Download Repair Hyundai Excel Manual Gearbox Diagram

    draw.io is free online diagram software for making flowcharts, process diagrams, org charts, UML, ER and network diagrams

    Open and edit diagrams online with Draw.io, a free diagram software supporting various formats and diagram types.

    Create a new diagram, or open an existing diagram in your new tab. To create a new diagram, enter a Diagram Name and click the location where you want to save the file.

    Create flowcharts and diagrams online with this easy to use software.

    Create and edit diagrams with draw.io, a free diagramming tool that integrates seamlessly with Office 365.

    Easily import diagrams from Lucidchart to diagrams.net or draw.io with this simple tool.

    Access and integrate Google Drive files with Draw.io using the Google Picker tool for seamless diagram creation.

    Clearing Cached version 29.3.4... OK Update Start App

    confEmbedUpload=For a better editing experience, please use the regular draw.io macro to insert a blank diagram, then from (File menu → Import From → Device...) select the file you want to upload and embed.

    If you enter personal information into a diagram and perform an action that requires us to send that diagram to a server for processing, your personal data may be processed on that server, but never stored.

    3 way switch,3 way switch wiring,3 way switch wiring diagram pdf,3 way wiring diagram,3way switch wiring diagram,4 prong dryer outlet wiring diagram,4 prong trailer wiring diagram,6 way trailer wiring diagram,7 pin trailer wiring diagram with brakes,7 pin wiring diagram,alternator wiring diagram,amp wiring diagram,automotive lighting,cable harness,chevrolet,diagram,dodge,doorbell wiring diagram,ecobee wiring diagram,electric motor,electrical connector,electrical wiring,electrical wiring diagram,ford,fuse,honeywell thermostat wiring diagram,ignition system,kenwood car stereo wiring diagram,light switch wiring diagram,lighting,motor wiring diagram,nest doorbell wiring diagram,nest hello wiring diagram,nest labs,nest thermostat,nest thermostat wiring diagram,phone connector,pin,pioneer wiring diagram,plug wiring diagram,pump,radio,radio wiring diagram,relay,relay wiring diagram,resistor,rj45 wiring diagram,schematic,semi-trailer truck,sensor,seven pin trailer wiring diagram,speaker wiring diagram,starter wiring diagram,stereo wiring diagram,stereophonic sound,strat wiring diagram,switch,switch wiring diagram,telecaster wiring diagram,thermostat wiring,thermostat wiring diagram,trailer brake controller,trailer plug wiring diagram,trailer wiring diagram,user guide,wire,wire diagram,wiring diagram,wiring diagram 3 way switch,wiring harness

    close