Rc Bandpass Filter Circuit Diagram

Rc Bandpass Filter Circuit Diagram

  • Category : Circuit Diagram
  • Post Date : January 26, 2026
Rc Bandpass Filter Circuit Diagram 9 out of 10 based on 70 ratings. 10 user reviews.

Rc Bandpass Filter Circuit Diagram

Tunable Bandpass Filter Circuit Diagram

Category Audio Wiring Diagram

Variable Bandwidth Bandpass Active Filter Circuit Diagram

Bandpass Filter Circuit Diagram Of Bandpass Filter

Band Pass Filters

Band Pass Filter Circuit Diagram Theory And Experiment

Build A Variable Bandpass Audio Filter Circuit Diagram

Labelled Diagram Tractor

Bandpass And Notch Filter Circuit Diagram 62377

Band

Datei Bandpass Filter Svg U2013 Wikipedia

Band Pass Filter Circuit Diagram Theory And Experiment

File Bandpass Filter Svg

Build A Variable

75o Hz Sixth Order Bandpass - Filter Circuit

Voice Bandpass - Filter Circuit - Basic Circuit

Bandpass Filter Circuit Diagram Of Bandpass Filter

Narrow Band Audio Bandpass Filter Schematics And Tutorials

Frequency Adjustable Bandpass Filter Circuit

Band Pass Filter

What Is A Bandpass Filter Definiton Design Response

Multiple

How To Make Tunable Bandpass Filter In Urdu

Razor

Active Band Pass Filter Circuit Design And Applications

L

Band Pass Filters

By An Order Bandpass Filter Of An Operational Amplifier

Bandpass Filter Butterworth Bandpass Filter

Active Filters

Band Pass Filters Circuit Diagram World

Bandpass Filter Circuits - Signal Processing

Bandpass Filter

Band Pass Filter Using A Basic Rlc Circuit

Bandpass Filter

Lab 5

1 Khz Bandpass Filter With High Q

Band Pass Filter Circuit

1 Khz Bandpass Notch - Filter Circuit

High Q Band-pass Filter Circuit

State Variable Filters

Active Second Order Bandpass Filter For Speech Range

Electronic Filter Circuit Diagrams Circuit Schematics

Band Pass Filter Circuit Diagram Types Calculator And

Bandpass Filter Circuit - Temperature Control

Active Adjustable Bandpass Audio Filter

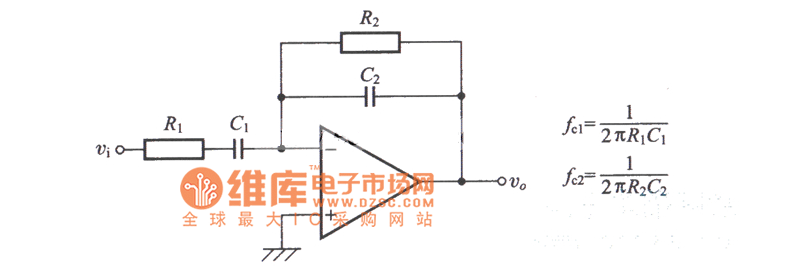
Passive Rc Band Pass Filter Circuit Diagram

Index Page

Diagram Rc Bandpass Filter Circuit Diagram

  • Download Rc Bandpass Filter Circuit Diagram

    draw.io is free online diagram software for making flowcharts, process diagrams, org charts, UML, ER and network diagrams

    Open and edit diagrams online with Draw.io, a free diagram software supporting various formats and diagram types.

    Create a new diagram, or open an existing diagram in your new tab. To create a new diagram, enter a Diagram Name and click the location where you want to save the file.

    Easily import diagrams from Lucidchart to diagrams.net or draw.io with this simple tool.

    Create and edit diagrams with draw.io, a free diagramming tool that integrates seamlessly with Office 365.

    Create flowcharts and diagrams online with this easy to use software.

    app.diagrams.net

    Access and integrate Google Drive files with Draw.io using the Google Picker tool for seamless diagram creation.

    Clearing Cached version 29.3.4... OK Update Start App

    7.2 The Software will initiate transfers of data forming part of the Diagrams (“Diagram Data”) to services supplied by third parties when you expressly request conversion of Diagrams: a. to another supported file format; and b. to PDF format.

    3 way switch,3 way switch wiring,3 way switch wiring diagram pdf,3 way wiring diagram,3way switch wiring diagram,4 prong dryer outlet wiring diagram,4 prong trailer wiring diagram,6 way trailer wiring diagram,7 pin trailer wiring diagram with brakes,7 pin wiring diagram,alternator wiring diagram,amp wiring diagram,automotive lighting,cable harness,chevrolet,diagram,dodge,doorbell wiring diagram,ecobee wiring diagram,electric motor,electrical connector,electrical wiring,electrical wiring diagram,ford,fuse,honeywell thermostat wiring diagram,ignition system,kenwood car stereo wiring diagram,light switch wiring diagram,lighting,motor wiring diagram,nest doorbell wiring diagram,nest hello wiring diagram,nest labs,nest thermostat,nest thermostat wiring diagram,phone connector,pin,pioneer wiring diagram,plug wiring diagram,pump,radio,radio wiring diagram,relay,relay wiring diagram,resistor,rj45 wiring diagram,schematic,semi-trailer truck,sensor,seven pin trailer wiring diagram,speaker wiring diagram,starter wiring diagram,stereo wiring diagram,stereophonic sound,strat wiring diagram,switch,switch wiring diagram,telecaster wiring diagram,thermostat wiring,thermostat wiring diagram,trailer brake controller,trailer plug wiring diagram,trailer wiring diagram,user guide,wire,wire diagram,wiring diagram,wiring diagram 3 way switch,wiring harness

    close