Pv Combiner Box Wiring Diagram

Pv Combiner Box Wiring Diagram

  • Category : Wiring Diagram
  • Post Date : January 26, 2026
Pv Combiner Box Wiring Diagram 9 out of 10 based on 80 ratings. 50 user reviews.

Pv Combiner Box Wiring Diagram

Hyderabad Institute Of Electrical Engineers Wiring

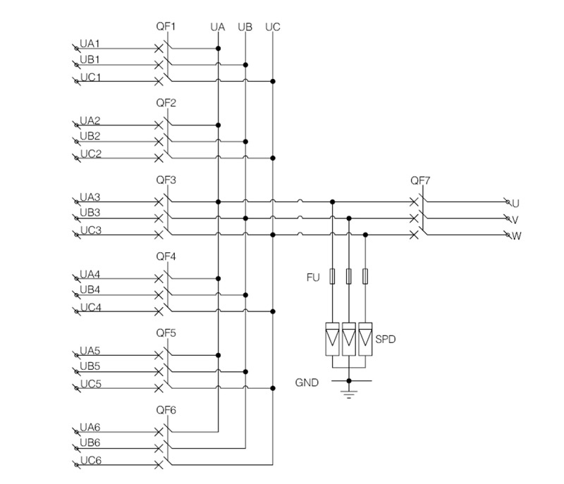
Combiner Box Requirements

Gallery Of Solar Combiner Box Wiring Diagram Sample

Enphase 3 String Combiner Box

Midnite Solar Combiner Box Mnpv6 For Sale U2013 Ironedison Com

Solar Combiner Box Wiring Diagram Sample

Pv Combiner Box Buyer U0026 39 S Guide

Midnite Solar Mnpv6 Disconnect Combiner Box Ac

Midnite Solar

Shlx-pv16 1 Dc Combiner Box

Shlx-pv6 3 Dc Combiner Box

Pv Combiner Box With Fuses 12a Surge Protection Dc

Pv Combiner Box Solar Energy Combiner Box Photovoltaic

Diy Solar Array Wiring

Pv Combiner Box Solar Energy Combiner Box Photovoltaic

Shlx-pv4 2 Dc Combiner Box

How To Select Components For Home Grid Tied Solar Power System

Pv Combiner Box Solar Energy Combiner Box Photovoltaic

Shlx-ac6 1 Ac Pv Combiner Box

Shlx-ac4 1 Ac Pv Combiner Box

Solar Combiner Box Wiring Diagram Sample

Photovoltaic Systems Wiring Diagram U2013 Lotsangogiasi Com

Hrpv 1 16 Input 1 Output 16 Strings Pv Solar Panel

Any Issues With Adding Fuses To My Dc Negative Inside The

Solar Combiner Box Wiring Diagram Sample

Midnite Solar

Shlx-ac8 1 Ac Pv Combiner Box

Shlx-ac6 1 Ac Pv Combiner Box

Pv Combiner Box 4way In 1 Way Out Dc Fuses 500vdc

Pre Cl150 Controller

2013 Carmate 100 Solar Heated And Cooled Over The Top

Eco Safe 6 String Solar Combiner Box Surge Lighting

Solar Combiner Box Wiring Diagram

Combiner Box U2013 1 String

Rv Junction Box

Photovoltaic System Architectures

Pv Combiner Box Solar Energy Combiner Box Photovoltaic

Solar Junction Box 6 Strings Waterproof Ip65 With Mc4

Pv Combiner Box 4way In 1way Out With Surge Protection

Any Issues With Adding Fuses To My Dc Negative Inside The

Solar Panel Kits Ultimate Guide For Home Solar Pv System

Wiring Solar Panels Series Or Parallel

Wiring Diagram For This Mobile Off

Combiner Box Buyers Guide Home Power Magazine Pv System

5 Things You Need For Solar Energy

Midnite Solar Shut Off Boxes For Rapid System Shutdown

Proposed System - 1000w

Free Access Diy Solar Panel For Rv

How To Use Mc4 Connectors And Extension Cables

2013 Carmate 100 Solar Heated And Cooled Over The Top

The Most Incredible And Interesting Off Grid Solar Wiring

Buss Bar Combiner Box For Solar Panels And Wind Turbine

Wiring A Home Solar Photovoltaic Pv System

Eco-worthy Solar Combiner Box With Circuit Breakers

Rapid System Shutdown 2014 Nec 690 12 U2013 What Is This

Shlx-ac4 1 Ac Combiner Box

Power Solution For 1500vdc Photovoltaic Power Generation

Solar Combiner Schematic

Diagram Pv Combiner Box Wiring Diagram

  • Download Pv Combiner Box Wiring Diagram

    draw.io is free online diagram software for making flowcharts, process diagrams, org charts, UML, ER and network diagrams

    Open and edit diagrams online with Draw.io, a free diagram software supporting various formats and diagram types.

    Create a new diagram, or open an existing diagram in your new tab. To create a new diagram, enter a Diagram Name and click the location where you want to save the file.

    Easily import diagrams from Lucidchart to diagrams.net or draw.io with this simple tool.

    Create and edit diagrams with draw.io, a free diagramming tool that integrates seamlessly with Office 365.

    Create flowcharts and diagrams online with this easy to use software.

    app.diagrams.net

    Access and integrate Google Drive files with Draw.io using the Google Picker tool for seamless diagram creation.

    Clearing Cached version 29.3.4... OK Update Start App

    7.2 The Software will initiate transfers of data forming part of the Diagrams (“Diagram Data”) to services supplied by third parties when you expressly request conversion of Diagrams: a. to another supported file format; and b. to PDF format.

    3 way switch,3 way switch wiring,3 way switch wiring diagram pdf,3 way wiring diagram,3way switch wiring diagram,4 prong dryer outlet wiring diagram,4 prong trailer wiring diagram,6 way trailer wiring diagram,7 pin trailer wiring diagram with brakes,7 pin wiring diagram,alternator wiring diagram,amp wiring diagram,automotive lighting,cable harness,chevrolet,diagram,dodge,doorbell wiring diagram,ecobee wiring diagram,electric motor,electrical connector,electrical wiring,electrical wiring diagram,ford,fuse,honeywell thermostat wiring diagram,ignition system,kenwood car stereo wiring diagram,light switch wiring diagram,lighting,motor wiring diagram,nest doorbell wiring diagram,nest hello wiring diagram,nest labs,nest thermostat,nest thermostat wiring diagram,phone connector,pin,pioneer wiring diagram,plug wiring diagram,pump,radio,radio wiring diagram,relay,relay wiring diagram,resistor,rj45 wiring diagram,schematic,semi-trailer truck,sensor,seven pin trailer wiring diagram,speaker wiring diagram,starter wiring diagram,stereo wiring diagram,stereophonic sound,strat wiring diagram,switch,switch wiring diagram,telecaster wiring diagram,thermostat wiring,thermostat wiring diagram,trailer brake controller,trailer plug wiring diagram,trailer wiring diagram,user guide,wire,wire diagram,wiring diagram,wiring diagram 3 way switch,wiring harness

    close