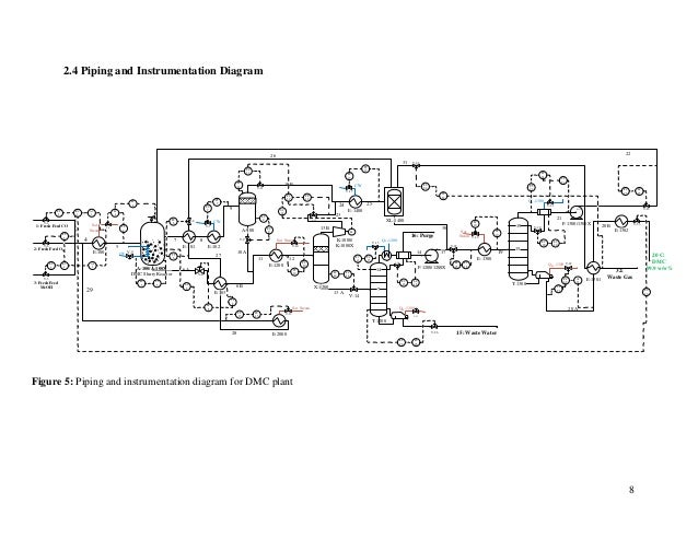
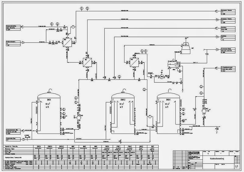
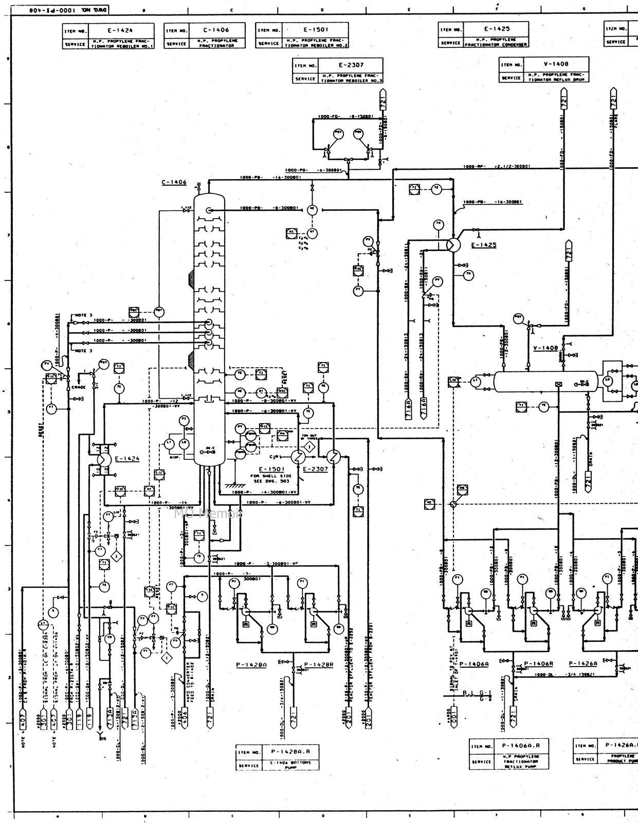
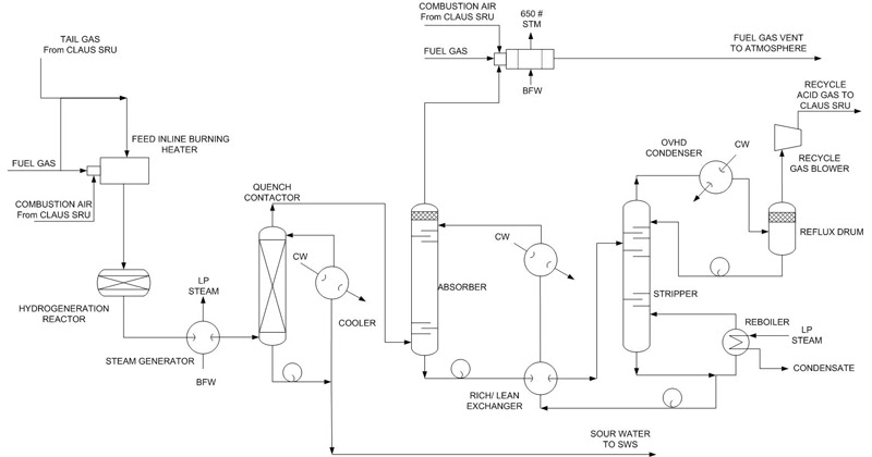
Process Flow Diagram Vs Piping And Instrumentation Diagram

Process Flow Diagram Vs Piping And Instrumentation Diagram

  • Category : Instrumentation Diagram
  • Post Date : January 26, 2026
Process Flow Diagram Vs Piping And Instrumentation Diagram 9 out of 10 based on 50 ratings. 10 user reviews.

Process Flow Diagram Vs Piping And Instrumentation Diagram

Process Diagram And Instrument Sketching

Process Flow Diagram Vs Piping And Instrumentation Diagram

Process Flow Diagram Vs Piping And Instrumentation Diagram

Process Flow Diagram Vs Piping And Instrumentation Diagram

G10 Final

Ppt 4 Piping And Instrumentation Diagram P U0026id

Ppt

Ppt

Diagrams And Instrumentation

Proces Flow Diagram Iso 9001

How To Read P U0026id For Beginner

Process Diagram And Instrument Sketching

Process Control Basics The Piping And Instrumentation

Ppt

Plant Design Of Production Of Polyester Grade Mono

Jejak Orang Minyak Latihan Industri

Diagram Piping And Instrumentation Diagram Legend

Ppt

Diagrams And Instrumentation

Ppt

The Thermal System And Vacuum Feedthrough Blog May 2016

About P U0026id U2013 Satriodamar

Mecanico Engenheiros

Piping And Instrumentation Diagrams Tutorials V

Ppt

Flow Control Loop Id Legend

Piping U0026 Instrumentation Diagram P U0026id U2013 Process Flow Systems

Basics Of P U0026id Piping And Instrumentation Diagram

B Dep Piping And Instrument Diagram Appendix

Ppt

P U0026id Process Diagram Piping Symbol Abbreviation

P U0026id Process Diagram Piping Symbol Abbreviation

P U0026id Symbols And Diagrams

Ppt

Piping And Instrumentation Diagram P U0026id Belajar Piping

Diagram Piping And Instrumentation Diagram Legend

Damn Vulnerable Chemical Process

Process Diagrams Lecture

Ppt

P U0026i Diagram

Piping And Instrumentation Diagram P U0026id Symbols

Mecanico Engenheiros P U0026id Symbols

Check Valves Symbols

Mo Memoir Memoirs Of Metal Oxide Catalyst Research Group

Simplified Piping And Instrumentation Diagram Of The Htc

Polymers

Die Besten 25 Technische Zeichnung Symbole Ideen Auf

Diagram Piping And Instrumentation Diagram Legend

Ppt

P U0026id

Chapter 1 Process Diagrams

Ppt

Update Deatailed Explanation Of U0026quot How To Read A Piping

Diagram Process Flow Diagram Vs Piping And Instrumentation Diagram

  • Download Process Flow Diagram Vs Piping And Instrumentation Diagram

    draw.io is free online diagram software for making flowcharts, process diagrams, org charts, UML, ER and network diagrams

    Open and edit diagrams online with Draw.io, a free diagram software supporting various formats and diagram types.

    Create a new diagram, or open an existing diagram in your new tab. To create a new diagram, enter a Diagram Name and click the location where you want to save the file.

    Create flowcharts and diagrams online with this easy to use software.

    Create and edit diagrams with draw.io, a free diagramming tool that integrates seamlessly with Office 365.

    app.diagrams.net

    Easily import diagrams from Lucidchart to diagrams.net or draw.io with this simple tool.

    Access and integrate Google Drive files with Draw.io using the Google Picker tool for seamless diagram creation.

    Clearing Cached version 29.3.4... OK Update Start App

    confEmbedUpload=For a better editing experience, please use the regular draw.io macro to insert a blank diagram, then from (File menu → Import From → Device...) select the file you want to upload and embed.

    3 way switch,3 way switch wiring,3 way switch wiring diagram pdf,3 way wiring diagram,3way switch wiring diagram,4 prong dryer outlet wiring diagram,4 prong trailer wiring diagram,6 way trailer wiring diagram,7 pin trailer wiring diagram with brakes,7 pin wiring diagram,alternator wiring diagram,amp wiring diagram,automotive lighting,cable harness,chevrolet,diagram,dodge,doorbell wiring diagram,ecobee wiring diagram,electric motor,electrical connector,electrical wiring,electrical wiring diagram,ford,fuse,honeywell thermostat wiring diagram,ignition system,kenwood car stereo wiring diagram,light switch wiring diagram,lighting,motor wiring diagram,nest doorbell wiring diagram,nest hello wiring diagram,nest labs,nest thermostat,nest thermostat wiring diagram,phone connector,pin,pioneer wiring diagram,plug wiring diagram,pump,radio,radio wiring diagram,relay,relay wiring diagram,resistor,rj45 wiring diagram,schematic,semi-trailer truck,sensor,seven pin trailer wiring diagram,speaker wiring diagram,starter wiring diagram,stereo wiring diagram,stereophonic sound,strat wiring diagram,switch,switch wiring diagram,telecaster wiring diagram,thermostat wiring,thermostat wiring diagram,trailer brake controller,trailer plug wiring diagram,trailer wiring diagram,user guide,wire,wire diagram,wiring diagram,wiring diagram 3 way switch,wiring harness

    close