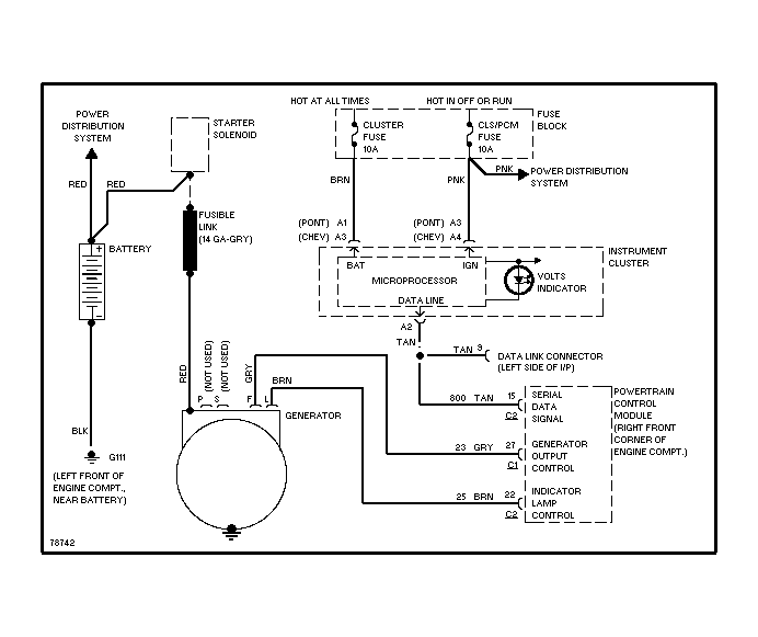
Pontiac Sunfire Alternator Wiring Diagram

Pontiac Sunfire Alternator Wiring Diagram

  • Category : Wiring Diagram
  • Post Date : January 26, 2026
Pontiac Sunfire Alternator Wiring Diagram 9 out of 10 based on 90 ratings. 50 user reviews.

Pontiac Sunfire Alternator Wiring Diagram

When Replacing A Starter For A 1997 Pontiac Sunfire I Lost

96 Sunfire 2 2 Electrical Problem The Alternator And

I Have A 1998 Pontiac Sunfire The Pigtail Connecting To

1998 Pontiac Sunfire Electrical Problem I Think My 98 2 2

Pontiac Sunfire Starter Wiring Problem

1999 Pontiac Sunfire

I U0026 39 M Working On A 2005 Pontiac Sunfire After Replacing The

1997 Pontiac Sunfire System Wiring Diagrams Instrument

Pontiac Sunfire Monsoon Amp Wiring Diagram

Pontiac Sunfire 2002 Belt Diagram 6

2004 Pontiac Sunfire Horn Fuse Repair

I Have A U0026 39 95 Buick Lasabre With A 3 8 V6 That Won U0026 39 T Hold A

05 Chevy Malibu Pcm Wiring Diagram

Pontiac Sunfire Monsoon Amp Wiring Diagram

Wrg

My 2001 Pontiac Trans Am Ws

When Replacing A Starter For A 1997 Pontiac Sunfire I Lost

Alternator Plug Wires I Removed The Alternator In My 1997

2000 Pontiac Sunfire Wiring Diagram Fuse Box Auto Genius

Where Is Tha Horn Fuse Located On A 97 Pontiac Sunfire

Starter Wiring On 1996 Sunfire 2 2l

When Replacing A Starter For A 1997 Pontiac Sunfire I Lost

Alternator Wiring Diagrams U2013 Volovets Info

Delco Remy 3 Wire Alternator Wiring Diagram U2013 Volovets Info

Where Do The Four Wires On My Starter Go 1997 Grand Am 2

Alternator Wiring Diagrams U2013 Volovets Info

Alternator Wiring Diagrams U2013 Volovets Info

1996 Chevy Cavalier Pontiac Sunfire Repair Shop Manual Set

Opel Ac Wiring Diagram

3 Wire 220v Wiring Diagram U2013 Volovets Info

Chevrolet Cavalier Questions Inj Fuse

Repair Guides Wiring Diagrams Autozone Com New 2002

Daedlus 2001 Pontiac Sunfire Specs Photos Modification

1998 Chevy Cavalier Engine Diagram

2003

95 Cavalier Fuse Diagram Vehicle Vehicle Wiring Diagrams

1998 Mustang Wiring Diagrams

2008 Pontiac G6 Wiring Diagram Abs

Alternator Wiring Diagrams U2013 Volovets Info

Marine Battery Charger Wiring Diagram U2013 Volovets Info

2009 Toyota Rav4 Serpentine Belt Diagram Html

2005 Pontiac Grand Am Engine Diagram

2003 Pontiac Aztek Wiring Harness

Prestolite

2006 Kia Spectra Timing Belt Broken2005 Pontiac Sunfire

Service Manual 1996 Chevrolet S10 Ignition Switch Removal

Delco Remy 3 Wire Alternator Wiring Diagram U2013 Volovets Info

Alternator Wiring Diagrams U2013 Volovets Info

Alternator Wire Diagram U2013 Volovets Info

Wiring Harness Diagram U2013 Volovets Info

65 Mustang 289 Alternator Wiring Diagram

Wiring Harness Kia Sportage

Wire Tracer Circuit Diagram U2013 Volovets Info

Vw Radio Wiring Diagram

Diagram Pontiac Sunfire Alternator Wiring Diagram

  • Download Pontiac Sunfire Alternator Wiring Diagram

    draw.io is free online diagram software for making flowcharts, process diagrams, org charts, UML, ER and network diagrams

    Open and edit diagrams online with Draw.io, a free diagram software supporting various formats and diagram types.

    Create a new diagram, or open an existing diagram in your new tab. To create a new diagram, enter a Diagram Name and click the location where you want to save the file.

    Create flowcharts and diagrams online with this easy to use software.

    Create and edit diagrams with draw.io, a free diagramming tool that integrates seamlessly with Office 365.

    app.diagrams.net

    Easily import diagrams from Lucidchart to diagrams.net or draw.io with this simple tool.

    Access and integrate Google Drive files with Draw.io using the Google Picker tool for seamless diagram creation.

    Clearing Cached version 29.3.4... OK Update Start App

    confEmbedUpload=For a better editing experience, please use the regular draw.io macro to insert a blank diagram, then from (File menu → Import From → Device...) select the file you want to upload and embed.

    3 way switch,3 way switch wiring,3 way switch wiring diagram pdf,3 way wiring diagram,3way switch wiring diagram,4 prong dryer outlet wiring diagram,4 prong trailer wiring diagram,6 way trailer wiring diagram,7 pin trailer wiring diagram with brakes,7 pin wiring diagram,alternator wiring diagram,amp wiring diagram,automotive lighting,cable harness,chevrolet,diagram,dodge,doorbell wiring diagram,ecobee wiring diagram,electric motor,electrical connector,electrical wiring,electrical wiring diagram,ford,fuse,honeywell thermostat wiring diagram,ignition system,kenwood car stereo wiring diagram,light switch wiring diagram,lighting,motor wiring diagram,nest doorbell wiring diagram,nest hello wiring diagram,nest labs,nest thermostat,nest thermostat wiring diagram,phone connector,pin,pioneer wiring diagram,plug wiring diagram,pump,radio,radio wiring diagram,relay,relay wiring diagram,resistor,rj45 wiring diagram,schematic,semi-trailer truck,sensor,seven pin trailer wiring diagram,speaker wiring diagram,starter wiring diagram,stereo wiring diagram,stereophonic sound,strat wiring diagram,switch,switch wiring diagram,telecaster wiring diagram,thermostat wiring,thermostat wiring diagram,trailer brake controller,trailer plug wiring diagram,trailer wiring diagram,user guide,wire,wire diagram,wiring diagram,wiring diagram 3 way switch,wiring harness

    close