Peugeot 206 Wiring Diagram Owners Manual

Peugeot 206 Wiring Diagram Owners Manual

  • Category : Owners Manual
  • Post Date : January 27, 2026
Peugeot 206 Wiring Diagram Owners Manual 9 out of 10 based on 10 ratings. 60 user reviews.

Peugeot 206 Wiring Diagram Owners Manual

Peugeot 206 Wiring Diagram

Manual Peugeot 206 Fuel Injection System Wiring Diagrams

V Manual Peugeot 206 Fuel Injection System Wiring Diagrams

Airwell Dk Dn

Manual Peugeot 206 Fuel Injection System Wiring Diagrams

Manual Peugeot 206 Fuel Injection System Wiring Diagrams

Peugeot 206 1 4 Hdi Workshop Manual Wiring

V Manual Peugeot 206 Hdi Diesel Engine Management System

Peugeot 206 Wiring Diagrams Pre Post Heating Engine

Doosan Shop Manual U0026 Maintenance Manual Complete Pdf

V Manual Peugeot 2006 System Wiring Diagrams Airbags

Haynes Manual Wiring Diagrams In Pdf

Peugeot Wiring Diagrams

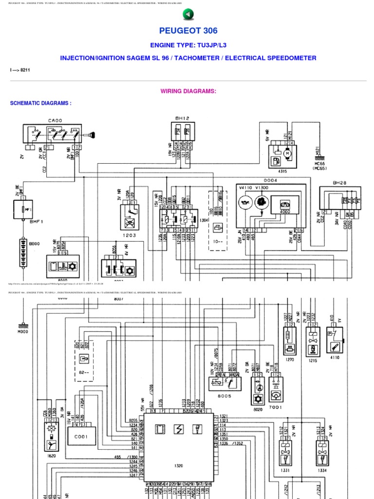
Peugeot 306 Wiring Diagrams

Tesla Model S Service Manual Wiring Diagram

Singer 630

2001-2003 Peugeot 307 Wiring Diagram

Peugeot Wiring Diagrams Repair Manual Order U0026 Download

Tesla Model S Service Manual Wiring Diagram

2013 Ford Focus Electric Wiring Diagram

1997 Saab 9000 Wiring Diagram

Peugeot Parts And Repair 2006 Parts Catalog Repair Manual

Mitsubishi Colt Repair Manual Service Manual Workshop

Peugeot Service Box 1 2014 Tis Epc Wds Wiring Diagrams Epc

Singer 630

Peugeot 406 1999

Volvo Fm7 9 10 12 Fh12 16 Nh12 Wiring Diagrams

2014 2015 2016 Honda Cbr650 F Fa Motorcycle Service Manual

Nissan 370 Z Electrical Wiring Diagram Manual Z34 2008 2012

Volvo Trucks Fe Wiring Diagrams Service Manuals Pdf Download

Sony Cdx

Peugeot Sbox Parts And Repair

1983 Fleetwood Pace Arrow Owners Manuals Onan 4 0 Kw Bfa

Las Lunas De Puertas Y De Custodia Descienden Hasta El

2003 Ford F

Cb450 Color Wiring Diagram Now Corrected

Electrolux Ewf10470w Wiring Diagram Service Manual

Hypertherm Max200 Service Manual User Manual

Service Manuals U0026 Wiring Diagrams Of Indian Cars

Read Peugeot Wiring Diagrams With Peugeot Service Box

Peugeot Sbox Parts Catalog Repair Manuals

Yamaha Grizzly 660 Atv Service Repair Manual By Kevinlee

1983 Fleetwood Pace Arrow Owners Manuals Onan 4 0 Kw Bfa

Volvo Service Manual Section 3 37 Component Wiring

Ford Yt16 Service Manual

Deutz Allis D5206 Tractor Wiring Diagram Service Manual

Auto Repair Manuals Caterpillar Service Manual Schematic

Claas Temis Workshop Service Manual Repair Manual

John Deere Gt235 Lawn Garden Tractor Service Repair Manual

Renault Espace J63 Wiring Diagram Service Manual Download

2006 Ford Econoline Van Wagon E150 E250 E350 E450

Toyota Land Cruiser Electrical Wiring Diagram Manual Pdf

Man Electrical System Tg

Service Manual U2013 Page 10 U2013 Circuit Wiring Diagrams

Cb450 Color Wiring Diagram Now Corrected

Rock

Peugeot 806

Diagram Peugeot 206 Wiring Diagram Owners Manual

  • Download Peugeot 206 Wiring Diagram Owners Manual

    draw.io is free online diagram software for making flowcharts, process diagrams, org charts, UML, ER and network diagrams

    Open and edit diagrams online with Draw.io, a free diagram software supporting various formats and diagram types.

    Create a new diagram, or open an existing diagram in your new tab. To create a new diagram, enter a Diagram Name and click the location where you want to save the file.

    Create flowcharts and diagrams online with this easy to use software.

    Create and edit diagrams with draw.io, a free diagramming tool that integrates seamlessly with Office 365.

    Easily import diagrams from Lucidchart to diagrams.net or draw.io with this simple tool.

    Access and integrate Google Drive files with Draw.io using the Google Picker tool for seamless diagram creation.

    Clearing Cached version 29.3.4... OK Update Start App

    confEmbedUpload=For a better editing experience, please use the regular draw.io macro to insert a blank diagram, then from (File menu → Import From → Device...) select the file you want to upload and embed.

    If you enter personal information into a diagram and perform an action that requires us to send that diagram to a server for processing, your personal data may be processed on that server, but never stored.

    3 way switch,3 way switch wiring,3 way switch wiring diagram pdf,3 way wiring diagram,3way switch wiring diagram,4 prong dryer outlet wiring diagram,4 prong trailer wiring diagram,6 way trailer wiring diagram,7 pin trailer wiring diagram with brakes,7 pin wiring diagram,alternator wiring diagram,amp wiring diagram,automotive lighting,cable harness,chevrolet,diagram,dodge,doorbell wiring diagram,ecobee wiring diagram,electric motor,electrical connector,electrical wiring,electrical wiring diagram,ford,fuse,honeywell thermostat wiring diagram,ignition system,kenwood car stereo wiring diagram,light switch wiring diagram,lighting,motor wiring diagram,nest doorbell wiring diagram,nest hello wiring diagram,nest labs,nest thermostat,nest thermostat wiring diagram,phone connector,pin,pioneer wiring diagram,plug wiring diagram,pump,radio,radio wiring diagram,relay,relay wiring diagram,resistor,rj45 wiring diagram,schematic,semi-trailer truck,sensor,seven pin trailer wiring diagram,speaker wiring diagram,starter wiring diagram,stereo wiring diagram,stereophonic sound,strat wiring diagram,switch,switch wiring diagram,telecaster wiring diagram,thermostat wiring,thermostat wiring diagram,trailer brake controller,trailer plug wiring diagram,trailer wiring diagram,user guide,wire,wire diagram,wiring diagram,wiring diagram 3 way switch,wiring harness

    close