Panasonic Sa Ak340 Diagram

Panasonic Sa Ak340 Diagram

  • Category : Ak340 Diagram
  • Post Date : January 26, 2026
Panasonic Sa Ak340 Diagram 9 out of 10 based on 30 ratings. 90 user reviews.

Panasonic Sa Ak340 Diagram

Panasonic Sa Ak340 Pdf Panasonic Sa Ak340 Pdf

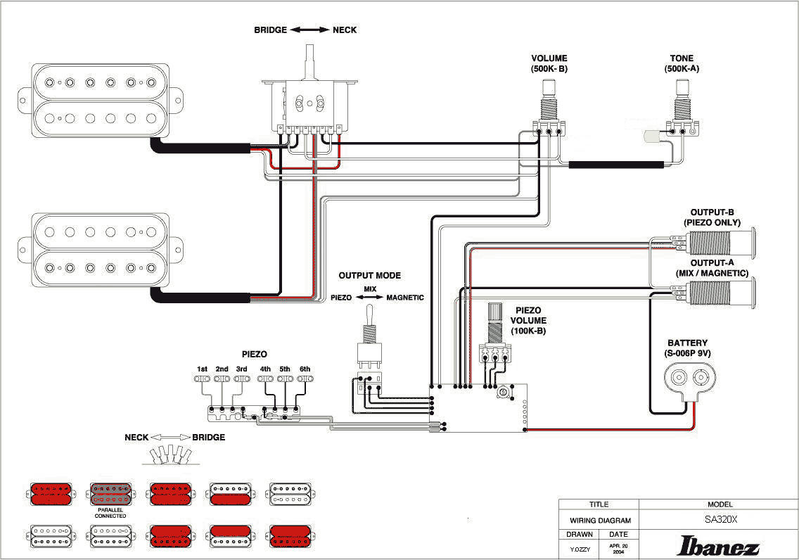
Pin On Main Diagram1

Pioneer Sa

Realistic Sta

Technics Sa

Technics Sa

Technics Sa

Sa200 Code 7307 Wiring Questions

Pioneer Sa

Pioneer Sa

October

I Have A Sa

Panasonic Sa-he100 - Forum

Sa320x

Panasonic Nv

Counterpoint Sa 220 Service Manual

Underground Transformer Station Type Pst-b 20 630

National

Springfield Armory 1911 Parts Diagrams

Lincoln Sa200 Wiring Diagrams

Solucionado Diagrama Equipo Sa-akx 14

Sa200 Generator Diag

Vz 61 Skorpion U2013 Forgotten Weapons

Sa250 Wiring

Panasonic Sa

Emg Sa Sa 85 With Exg Wiring Help

Diagram Panasonic Sa Ak340 Diagram

  • Download Panasonic Sa Ak340 Diagram

    draw.io is free online diagram software for making flowcharts, process diagrams, org charts, UML, ER and network diagrams

    Open and edit diagrams online with Draw.io, a free diagram software supporting various formats and diagram types.

    Create a new diagram, or open an existing diagram in your new tab. To create a new diagram, enter a Diagram Name and click the location where you want to save the file.

    Create flowcharts and diagrams online with this easy to use software.

    Create and edit diagrams with draw.io, a free diagramming tool that integrates seamlessly with Office 365.

    app.diagrams.net

    Easily import diagrams from Lucidchart to diagrams.net or draw.io with this simple tool.

    Access and integrate Google Drive files with Draw.io using the Google Picker tool for seamless diagram creation.

    Clearing Cached version 29.3.4... OK Update Start App

    confEmbedUpload=For a better editing experience, please use the regular draw.io macro to insert a blank diagram, then from (File menu → Import From → Device...) select the file you want to upload and embed.

    3 way switch,3 way switch wiring,3 way switch wiring diagram pdf,3 way wiring diagram,3way switch wiring diagram,4 prong dryer outlet wiring diagram,4 prong trailer wiring diagram,6 way trailer wiring diagram,7 pin trailer wiring diagram with brakes,7 pin wiring diagram,alternator wiring diagram,amp wiring diagram,automotive lighting,cable harness,chevrolet,diagram,dodge,doorbell wiring diagram,ecobee wiring diagram,electric motor,electrical connector,electrical wiring,electrical wiring diagram,ford,fuse,honeywell thermostat wiring diagram,ignition system,kenwood car stereo wiring diagram,light switch wiring diagram,lighting,motor wiring diagram,nest doorbell wiring diagram,nest hello wiring diagram,nest labs,nest thermostat,nest thermostat wiring diagram,phone connector,pin,pioneer wiring diagram,plug wiring diagram,pump,radio,radio wiring diagram,relay,relay wiring diagram,resistor,rj45 wiring diagram,schematic,semi-trailer truck,sensor,seven pin trailer wiring diagram,speaker wiring diagram,starter wiring diagram,stereo wiring diagram,stereophonic sound,strat wiring diagram,switch,switch wiring diagram,telecaster wiring diagram,thermostat wiring,thermostat wiring diagram,trailer brake controller,trailer plug wiring diagram,trailer wiring diagram,user guide,wire,wire diagram,wiring diagram,wiring diagram 3 way switch,wiring harness

    close