Onida Colour Tv Circuit Diagram

Onida Colour Tv Circuit Diagram

  • Category : Circuit Diagram
  • Post Date : January 26, 2026
Onida Colour Tv Circuit Diagram 9 out of 10 based on 30 ratings. 30 user reviews.

Onida Colour Tv Circuit Diagram

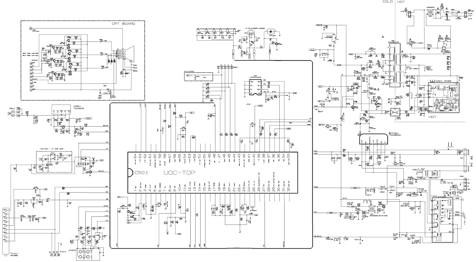
Colour Tv Circuit Diagram - Tmpa8873kpang6hv9

Colour Tv Circuit Diagram - Tmpa8873kpang6hv9

Color Tv Circuit Diagram - Tda11105

Schematic Diagrams Color Tv Circuit Diagrams

Schematic Diagrams Color Tv U2013 Slim And Ultra Slim Type

Rca Ct

Electronic Inspirations Philips Color Tv Circuit Diagram

Lg21fj6 U2013 Colour Tv U2013 Circuit Diagram U2013 Main Components

Sony Klv23hr2 Lcd Colour Tv

Sony Klv23hr2 Lcd Colour Tv

Schema Circuit Tv

Lg Tv Circuit Diagram

Circuit Diagram Of 8873 Tv Kit Pdf

Electro Help Tv2km-dvd

Crt Tv Circuit Board Diagram

Television Technical Data

Binatone Colour Tv Game Mk 10 Model No 01

Sony Klv23hr2 Lcd Colour Tv

Tv Transmitter Circuit Diagram

Switching Power Suplly For Color Television Circuit

Lg Crt Tv Circuit Diagram

Restoration Of A Samsung Crt Tv By Rejuvenating Crt

45 Years Anniversary Of Walter Bruch U0026 39 S Pal Color Television

Electronics Tricks And Tips Onida Igo Service Code

Rca Ct

Television Technical Data

Electro Help Philips 40pfl3606 - Lcd Tv

Schematic Centre

Color Television Receiver Block Diagram

Electronic Circuit Diagram Tv Crt Board Rgb Colour Using

Results Page About Permanent Magnet Generator Searching

Restoration Of A Samsung Crt Tv By Rejuvenating Crt

Sony Klv23hr2 Lcd Colour Tv

Sony Klv23hr2 Lcd Colour Tv

Colour Tv Camera Tutorial - Block Diagrams

Electro Help Mivar 14m4 - Color Tv

Xbox 360 Controller Circuit Board Diagram

Crt Tv Circuit Board Diagram

Television Technical Data

Bn44-00197

Colout Tv Fundamentals

Bestavison New Ckt Diagram

Tv Kits At Rs 850 Piece

Welcome Strw 6756 - Tv Power Supply Smps

Color Tv Pincushion Correction Circuit Diagram 8

Tv2km-dvd

Tcl Color Tv

Color Tv Pincushion Correction Circuit Diagram 4

Videocon Tv Circuit Diagram Model No

Videocon Tv Circuit Diagram Model No

Panasonic National Mx8c Movement Color Tv Remote

Service Manual China Colour Tv Multi

Diagram Onida Colour Tv Circuit Diagram

  • Download Onida Colour Tv Circuit Diagram

    draw.io is free online diagram software for making flowcharts, process diagrams, org charts, UML, ER and network diagrams

    Open and edit diagrams online with Draw.io, a free diagram software supporting various formats and diagram types.

    Create a new diagram, or open an existing diagram in your new tab. To create a new diagram, enter a Diagram Name and click the location where you want to save the file.

    Easily import diagrams from Lucidchart to diagrams.net or draw.io with this simple tool.

    Create and edit diagrams with draw.io, a free diagramming tool that integrates seamlessly with Office 365.

    Create flowcharts and diagrams online with this easy to use software.

    app.diagrams.net

    Access and integrate Google Drive files with Draw.io using the Google Picker tool for seamless diagram creation.

    Clearing Cached version 29.3.4... OK Update Start App

    7.2 The Software will initiate transfers of data forming part of the Diagrams (“Diagram Data”) to services supplied by third parties when you expressly request conversion of Diagrams: a. to another supported file format; and b. to PDF format.

    3 way switch,3 way switch wiring,3 way switch wiring diagram pdf,3 way wiring diagram,3way switch wiring diagram,4 prong dryer outlet wiring diagram,4 prong trailer wiring diagram,6 way trailer wiring diagram,7 pin trailer wiring diagram with brakes,7 pin wiring diagram,alternator wiring diagram,amp wiring diagram,automotive lighting,cable harness,chevrolet,diagram,dodge,doorbell wiring diagram,ecobee wiring diagram,electric motor,electrical connector,electrical wiring,electrical wiring diagram,ford,fuse,honeywell thermostat wiring diagram,ignition system,kenwood car stereo wiring diagram,light switch wiring diagram,lighting,motor wiring diagram,nest doorbell wiring diagram,nest hello wiring diagram,nest labs,nest thermostat,nest thermostat wiring diagram,phone connector,pin,pioneer wiring diagram,plug wiring diagram,pump,radio,radio wiring diagram,relay,relay wiring diagram,resistor,rj45 wiring diagram,schematic,semi-trailer truck,sensor,seven pin trailer wiring diagram,speaker wiring diagram,starter wiring diagram,stereo wiring diagram,stereophonic sound,strat wiring diagram,switch,switch wiring diagram,telecaster wiring diagram,thermostat wiring,thermostat wiring diagram,trailer brake controller,trailer plug wiring diagram,trailer wiring diagram,user guide,wire,wire diagram,wiring diagram,wiring diagram 3 way switch,wiring harness

    close