Nissan Rogue Parts Diagram

Nissan Rogue Parts Diagram

  • Category : Parts Diagram
  • Post Date : January 27, 2026
Nissan Rogue Parts Diagram 9 out of 10 based on 50 ratings. 30 user reviews.

Nissan Rogue Parts Diagram

Parts Com U00ae

403 6

62090

2008 Nissan Rogue Oem Parts

Parts Com U00ae

H5094

F2210-1a41a

27163

2008 Nissan Rogue Front Bumper

Parts Com U00ae

68964

301 Moved Permanently

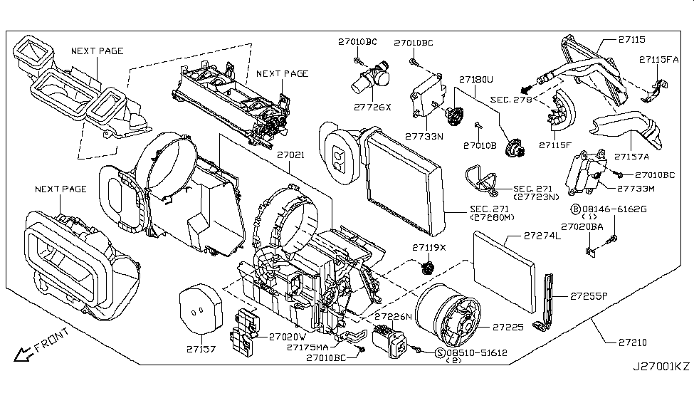
Nissan 165544cl0d Genuine Oem Air Inlet Duct For Sale

Parts Com U00ae

28710-4ba0c

2015 Nissan Rogue Oem Parts

H5022

2012 Nissan Rogue Oem Parts

Parts Com U00ae

62254

Parts Com U00ae

Parts Com U00ae

Parts Com U00ae

2016 Nissan Rogue Oem Parts

Parts Com U00ae

2014 Nissan Rogue Select Oem Parts

62530-jm00a

Parts Com U00ae

403 6

2008 Nissan Rogue Oem Parts

85022

25230

2014 Nissan Rogue Parts

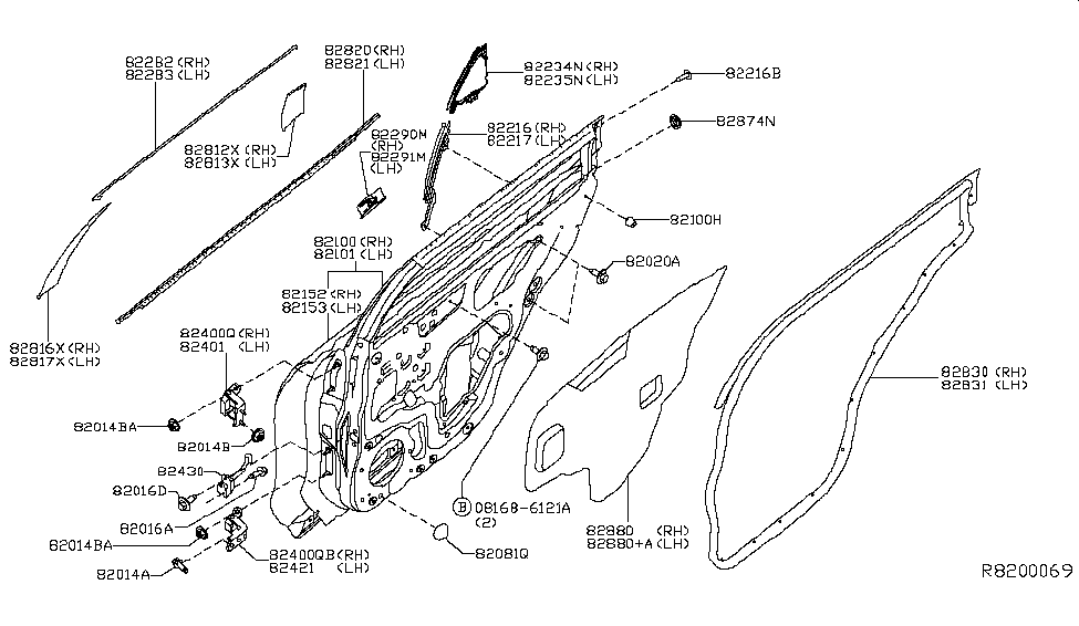
Nissan Rogue Service Manual Component Parts

Parts Com U00ae

Parts Com U00ae

Nissan Rogue Radiator Support Splash Shield Front Lower

Parts Com U00ae

Parts Com U00ae

Parts Com U00ae

Parts Com U00ae

82831-6fl0a

2015 Nissan Rogue Bumper Cover Front Upper

11 Awesome Models Of 2015 Nissan Rogue Parts Diagram

26555-6fl0d

54501-jg00a

Parts Com U00ae

2015 Nissan Rogue Oem Parts

2008 Nissan Rogue Belt Diagram

90940

24011

28800

Diagram Nissan Rogue Parts Diagram

  • Download Nissan Rogue Parts Diagram

    draw.io is free online diagram software for making flowcharts, process diagrams, org charts, UML, ER and network diagrams

    Open and edit diagrams online with Draw.io, a free diagram software supporting various formats and diagram types.

    Create a new diagram, or open an existing diagram in your new tab. To create a new diagram, enter a Diagram Name and click the location where you want to save the file.

    Create flowcharts and diagrams online with this easy to use software.

    Create and edit diagrams with draw.io, a free diagramming tool that integrates seamlessly with Office 365.

    Easily import diagrams from Lucidchart to diagrams.net or draw.io with this simple tool.

    Access and integrate Google Drive files with Draw.io using the Google Picker tool for seamless diagram creation.

    Clearing Cached version 29.3.4... OK Update Start App

    confEmbedUpload=For a better editing experience, please use the regular draw.io macro to insert a blank diagram, then from (File menu → Import From → Device...) select the file you want to upload and embed.

    If you enter personal information into a diagram and perform an action that requires us to send that diagram to a server for processing, your personal data may be processed on that server, but never stored.

    3 way switch,3 way switch wiring,3 way switch wiring diagram pdf,3 way wiring diagram,3way switch wiring diagram,4 prong dryer outlet wiring diagram,4 prong trailer wiring diagram,6 way trailer wiring diagram,7 pin trailer wiring diagram with brakes,7 pin wiring diagram,alternator wiring diagram,amp wiring diagram,automotive lighting,cable harness,chevrolet,diagram,dodge,doorbell wiring diagram,ecobee wiring diagram,electric motor,electrical connector,electrical wiring,electrical wiring diagram,ford,fuse,honeywell thermostat wiring diagram,ignition system,kenwood car stereo wiring diagram,light switch wiring diagram,lighting,motor wiring diagram,nest doorbell wiring diagram,nest hello wiring diagram,nest labs,nest thermostat,nest thermostat wiring diagram,phone connector,pin,pioneer wiring diagram,plug wiring diagram,pump,radio,radio wiring diagram,relay,relay wiring diagram,resistor,rj45 wiring diagram,schematic,semi-trailer truck,sensor,seven pin trailer wiring diagram,speaker wiring diagram,starter wiring diagram,stereo wiring diagram,stereophonic sound,strat wiring diagram,switch,switch wiring diagram,telecaster wiring diagram,thermostat wiring,thermostat wiring diagram,trailer brake controller,trailer plug wiring diagram,trailer wiring diagram,user guide,wire,wire diagram,wiring diagram,wiring diagram 3 way switch,wiring harness

    close