Nissan 1400 Wiring Diagram Pdf

Nissan 1400 Wiring Diagram Pdf

  • Category : Diagram Pdf
  • Post Date : January 27, 2026
Nissan 1400 Wiring Diagram Pdf 9 out of 10 based on 60 ratings. 70 user reviews.

Nissan 1400 Wiring Diagram Pdf

Nissan 1400 Wiring Diagram Pdf

Nissan 1400 Wiring Diagram Pdf

Nissan 1400 Electrical Wiring Diagram

Nissan 1400 Champ Wiring Diagram

Wiring Diagram For Nissan 1400 Bakkie 7

Wiring Diagram For Nissan 1400 Bakkie 5

Subaru 1400 1600 1977 Wiring Diagrams

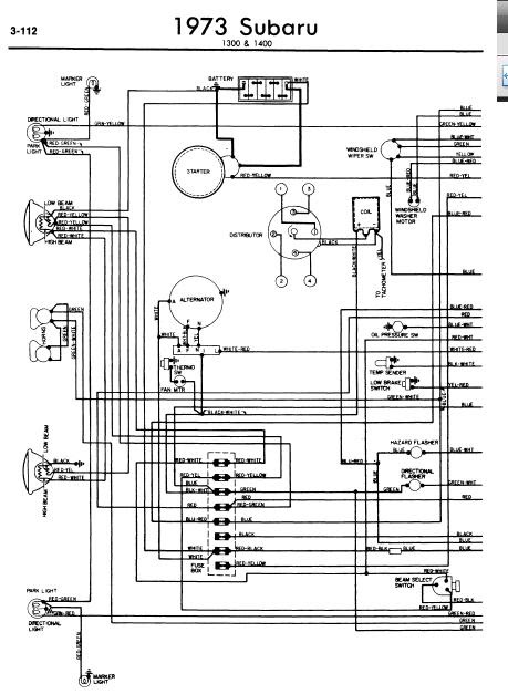
Subaru 1300 1400 1973 Wiring Diagrams

Wiring Diagram For Nissan 1400 Bakkie 1

U00bfdonde Puedo Descargar A Conseguir Un Diagrama Electrico De Una Intruder 1400 Mod 2000

Nissan 1400 Engine Diagram

Nissan Ud Trucks Repair Manuals Download Wiring Diagram Electronic Parts Catalog Epc

Nissan 1400 Diff Diagram

Nissan 1400 Bakkie Wiring Diagram

Nissan Ud Trucks 1200 1400 1800 2000 2300 2600 3000 3300

Nissan 1400 Carburettor Diagram

Wiring Diagram For Nissan 1400 Bakkie 3

Have A 2009 Ud 1400 W 4 7 Diesel It Has Low Power And Check Eng Light Is On I Know There Is A

Nissan 1400 Engine Diagram

Nissan 1400 Carburettor Diagram

Diagram Of Nissan 1400 Gearbox

Nissan 1400 Champ Wiring Diagram

1761 Cbl Pm02 Wiring Diagram Sample

Wiring Diagram For Nissan 1400 Bakkie 4

56 Wiring Your Controller

Kawasaki Motorcycles 1400gtr Concours 14 14abs Sm Pdf

Diagram Of Nissan 1400 Gearbox

Nissan Civilian Workshop Manual Pdf

Nissan Ud Trucks

Wiring Harness For 1996 Suzuki Vs1400

Rockwell Automation

Wiring Diagrams

Long 1400 Tractor Loader Backhoe 5 N 1 Series Service Manual

Long 1400 Tractor Loader Backhoe 5 N 1 Series Service Manual

Suzuki Vs1400 Intruder 1987-1993 Service Repair Manual Pdf

Suzuki Gsx 1400 2000

Micrologix 1200 Power Up - Plcs Net

Block Diagram M U20221400 M U20221400i Specifications M U20221400 M U20221400i

1766 L32bwa Wiring Diagram

Epson Action 1000

Diagram Nissan 1400 Wiring Diagram Pdf

  • Download Nissan 1400 Wiring Diagram Pdf

    draw.io is free online diagram software for making flowcharts, process diagrams, org charts, UML, ER and network diagrams

    Open and edit diagrams online with Draw.io, a free diagram software supporting various formats and diagram types.

    Create a new diagram, or open an existing diagram in your new tab. To create a new diagram, enter a Diagram Name and click the location where you want to save the file.

    Create flowcharts and diagrams online with this easy to use software.

    Create and edit diagrams with draw.io, a free diagramming tool that integrates seamlessly with Office 365.

    app.diagrams.net

    Easily import diagrams from Lucidchart to diagrams.net or draw.io with this simple tool.

    Access and integrate Google Drive files with Draw.io using the Google Picker tool for seamless diagram creation.

    Clearing Cached version 29.3.4... OK Update Start App

    confEmbedUpload=For a better editing experience, please use the regular draw.io macro to insert a blank diagram, then from (File menu → Import From → Device...) select the file you want to upload and embed.

    3 way switch,3 way switch wiring,3 way switch wiring diagram pdf,3 way wiring diagram,3way switch wiring diagram,4 prong dryer outlet wiring diagram,4 prong trailer wiring diagram,6 way trailer wiring diagram,7 pin trailer wiring diagram with brakes,7 pin wiring diagram,alternator wiring diagram,amp wiring diagram,automotive lighting,cable harness,chevrolet,diagram,dodge,doorbell wiring diagram,ecobee wiring diagram,electric motor,electrical connector,electrical wiring,electrical wiring diagram,ford,fuse,honeywell thermostat wiring diagram,ignition system,kenwood car stereo wiring diagram,light switch wiring diagram,lighting,motor wiring diagram,nest doorbell wiring diagram,nest hello wiring diagram,nest labs,nest thermostat,nest thermostat wiring diagram,phone connector,pin,pioneer wiring diagram,plug wiring diagram,pump,radio,radio wiring diagram,relay,relay wiring diagram,resistor,rj45 wiring diagram,schematic,semi-trailer truck,sensor,seven pin trailer wiring diagram,speaker wiring diagram,starter wiring diagram,stereo wiring diagram,stereophonic sound,strat wiring diagram,switch,switch wiring diagram,telecaster wiring diagram,thermostat wiring,thermostat wiring diagram,trailer brake controller,trailer plug wiring diagram,trailer wiring diagram,user guide,wire,wire diagram,wiring diagram,wiring diagram 3 way switch,wiring harness

    close