Moldel 10 10 Mcculloch Chainsaws Diagram Of Carburator

Moldel 10 10 Mcculloch Chainsaws Diagram Of Carburator

  • Category : Of Carburator
  • Post Date : January 27, 2026
Moldel 10 10 Mcculloch Chainsaws Diagram Of Carburator 9 out of 10 based on 10 ratings. 60 user reviews.

Moldel 10 10 Mcculloch Chainsaws Diagram Of Carburator

Mcculloch Chainsaw Carburetor Assembly Parts

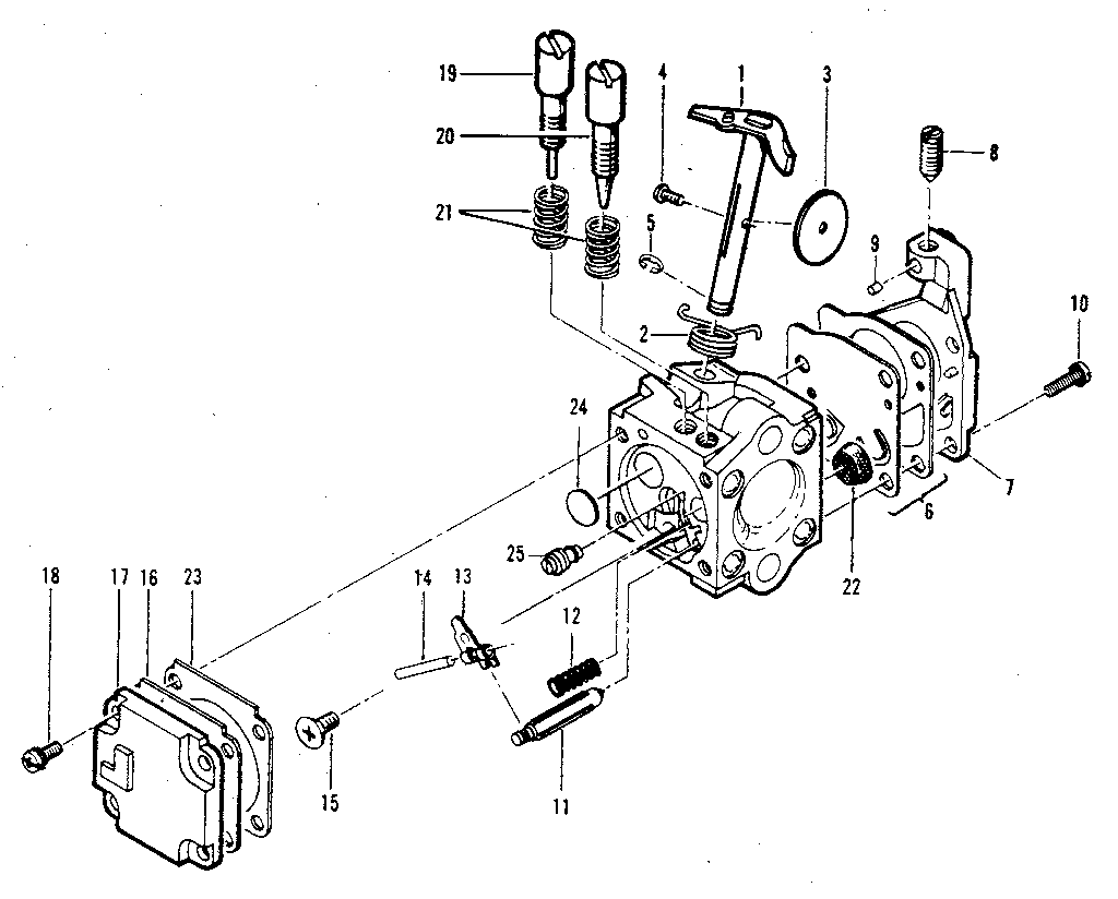
Mcculloch Promac 10 10s Chainsaw Service Parts List

Mcculloch Pro Mac 610 Chain Saw Complete Carburetor Zama Parts

Muffler Assy 93992 Mcculloch 10-10 555 570 Chainsaw

Mcculloch Promac 10 10s Chainsaw Service Parts List

Mcculloch Chain Saw Figure 5

Mcculloch Promac 10 10s Chainsaw Service Parts List

Mcculloch Promac 10 10s Chainsaw Service Parts List

Mcculloch Chainsaw Parts

Mcculloch Mac 4

Mcculloch Mcculloch Chainsaw Parts

Mtd Mb3202 41br322g077

Mcculloch Promac 10 10s Chainsaw Service Parts List

Mcculloch Chainsaw Parts

Mcculloch Chainsaw Powerhead Assembly Parts

Mcculloc Pro Mac 10

40 Mcculloch Chainsaw Chains 2pcs 16quot Chainsaw Saw Chain 3 8 Pitch For Mcculloch

Mcculloch Pro Mac 510 Chainsaw Oem

Mtd Ms1635av 41by65aq077

Mcculloch Xtreme 8

Mcculloch Mcculloch Chainsaw Parts

Mcculloch Promac 10 10s Chainsaw Service Parts List

Wildcat 38cc Mcculloch Chain Saw Parts List 1989

New Mcculloch 10

Mcculloch Pro Mac 10

Mcculloch Pro Mac 10

Mcculloch Pro Mac 10

Walbro Sdc Rebuild Kit Carburetor Mcculloch Mac 10

Mcculloch Power Mac 310 Chainsaw Oem

Tillotson Hs165a Carb Mcculloch Chain Saw Carburetor 7

Mcculloch Sdc Carburetor Repair Rebuild Kit Mac Promac 700 8200 Pm 10 10

Mcculloch Mac 10-10 Carburetor Cleaning And Fuel Line Replacement

Mcculloch Pro Mac 10

Mcculloch 10

Mcculloch Chainsaw

Mcculloch 4000 Chainsaw Parts Diagram And Tuning Information U2013 T R O L L I N G H E A V Y

Mnl

Mcculloch Cs380 966631502 Chainsaw Spares U0026 Parts

Mcculloch Pro-mac 10-10 Chainsaw

U041a U0430 U043a U043e U0442 U0440 U0435 U0433 U0443 U043b U0438 U0440 U043e U0432 U0430 U0442 U044c U043a U0430 U0440 U0431 U044e U0440 U0430 U0442 U043e U0440 U043d U0430 U0431 U0435 U043d U0437 U043e U043f U0438 U043b U0435 U0425 U0443 U0441 U043a U0432 U0430 U0440 U043d U0430

Mcculloch Mac 15 Chainsaw Tillotson Hc Carburetor Rebuilt

Mcculloch Pro Mac 10

Mcculloch Pro Mac 10-10 Chainsaw Oem

Mcculloch Pro Mac 10

Mcculloch Pm 610 Chainsaw Rebuild Kit Walbro Carb

Tillotson Hu

Mcculloch 10 10 Automatic Chainsaw

Mac 10

Mcculloch Pro Mac 10-10 Chainsaw Oem

Mcculloch Parts

Mcculloch Pro Mac 10

Mcculloch Pro Mac 10

Rare Carburetor Pump Diaphragm 67357 Mcculloch Chainsaw

Mcculloch Mac Cat 839 11

Mcculloch Pro Mac 10

301 Moved Permanently

Diagram Moldel 10 10 Mcculloch Chainsaws Diagram Of Carburator

  • Download Moldel 10 10 Mcculloch Chainsaws Diagram Of Carburator

    draw.io is free online diagram software for making flowcharts, process diagrams, org charts, UML, ER and network diagrams

    Open and edit diagrams online with Draw.io, a free diagram software supporting various formats and diagram types.

    Create a new diagram, or open an existing diagram in your new tab. To create a new diagram, enter a Diagram Name and click the location where you want to save the file.

    Create flowcharts and diagrams online with this easy to use software.

    Create and edit diagrams with draw.io, a free diagramming tool that integrates seamlessly with Office 365.

    Easily import diagrams from Lucidchart to diagrams.net or draw.io with this simple tool.

    Access and integrate Google Drive files with Draw.io using the Google Picker tool for seamless diagram creation.

    Clearing Cached version 29.3.4... OK Update Start App

    confEmbedUpload=For a better editing experience, please use the regular draw.io macro to insert a blank diagram, then from (File menu → Import From → Device...) select the file you want to upload and embed.

    If you enter personal information into a diagram and perform an action that requires us to send that diagram to a server for processing, your personal data may be processed on that server, but never stored.

    3 way switch,3 way switch wiring,3 way switch wiring diagram pdf,3 way wiring diagram,3way switch wiring diagram,4 prong dryer outlet wiring diagram,4 prong trailer wiring diagram,6 way trailer wiring diagram,7 pin trailer wiring diagram with brakes,7 pin wiring diagram,alternator wiring diagram,amp wiring diagram,automotive lighting,cable harness,chevrolet,diagram,dodge,doorbell wiring diagram,ecobee wiring diagram,electric motor,electrical connector,electrical wiring,electrical wiring diagram,ford,fuse,honeywell thermostat wiring diagram,ignition system,kenwood car stereo wiring diagram,light switch wiring diagram,lighting,motor wiring diagram,nest doorbell wiring diagram,nest hello wiring diagram,nest labs,nest thermostat,nest thermostat wiring diagram,phone connector,pin,pioneer wiring diagram,plug wiring diagram,pump,radio,radio wiring diagram,relay,relay wiring diagram,resistor,rj45 wiring diagram,schematic,semi-trailer truck,sensor,seven pin trailer wiring diagram,speaker wiring diagram,starter wiring diagram,stereo wiring diagram,stereophonic sound,strat wiring diagram,switch,switch wiring diagram,telecaster wiring diagram,thermostat wiring,thermostat wiring diagram,trailer brake controller,trailer plug wiring diagram,trailer wiring diagram,user guide,wire,wire diagram,wiring diagram,wiring diagram 3 way switch,wiring harness

    close