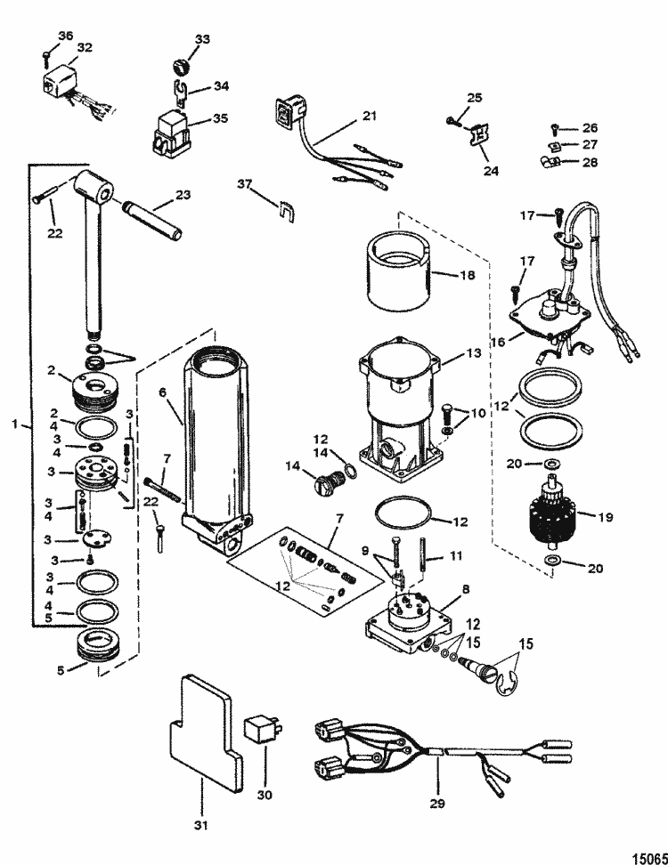
Mercruiser Trim Diagram

Mercruiser Trim Diagram

  • Category : Trim Diagram
  • Post Date : January 26, 2026
Mercruiser Trim Diagram 9 out of 10 based on 100 ratings. 90 user reviews.

Mercruiser Trim Diagram

Door Trim Canley Classics

Wiring Tach From Johnson Controls Page 1

Trim Gauge 1998 Johnson 115 What Colour On Wire To I

Mariner 60 Hp 3 Cylinder Bigfoot Power Trim Components Parts

Single Solenoid Trim Pump Wiring Page 1

Omc Stern Drive Power Trim And Tilt Parts For 1990 2 3 L

Mercury Marine Trim Tilt Lift Systems U0026 Components

Mercruiser Trim Pump Problem S Page 1

Johnson 1999 50 - J50pleea Power Trim Tilt

Mercury Marine Trim Tilt Lift Systems U0026 Components

Wiring Diagrams

How To Wire Power Trim Silinoid And 2 Switches

Wiring Diagram For Motor Trim Solenoid Page 1

Dumb Trim Question

Evinrude Outboard Parts By Year 2001 Oem Parts Diagram For

Johnson 1991 200 Tilt Electrical

Johnson Outboard Parts By Year 1989 Oem Parts Diagram For

Mercury Control Box With Trim Wiring Question Page 1

1987 50hp Johnson Trim And Tilt Wiring Question Page 1

Mercury Mariner 35 Power Trim Components

Johnson Outboard Parts By Year 1978 Oem Parts Diagram For

How To Trim Any Boat

60 Fresh Mercury Outboard Power Trim Wiring Diagram Images

Where Can I Find A Wiring Diagram For A Trim Pump With A

I Have Found Every Mercruiser Trim Wiring Diagram

Hometown Metal Supplies

Mercury Trim Motor Wiring Diagram Download

My Tilt Trim Motor Will Not Stop Running I Have To Pull

Five Easy Ways To Facilitate Tilt Trim

Mercury Trim Motor Wiring Diagram Download

Metal Trim Diagram

Chrysler Force Outboard Trim Motors Solenoids Relays

Mercruiser 496 Mag H O Model Trim Pump U0026 Motor

Aircrafttrimdiagram2

I Have A 1981 Outboard With Power Trim And Tilt When You

Generac 005072 Trim

Bennett Trim Tab Rocker Switch Wiring Diagram

Everything You Wanted To Know About Bennett Trim Tabs

Yamaha Outboard Parts By Year 2000 Oem Parts Diagram For

Evinrude 1997 90 Tilt Electrical

Mercruiser Trim Solenoid Wiring Diagram

2006 U0026 Later Yamaha Power Trim U0026 Tilt Assembly 1 Parts For

Trim Switch - Boat Talk

Evinrude 1993 225 Tilt Hydraulic

How To Install A Trim And Tilt On My1979

Trim Pump Assembly Complete For Mercruiser 496 Mag Sterndrive

Evinrude 1990 225 Tilt Hydraulic

Johnson 1997 70

Diagram Mercruiser Trim Diagram

  • Download Mercruiser Trim Diagram

    draw.io is free online diagram software for making flowcharts, process diagrams, org charts, UML, ER and network diagrams

    Open and edit diagrams online with Draw.io, a free diagram software supporting various formats and diagram types.

    Create a new diagram, or open an existing diagram in your new tab. To create a new diagram, enter a Diagram Name and click the location where you want to save the file.

    Easily import diagrams from Lucidchart to diagrams.net or draw.io with this simple tool.

    Create and edit diagrams with draw.io, a free diagramming tool that integrates seamlessly with Office 365.

    Create flowcharts and diagrams online with this easy to use software.

    app.diagrams.net

    Access and integrate Google Drive files with Draw.io using the Google Picker tool for seamless diagram creation.

    Clearing Cached version 29.3.4... OK Update Start App

    7.2 The Software will initiate transfers of data forming part of the Diagrams (“Diagram Data”) to services supplied by third parties when you expressly request conversion of Diagrams: a. to another supported file format; and b. to PDF format.

    3 way switch,3 way switch wiring,3 way switch wiring diagram pdf,3 way wiring diagram,3way switch wiring diagram,4 prong dryer outlet wiring diagram,4 prong trailer wiring diagram,6 way trailer wiring diagram,7 pin trailer wiring diagram with brakes,7 pin wiring diagram,alternator wiring diagram,amp wiring diagram,automotive lighting,cable harness,chevrolet,diagram,dodge,doorbell wiring diagram,ecobee wiring diagram,electric motor,electrical connector,electrical wiring,electrical wiring diagram,ford,fuse,honeywell thermostat wiring diagram,ignition system,kenwood car stereo wiring diagram,light switch wiring diagram,lighting,motor wiring diagram,nest doorbell wiring diagram,nest hello wiring diagram,nest labs,nest thermostat,nest thermostat wiring diagram,phone connector,pin,pioneer wiring diagram,plug wiring diagram,pump,radio,radio wiring diagram,relay,relay wiring diagram,resistor,rj45 wiring diagram,schematic,semi-trailer truck,sensor,seven pin trailer wiring diagram,speaker wiring diagram,starter wiring diagram,stereo wiring diagram,stereophonic sound,strat wiring diagram,switch,switch wiring diagram,telecaster wiring diagram,thermostat wiring,thermostat wiring diagram,trailer brake controller,trailer plug wiring diagram,trailer wiring diagram,user guide,wire,wire diagram,wiring diagram,wiring diagram 3 way switch,wiring harness

    close