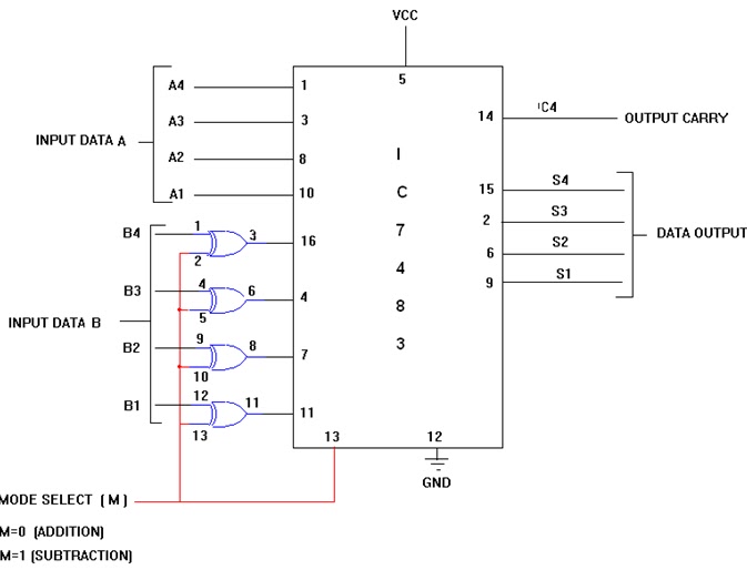
Logic Diagram Of Ic 7483

Logic Diagram Of Ic 7483

  • Category : Ic 7483
  • Post Date : January 27, 2026
Logic Diagram Of Ic 7483 9 out of 10 based on 90 ratings. 70 user reviews.

Logic Diagram Of Ic 7483

Adders With Their Complete Circuits Ci 7483

Draw A Neat Circuit Of Bcd Adder Using Ic 7483 And Explain

Circuits For 7483

Ece 201

Ece 201

Bds Project Final Documentation

343logic

Bcd Adder Using Ic 7483 Images

Solved Question 1 Adder Ic 74ls83 The Circuit Diagram

Ee

De Lab Manual

Design A 1 Digit Bcd Adder Using Ic 7483 And Explain The

8bit Uac00 Uac10 Uc0b0 Uae30 Ub124 Uc774 Ubc84 Ube14 Ub85c Uadf8

Srkr Ece Materials Ic 7483 Adder Subtractor

De Lab Manual

74 Series Digital Circuit Of 7483a 74ls83a Synchronous 4

Experiments No 6-11

343logic

Diagram For Full Adder

What Is The Digital Circuit For Adding And Subtracting Two

Z86e03

Kumpul Artikle Data Sheet Dadu Elektronik

Solved Design A 4 Subtractor Using The 7483 And

What Is The Digital Circuit For Adding And Subtracting Two

Line Output Transformer Flyback Hr7483 Hr 7483

Modal Title

Pin Configuration Of Ic 7483 U2013 Economical Home Lighting

Manpreet Singh M K

74ls83

De Lab Manual

Digital Electronics Lab

Untitled Document Angelfire Com

Bcd Adder Using Ic 7483 Images

Scsvmv Dsd Lab Manual Kms

Design A 1 Digit Bcd Adder Using Ic 7483 And Explain The

Bcd Adder Using Ic 7483 Images

74150 Ic Pinout Diagram

Somme En Parall U00c8le Avec Retenue S U00c9rie

74ls85

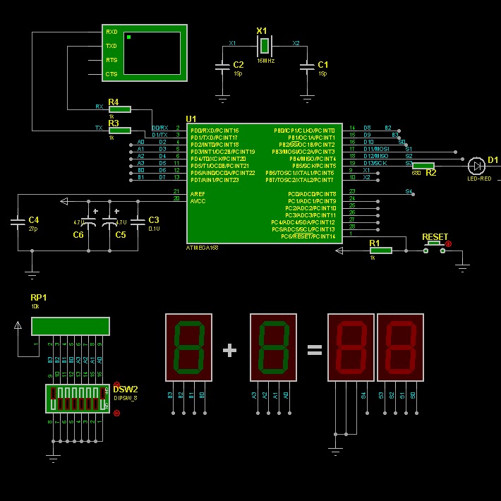
Arduino At Hualien Arduino Simulate Ic 7483

Tda7430

Datasheet Ic La7222

Binary Parallel Adder Ic 74ls83 74ls283

Adders With Their Complete Circuits Ci 7483

How To Display The Result Of A 3

Digital Electronics Lab

4d6 Manual

Lcd Projects

Multiplexed Clock Dlsplay

What Is The Logic Diagram Of 4 Bit Subtractor

What Is The Digital Circuit For Adding And Subtracting Two

Scsvmv Dsd Lab Manual Kms

Rangkaian Full Adder 4 Bit Dan 8 Bit

Lm4732 Ic Pinout Diagram

Tda1535 Pin Connection Diagram And Pin Fucntions And Pin

Tda2005 Pinout Connection Diagram

Diagram Logic Diagram Of Ic 7483

  • Download Logic Diagram Of Ic 7483

    draw.io is free online diagram software for making flowcharts, process diagrams, org charts, UML, ER and network diagrams

    Open and edit diagrams online with Draw.io, a free diagram software supporting various formats and diagram types.

    Create a new diagram, or open an existing diagram in your new tab. To create a new diagram, enter a Diagram Name and click the location where you want to save the file.

    Create flowcharts and diagrams online with this easy to use software.

    Create and edit diagrams with draw.io, a free diagramming tool that integrates seamlessly with Office 365.

    Easily import diagrams from Lucidchart to diagrams.net or draw.io with this simple tool.

    Access and integrate Google Drive files with Draw.io using the Google Picker tool for seamless diagram creation.

    Clearing Cached version 29.3.4... OK Update Start App

    confEmbedUpload=For a better editing experience, please use the regular draw.io macro to insert a blank diagram, then from (File menu → Import From → Device...) select the file you want to upload and embed.

    If you enter personal information into a diagram and perform an action that requires us to send that diagram to a server for processing, your personal data may be processed on that server, but never stored.

    3 way switch,3 way switch wiring,3 way switch wiring diagram pdf,3 way wiring diagram,3way switch wiring diagram,4 prong dryer outlet wiring diagram,4 prong trailer wiring diagram,6 way trailer wiring diagram,7 pin trailer wiring diagram with brakes,7 pin wiring diagram,alternator wiring diagram,amp wiring diagram,automotive lighting,cable harness,chevrolet,diagram,dodge,doorbell wiring diagram,ecobee wiring diagram,electric motor,electrical connector,electrical wiring,electrical wiring diagram,ford,fuse,honeywell thermostat wiring diagram,ignition system,kenwood car stereo wiring diagram,light switch wiring diagram,lighting,motor wiring diagram,nest doorbell wiring diagram,nest hello wiring diagram,nest labs,nest thermostat,nest thermostat wiring diagram,phone connector,pin,pioneer wiring diagram,plug wiring diagram,pump,radio,radio wiring diagram,relay,relay wiring diagram,resistor,rj45 wiring diagram,schematic,semi-trailer truck,sensor,seven pin trailer wiring diagram,speaker wiring diagram,starter wiring diagram,stereo wiring diagram,stereophonic sound,strat wiring diagram,switch,switch wiring diagram,telecaster wiring diagram,thermostat wiring,thermostat wiring diagram,trailer brake controller,trailer plug wiring diagram,trailer wiring diagram,user guide,wire,wire diagram,wiring diagram,wiring diagram 3 way switch,wiring harness

    close