Logic Diagram 7493

Logic Diagram 7493

  • Category : Diagram 7493
  • Post Date : January 26, 2026
Logic Diagram 7493 9 out of 10 based on 20 ratings. 60 user reviews.

Logic Diagram 7493

Asynchronous Binary Counters

7493 Pdf - Decade And Binary Counters - Ti

Solved The Circuit Diagram Is Given For A 7493 Counter Ic

Digital To Analog Converter Using R 2r Ladder Network And

Build A 4-bit Binary Counter With 5x7 Led Matrix

Proyectos Electronicos Contador Binario De 8 Bits Con 7493

Ppt

Ppt - Overview Of Counters Powerpoint Presentation

Counter Circuit Page 6 Meter Counter Circuits Next Gr

Counters

Build A 4-bit Binary Counter With 5x7 Led Matrix

Counter Ics

Models 7493 Ic Pin Layout

Programable Up Counter Dengan 7493

Hendrakp Aplikasi J

Logic Diagram 7493

Solved Refer To Fig 8

Vsc Overview

Galactic Electronics Projects

Logic Diagram 7493

74150 Ic Pinout Diagram

Ttl

Tda7232

Elc 111 Class Work

7493 Datasheet Pdf Pinout

Logic Diagram 7493

Contador Modulo 87 74ls93

Tda7295

Binary Counter Circuit

Hyb4164

Ic 7493 Datasheet Pdf

Lm3914 Ic Pinout Connection Diagram

Powerpoint Diagram Of Five Stages 3d

Circuit Diagram Of Digital Clock Using Counters

Th Marine Cmc Trim And Tilt Relay 7493

Schematic Diagram Simple Touch Operated Switch Circuit

Tda7490l Pin Out Diagram And Pin Function

Logic Diagram 7493

7490 Ic Pictures To Pin On Pinterest

Models 7493 Ic Pin Layout

Counters

Mod 2 8 16 Counter Using Ic 7493

Dsc-7493 Images

7493 Counter Ic

Tda1535 Pin Connection Diagram And Pin Fucntions And Pin

Sabikan S Binary Counter

Logic Diagram 7493

Logic Diagram 7493

Led Indicator Light U2013 Electronics Project

7490 Ic Pictures To Pin On Pinterest

Tda7262

Electronics Projects

Tda7454

Tda7233 - Integrated Circuits Elektropage

Logic Diagram 7493

Logic Diagram 7493

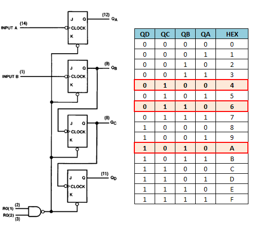
Solved A 7493 Figure 15 Is An Asynchronous 4

Diagram Logic Diagram 7493

  • Download Logic Diagram 7493

    draw.io is free online diagram software for making flowcharts, process diagrams, org charts, UML, ER and network diagrams

    Open and edit diagrams online with Draw.io, a free diagram software supporting various formats and diagram types.

    Create a new diagram, or open an existing diagram in your new tab. To create a new diagram, enter a Diagram Name and click the location where you want to save the file.

    Create flowcharts and diagrams online with this easy to use software.

    Create and edit diagrams with draw.io, a free diagramming tool that integrates seamlessly with Office 365.

    app.diagrams.net

    Easily import diagrams from Lucidchart to diagrams.net or draw.io with this simple tool.

    Access and integrate Google Drive files with Draw.io using the Google Picker tool for seamless diagram creation.

    Clearing Cached version 29.3.4... OK Update Start App

    confEmbedUpload=For a better editing experience, please use the regular draw.io macro to insert a blank diagram, then from (File menu → Import From → Device...) select the file you want to upload and embed.

    3 way switch,3 way switch wiring,3 way switch wiring diagram pdf,3 way wiring diagram,3way switch wiring diagram,4 prong dryer outlet wiring diagram,4 prong trailer wiring diagram,6 way trailer wiring diagram,7 pin trailer wiring diagram with brakes,7 pin wiring diagram,alternator wiring diagram,amp wiring diagram,automotive lighting,cable harness,chevrolet,diagram,dodge,doorbell wiring diagram,ecobee wiring diagram,electric motor,electrical connector,electrical wiring,electrical wiring diagram,ford,fuse,honeywell thermostat wiring diagram,ignition system,kenwood car stereo wiring diagram,light switch wiring diagram,lighting,motor wiring diagram,nest doorbell wiring diagram,nest hello wiring diagram,nest labs,nest thermostat,nest thermostat wiring diagram,phone connector,pin,pioneer wiring diagram,plug wiring diagram,pump,radio,radio wiring diagram,relay,relay wiring diagram,resistor,rj45 wiring diagram,schematic,semi-trailer truck,sensor,seven pin trailer wiring diagram,speaker wiring diagram,starter wiring diagram,stereo wiring diagram,stereophonic sound,strat wiring diagram,switch,switch wiring diagram,telecaster wiring diagram,thermostat wiring,thermostat wiring diagram,trailer brake controller,trailer plug wiring diagram,trailer wiring diagram,user guide,wire,wire diagram,wiring diagram,wiring diagram 3 way switch,wiring harness

    close