Light Wiring Diagram For 2007 Jeep Commander

Light Wiring Diagram For 2007 Jeep Commander

  • Category : Jeep Commander
  • Post Date : January 26, 2026
Light Wiring Diagram For 2007 Jeep Commander 9 out of 10 based on 70 ratings. 10 user reviews.

Light Wiring Diagram For 2007 Jeep Commander

2007 Jeep Commander Fuse Box Layout

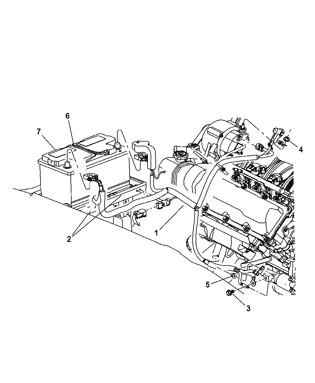
Jeep Wiring 2007 Jeep Commander Electrical Problems

Ten Moments To Remember From 9 Jeep Grand Cherokee Fuse Box

How To Bypass The Stock Infinity Amp

The Easy Way To Replace A 2006 2007 2008 Dodge Caliber Head Unit With Radio Obd2 Bluetooth Gps

56047791ac

Headlight 2007 Jeep Wrangler

Jeep Grand Cherokee Wk

Looking For Front End Diagram

The Easy Way To Replace A 2006 2007 2008 Dodge Caliber Head Unit With Radio Obd2 Bluetooth Gps

Iat Sensor Performance Chip Installation Procedure 2002 2003 2004 2005 2006 2007 Ford Mustang

52090270af

Writing Mercedes Benz W204 Fuse Box Diagram Fuseallocation3 65542

Coloring Sheets For Stealing

Diagram Light Wiring Diagram For 2007 Jeep Commander

  • Download Light Wiring Diagram For 2007 Jeep Commander

    draw.io is free online diagram software for making flowcharts, process diagrams, org charts, UML, ER and network diagrams

    Open and edit diagrams online with Draw.io, a free diagram software supporting various formats and diagram types.

    Create a new diagram, or open an existing diagram in your new tab. To create a new diagram, enter a Diagram Name and click the location where you want to save the file.

    Create flowcharts and diagrams online with this easy to use software.

    Create and edit diagrams with draw.io, a free diagramming tool that integrates seamlessly with Office 365.

    app.diagrams.net

    Easily import diagrams from Lucidchart to diagrams.net or draw.io with this simple tool.

    Access and integrate Google Drive files with Draw.io using the Google Picker tool for seamless diagram creation.

    Clearing Cached version 29.3.4... OK Update Start App

    confEmbedUpload=For a better editing experience, please use the regular draw.io macro to insert a blank diagram, then from (File menu → Import From → Device...) select the file you want to upload and embed.

    3 way switch,3 way switch wiring,3 way switch wiring diagram pdf,3 way wiring diagram,3way switch wiring diagram,4 prong dryer outlet wiring diagram,4 prong trailer wiring diagram,6 way trailer wiring diagram,7 pin trailer wiring diagram with brakes,7 pin wiring diagram,alternator wiring diagram,amp wiring diagram,automotive lighting,cable harness,chevrolet,diagram,dodge,doorbell wiring diagram,ecobee wiring diagram,electric motor,electrical connector,electrical wiring,electrical wiring diagram,ford,fuse,honeywell thermostat wiring diagram,ignition system,kenwood car stereo wiring diagram,light switch wiring diagram,lighting,motor wiring diagram,nest doorbell wiring diagram,nest hello wiring diagram,nest labs,nest thermostat,nest thermostat wiring diagram,phone connector,pin,pioneer wiring diagram,plug wiring diagram,pump,radio,radio wiring diagram,relay,relay wiring diagram,resistor,rj45 wiring diagram,schematic,semi-trailer truck,sensor,seven pin trailer wiring diagram,speaker wiring diagram,starter wiring diagram,stereo wiring diagram,stereophonic sound,strat wiring diagram,switch,switch wiring diagram,telecaster wiring diagram,thermostat wiring,thermostat wiring diagram,trailer brake controller,trailer plug wiring diagram,trailer wiring diagram,user guide,wire,wire diagram,wiring diagram,wiring diagram 3 way switch,wiring harness

    close