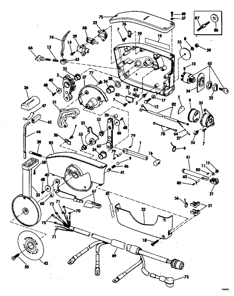
Johnson 55 Hp Wiring Diagram

Johnson 55 Hp Wiring Diagram

  • Category : Wiring Diagram
  • Post Date : January 26, 2026
Johnson 55 Hp Wiring Diagram 9 out of 10 based on 60 ratings. 100 user reviews.

Johnson 55 Hp Wiring Diagram

Johnson Ignition Switch Wiring Diagram

I Am Looking For An Compleat Wiring Diagram For 55 Hp Out

Evinrude Motor Identification

Re 1976 Evinrude Strange Problem

1994 Yamaha Magneto Parts For 55 Hp C55tlrs Outboard Motor

Johnson Outboard Motor Wiring Diagrams

Chrysler Outboard Wiring Diagrams

1993 Yamaha Starting Motor Parts For 55 Hp C55tlrr

96 Evinrude Wiring Diagram

Force 50 Hp Wiring Diagram Needed Page 1

Johnson 55 Hp Wiring Diagram

75 Hp Chrysler Outboard Motor Manual

Chrysler 55 Hp 1972 Outboard Motor Wiring Problem Page 1

75 Hp Chrysler Outboard Motor Manual

Mastertech Marine

Diagrama Chrysler Force 55 80 81

Mastertech Marine

Evinrude Remote Control Parts For 1977 55hp 55773d

Evinrude 1977 55 - 55773d Ignition System

Johnson 1968 55 - Trl-10s Distributor Group

Chrysler 55 Hp 1975 Alternator U0026 Electrical Components

Johnson 55 Hp Wiring Diagram

Evinrude Push Button Remote Control Group Electric Shift

Mastertech Marine

Evinrude 65 Hp Outboard Motor

Wrg

Mastertech Marine

Johnson Ignition Switch Wiring Diagram

Evinrude Johnson Outboard Wiring Diagrams

Johnson 55 Hp Wiring Diagram

Johnson 55 Hp Wiring Diagram

Johnson 55 Hp Wiring Diagram

Wire Harness Internal Engine For Johnson Evinrude 1969

Wire Harness Internal For Johnson Evinrude Flat Plug 55 Hp

Chrysler Outboard 35 45 50 55 Hp 1966

65 Hp Suzuki Outboard Motor

Mercury Outboard Ignition Switch Wiring Diagram U2014 Untpikapps

Suzuki Outboard Motor Parts Diagram

Evinrude 65 Hp Outboard Motor

Johnson 60 Vro Wiring Diagram

Mastertech Marine

1958 Johnson 35 Hp Rds-20 Wiring Problems Page 1

Evinrude Instrument And Cable Group Parts For 1969 55hp

Evinrude Outboard Motor Diagram

75 Hp Chrysler Outboard Motor

Mastertech Marine

I Have A Hydra Sport 212 With Evinrude 175 Hp 1998 Ficht I

1978 25 Hp Johnson Outboard Motor

Diagram Johnson 55 Hp Wiring Diagram

  • Download Johnson 55 Hp Wiring Diagram

    draw.io is free online diagram software for making flowcharts, process diagrams, org charts, UML, ER and network diagrams

    Open and edit diagrams online with Draw.io, a free diagram software supporting various formats and diagram types.

    Create a new diagram, or open an existing diagram in your new tab. To create a new diagram, enter a Diagram Name and click the location where you want to save the file.

    Easily import diagrams from Lucidchart to diagrams.net or draw.io with this simple tool.

    Create and edit diagrams with draw.io, a free diagramming tool that integrates seamlessly with Office 365.

    Create flowcharts and diagrams online with this easy to use software.

    app.diagrams.net

    Access and integrate Google Drive files with Draw.io using the Google Picker tool for seamless diagram creation.

    Clearing Cached version 29.3.4... OK Update Start App

    7.2 The Software will initiate transfers of data forming part of the Diagrams (“Diagram Data”) to services supplied by third parties when you expressly request conversion of Diagrams: a. to another supported file format; and b. to PDF format.

    3 way switch,3 way switch wiring,3 way switch wiring diagram pdf,3 way wiring diagram,3way switch wiring diagram,4 prong dryer outlet wiring diagram,4 prong trailer wiring diagram,6 way trailer wiring diagram,7 pin trailer wiring diagram with brakes,7 pin wiring diagram,alternator wiring diagram,amp wiring diagram,automotive lighting,cable harness,chevrolet,diagram,dodge,doorbell wiring diagram,ecobee wiring diagram,electric motor,electrical connector,electrical wiring,electrical wiring diagram,ford,fuse,honeywell thermostat wiring diagram,ignition system,kenwood car stereo wiring diagram,light switch wiring diagram,lighting,motor wiring diagram,nest doorbell wiring diagram,nest hello wiring diagram,nest labs,nest thermostat,nest thermostat wiring diagram,phone connector,pin,pioneer wiring diagram,plug wiring diagram,pump,radio,radio wiring diagram,relay,relay wiring diagram,resistor,rj45 wiring diagram,schematic,semi-trailer truck,sensor,seven pin trailer wiring diagram,speaker wiring diagram,starter wiring diagram,stereo wiring diagram,stereophonic sound,strat wiring diagram,switch,switch wiring diagram,telecaster wiring diagram,thermostat wiring,thermostat wiring diagram,trailer brake controller,trailer plug wiring diagram,trailer wiring diagram,user guide,wire,wire diagram,wiring diagram,wiring diagram 3 way switch,wiring harness

    close