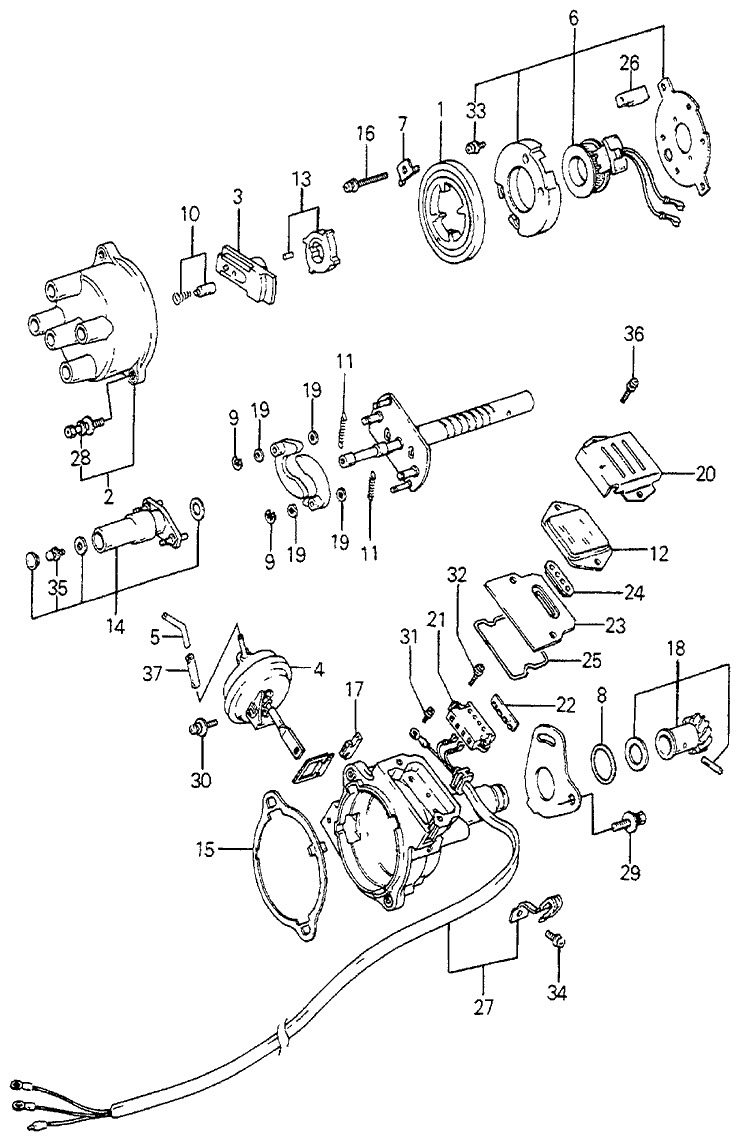
Honda Accord 78 Distributor Diagram

Honda Accord 78 Distributor Diagram

  • Category : Distributor Diagram
  • Post Date : January 26, 2026
Honda Accord 78 Distributor Diagram 9 out of 10 based on 100 ratings. 60 user reviews.

Honda Accord 78 Distributor Diagram

No Start Weak Spark - Honda-tech

I Recently Swapped A 93 Jdm H22a Into My 95 Honda Accord

96 Honda Accord Internal Coil

1996 Honda Accord Ignition Wiring Diagram Sample

30130-p54-006

1999 Accord V6 Cel Po300

1991 Honda Accord Ignition Wiring Diagram

Parts Com U00ae

1991 Honda Accord Ignition Wiring Diagram

Honda Cb125s 1979 Z Usa Wire Harness Ignition Coil

30110-pa1-732

2010 Honda Accord Wiring Diagram

1989 Dodge Ram Truck Dakota 2wd 3 9l Fi Ohv 6cyl

1994 Honda Accord Lx Tachometer Wire Location

1994 Honda Accord Ex 4 Cylinder When Car Is Shut Off

Honda 95 Civic With 5462

Honda Accord 1990 L 2dr Dx Ka Kl Distributor U0026 39 90

Honda Accord Ignition Switch Wiring Diagram

Obd2 To Obd1 Jdm B18c No Spark - Honda-tech

2003 Honda Accord Wiring Harness Diagram

Repair Guides

I Have A 1989 Accord Lxi With 122000 Miles After About 2

1994 Honda Accord Lx Tachometer Wire Location

92 Accord Ex Security System Wiring Diagram Needed Asap

2007 Honda Accord Service Repair Manual

Ohmmeter How To Use An Ohmmeter Voltmeter Schematic

Honda Accord Ignition Switch Wiring Diagram

Part 1

1996 Honda Accord Ignition Wiring Diagram Sample

Could Someone Get Me A Pic Of Their Wires

This Is The Second Time I Asked This Question I Have A

Repair Guides

Ignition Distributor For 1996

Ignition Distributor For 1990 1991 Honda Accord 2 2l Fits

1999 Honda Accord Engine Diagram U2013 1999 Honda Accord Tail

Druttamchandani Com U2013 Free Download Wiring Diagram

1999 Honda Accord Ignition Wiring Diagram

2000 Honda Civic Wiring Diagram

Repair Guides

How Do I Replace The Ignition Module In The Distributor Of

Repair Guides

1993 Honda Prelude 6 Ss 2

Repair Guides

30100-pab-a01

90 Honda Accord Ex Wiring Diagrams

1993 Honda Accord Ignition Wiring Diagram

1999 Honda Accord Ignition Wiring Diagram

Heavy Duty Stock Series Ignition Distributor 1994

Quick Help Needed F22b Firing Order

Ignition

Ignition

I Have A 1997 Honda Civic With A Manual Transmission With

1983 Honda Civic Distributor Wiring

Have 93 Honda Civic Won U0026 39 T Start With Key Switch I Can

Diagram Honda Accord 78 Distributor Diagram

  • Download Honda Accord 78 Distributor Diagram

    draw.io is free online diagram software for making flowcharts, process diagrams, org charts, UML, ER and network diagrams

    Open and edit diagrams online with Draw.io, a free diagram software supporting various formats and diagram types.

    Create a new diagram, or open an existing diagram in your new tab. To create a new diagram, enter a Diagram Name and click the location where you want to save the file.

    Create flowcharts and diagrams online with this easy to use software.

    Create and edit diagrams with draw.io, a free diagramming tool that integrates seamlessly with Office 365.

    app.diagrams.net

    Easily import diagrams from Lucidchart to diagrams.net or draw.io with this simple tool.

    Access and integrate Google Drive files with Draw.io using the Google Picker tool for seamless diagram creation.

    Clearing Cached version 29.3.4... OK Update Start App

    confEmbedUpload=For a better editing experience, please use the regular draw.io macro to insert a blank diagram, then from (File menu → Import From → Device...) select the file you want to upload and embed.

    3 way switch,3 way switch wiring,3 way switch wiring diagram pdf,3 way wiring diagram,3way switch wiring diagram,4 prong dryer outlet wiring diagram,4 prong trailer wiring diagram,6 way trailer wiring diagram,7 pin trailer wiring diagram with brakes,7 pin wiring diagram,alternator wiring diagram,amp wiring diagram,automotive lighting,cable harness,chevrolet,diagram,dodge,doorbell wiring diagram,ecobee wiring diagram,electric motor,electrical connector,electrical wiring,electrical wiring diagram,ford,fuse,honeywell thermostat wiring diagram,ignition system,kenwood car stereo wiring diagram,light switch wiring diagram,lighting,motor wiring diagram,nest doorbell wiring diagram,nest hello wiring diagram,nest labs,nest thermostat,nest thermostat wiring diagram,phone connector,pin,pioneer wiring diagram,plug wiring diagram,pump,radio,radio wiring diagram,relay,relay wiring diagram,resistor,rj45 wiring diagram,schematic,semi-trailer truck,sensor,seven pin trailer wiring diagram,speaker wiring diagram,starter wiring diagram,stereo wiring diagram,stereophonic sound,strat wiring diagram,switch,switch wiring diagram,telecaster wiring diagram,thermostat wiring,thermostat wiring diagram,trailer brake controller,trailer plug wiring diagram,trailer wiring diagram,user guide,wire,wire diagram,wiring diagram,wiring diagram 3 way switch,wiring harness

    close