Harley Single Fire Ignition Wiring Diagram

Harley Single Fire Ignition Wiring Diagram

  • Category : Wiring Diagram
  • Post Date : January 26, 2026
Harley Single Fire Ignition Wiring Diagram 9 out of 10 based on 70 ratings. 100 user reviews.

Harley Single Fire Ignition Wiring Diagram

Tachometer - The Sportster And Buell Motorcycle Forum

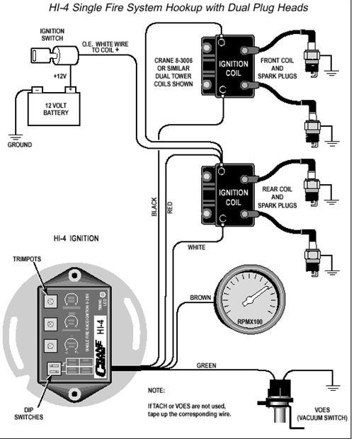
Single Fire Dual Plug Shovelhead

Onan Ignition Module Testing - Off The Engine - Page 2 - Electrical

The Amazing Shrunken Fxr Project Part 4

Digital U0026 39 S Rigid - Part Vii Continued 2

Dvi D To Vga Wiring Diagram

Triangle Fire Inc

1987 22re Single Injector Not Firing

How To Wire Up Msd Ignition The Right Way For V6

5462 To Mallory Unilite

Crane 8-3101 Hi 4e Ignition Module Wiring

8979 Crank 6 Coil

1959 Buick Wiring Diagrams

Megasquirt Support Forum Msextra U2022 Wiring Low Z Injectors With Ms3x Resistor Box View Topic

Diagram Harley Single Fire Ignition Wiring Diagram

  • Download Harley Single Fire Ignition Wiring Diagram

    draw.io is free online diagram software for making flowcharts, process diagrams, org charts, UML, ER and network diagrams

    Open and edit diagrams online with Draw.io, a free diagram software supporting various formats and diagram types.

    Create a new diagram, or open an existing diagram in your new tab. To create a new diagram, enter a Diagram Name and click the location where you want to save the file.

    Easily import diagrams from Lucidchart to diagrams.net or draw.io with this simple tool.

    Create and edit diagrams with draw.io, a free diagramming tool that integrates seamlessly with Office 365.

    Create flowcharts and diagrams online with this easy to use software.

    app.diagrams.net

    Access and integrate Google Drive files with Draw.io using the Google Picker tool for seamless diagram creation.

    Clearing Cached version 29.3.4... OK Update Start App

    7.2 The Software will initiate transfers of data forming part of the Diagrams (“Diagram Data”) to services supplied by third parties when you expressly request conversion of Diagrams: a. to another supported file format; and b. to PDF format.

    3 way switch,3 way switch wiring,3 way switch wiring diagram pdf,3 way wiring diagram,3way switch wiring diagram,4 prong dryer outlet wiring diagram,4 prong trailer wiring diagram,6 way trailer wiring diagram,7 pin trailer wiring diagram with brakes,7 pin wiring diagram,alternator wiring diagram,amp wiring diagram,automotive lighting,cable harness,chevrolet,diagram,dodge,doorbell wiring diagram,ecobee wiring diagram,electric motor,electrical connector,electrical wiring,electrical wiring diagram,ford,fuse,honeywell thermostat wiring diagram,ignition system,kenwood car stereo wiring diagram,light switch wiring diagram,lighting,motor wiring diagram,nest doorbell wiring diagram,nest hello wiring diagram,nest labs,nest thermostat,nest thermostat wiring diagram,phone connector,pin,pioneer wiring diagram,plug wiring diagram,pump,radio,radio wiring diagram,relay,relay wiring diagram,resistor,rj45 wiring diagram,schematic,semi-trailer truck,sensor,seven pin trailer wiring diagram,speaker wiring diagram,starter wiring diagram,stereo wiring diagram,stereophonic sound,strat wiring diagram,switch,switch wiring diagram,telecaster wiring diagram,thermostat wiring,thermostat wiring diagram,trailer brake controller,trailer plug wiring diagram,trailer wiring diagram,user guide,wire,wire diagram,wiring diagram,wiring diagram 3 way switch,wiring harness

    close