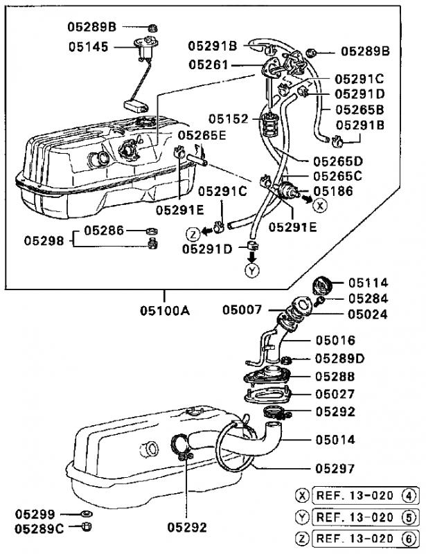
Gas Tank Diagram

Gas Tank Diagram

  • Category : Tank Diagram
  • Post Date : January 26, 2026
Gas Tank Diagram 9 out of 10 based on 30 ratings. 40 user reviews.

Gas Tank Diagram

Panzerserra Bunker 35 Scale M4 75 Dv Sherman Medium Tank Direct

This Puny French Vehicle Was The First Great Tank

Miguel U0026 39 S I Search Blog April 2010

Mike U0026 39 S Military A Personel Military Blog Fevereiro 2014

Schematic For An M4 Sherman Tank

Tank

Tiger Battle Tank Diagram Glossy Poster Picture Photo Part Schematic German 3275

M103 Turret Armor Scheme - Afv Forum

Interior Diagram Your Favorite Tank And Mine The M3 Lee Worldoftanks

Abrams Tank Diagram

T28 Super Heavy Tank Of The Second World War

Robin Subaru Rgd3300h Parts Diagram For Fuel Tank

Diagram U2013 Lone Sentry Blog

Tank Archives Tigers In Tunisia

Nationstates U2022 View Topic

M10 Ammunition Stowage Diagram

Tank Archives Weak Spots And Hit Zones

Husqvarna 3120 2000

Why Didn U0026 39 T The Us Put A Bigger Turret With A 90 Mm High Velocity Gun On The M4 Sherman It Would

Pin On Machines

Husqvarna 555 2011

Fuel Management System Asa Fuel Tank Diagram

File M1 Abrams Diagram Num Svg

The Us Is To Deploy Tanks To Estonia

Hbt

Kawasaki Gaw30a Fuel

My Diagram Of Medium Tank Depression Degrees - General U0026 Upcoming - War Thunder

Cutaway Diagram Of The Tiger Ii The Tiger Ii Was One Of The Few Tanks In Wwii To Have A Ready

Polish 4tp Prototype Light Tank Diagram Image

Kawasaki Fe350d Fuel

Shindaiwa 22t Parts Diagram For Fuel Tank

Husqvarna 345 2004

Tanks U2013 Simple History

Apcr Cuts Leopard 1 In Half - General Discussion - Official Forum

Finding Eljer Toilet Parts

Why Do Modern Tanks Have Such A Huge Turret

Robin Subaru W1

Patent Us6632072

Diagram Gas Tank Diagram

  • Download Gas Tank Diagram

    draw.io is free online diagram software for making flowcharts, process diagrams, org charts, UML, ER and network diagrams

    Open and edit diagrams online with Draw.io, a free diagram software supporting various formats and diagram types.

    Create a new diagram, or open an existing diagram in your new tab. To create a new diagram, enter a Diagram Name and click the location where you want to save the file.

    Create flowcharts and diagrams online with this easy to use software.

    Create and edit diagrams with draw.io, a free diagramming tool that integrates seamlessly with Office 365.

    app.diagrams.net

    Easily import diagrams from Lucidchart to diagrams.net or draw.io with this simple tool.

    Access and integrate Google Drive files with Draw.io using the Google Picker tool for seamless diagram creation.

    Clearing Cached version 29.3.4... OK Update Start App

    confEmbedUpload=For a better editing experience, please use the regular draw.io macro to insert a blank diagram, then from (File menu → Import From → Device...) select the file you want to upload and embed.

    3 way switch,3 way switch wiring,3 way switch wiring diagram pdf,3 way wiring diagram,3way switch wiring diagram,4 prong dryer outlet wiring diagram,4 prong trailer wiring diagram,6 way trailer wiring diagram,7 pin trailer wiring diagram with brakes,7 pin wiring diagram,alternator wiring diagram,amp wiring diagram,automotive lighting,cable harness,chevrolet,diagram,dodge,doorbell wiring diagram,ecobee wiring diagram,electric motor,electrical connector,electrical wiring,electrical wiring diagram,ford,fuse,honeywell thermostat wiring diagram,ignition system,kenwood car stereo wiring diagram,light switch wiring diagram,lighting,motor wiring diagram,nest doorbell wiring diagram,nest hello wiring diagram,nest labs,nest thermostat,nest thermostat wiring diagram,phone connector,pin,pioneer wiring diagram,plug wiring diagram,pump,radio,radio wiring diagram,relay,relay wiring diagram,resistor,rj45 wiring diagram,schematic,semi-trailer truck,sensor,seven pin trailer wiring diagram,speaker wiring diagram,starter wiring diagram,stereo wiring diagram,stereophonic sound,strat wiring diagram,switch,switch wiring diagram,telecaster wiring diagram,thermostat wiring,thermostat wiring diagram,trailer brake controller,trailer plug wiring diagram,trailer wiring diagram,user guide,wire,wire diagram,wiring diagram,wiring diagram 3 way switch,wiring harness

    close