Free Wiring Diagram For Mercruiser 6 Cylinder Diesel Engine

Free Wiring Diagram For Mercruiser 6 Cylinder Diesel Engine

  • Category : Diesel Engine
  • Post Date : January 27, 2026
Free Wiring Diagram For Mercruiser 6 Cylinder Diesel Engine 9 out of 10 based on 50 ratings. 50 user reviews.

Free Wiring Diagram For Mercruiser 6 Cylinder Diesel Engine

Mercruiser 165 Wiring Diagram

6 2 Diesel Wiring Diagram

Starting Electrical Issue On 1984 Mercruiser 488 4

Mercruiser Engine Timing Procedures

6 Cylinder Engine Diagram

454 Mercruiser Engine Wiring Diagram

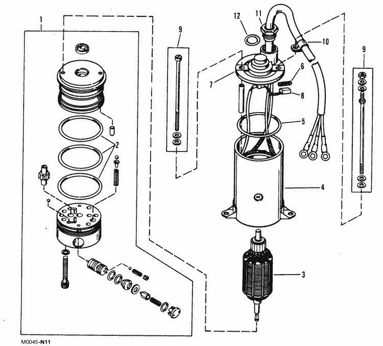
Mercury Marine Model 700 70 Hp 6 Cylinder Starter Motor

Diagram 3 0 Mercruiser Wiring Diagram Full Version Hd

Cylinder Block Oil Pump And Oil Pan

Ford Fiesta Concept 2012 Photo 72801 Pictures High Resolution

Cylinder Head And Rocker Cover

Mercury Marine 115 Hp 6 Cylinder Starter Motor Starter

Mercruiser - 165 1970-1977

Mercury Marine 115 Hp 6 Cylinder Wiring Harness Switch

Westerbeke 4 0 Bcdb

Mercury Marine Model 850 85 Hp 4 Cylinder Flywheel

Cp Performance

Diagram 3 0 Mercruiser Wiring Diagram Full Version Hd

Oil Cooler And Filter Assembly For Mercruiser Mie

Mercruiser 470 2 Barrel Mercury 224 I L4 1976

Truck Engine Schematics

Distributor Assembly Complete Mercury Marine For

Mercruiser 5 7l Mpi Mie 1a092169 U0026 Up

4 2l 254ci Vm Mercruiser Diesel Engine Motor Marine 220hp

Perkins 100 Series Diesel Engines Factory Service U0026 Shop

Mercury Marine 90 Hp 6 Cylinder Power Trim Pump

Make My Own Internal Engine Harness Weatherpack

Not At Boat Have No Numbers 5 7 Mercruiser 1995

Mercruiser Vm Diesel Cylinder Head 90352032f 889509 879715

1941

Cummins Mercruiser Qsd 2 0 Engines Service Manual Pdf Download

4 2l 254ci Vm Mercruiser Diesel Engine Motor Marine 220hp

4 2l 254ci Vm Mercruiser Diesel D

Sell Cummins Mercruiser D3 6l 180 Rated 190 Hp Cheap

New Delco Marine 10si Alternator Mercruiser 3

Transmission And Related Parts Zf - 45c

Diagram 3 0 Mercruiser Wiring Diagram Full Version Hd

Mercruiser 888 Engine Firing Order Diagram

I Have A 38 U0026 39 Craft It Has 2

Cp Performance

Intake And Exhaust System

Chevrolet Chevy Van 5 7 1994

Mercruiser 5 7l Mpi Mie 1a092169 U0026 Up

Mercury Mercruiser Alpha One Service Manual

Mercury Mariner 3 0 2002

I Have A 2006 Bayliner 195 With A 4 3 Liter Mercruiser I

Mercury Marine 6 Hp 2 Cylinder 2

Marine Parts Plus Mercruiser Serial 165 Gm 250 I

Ford 6 0l Power Stroke Engine

Mercury Marine 650 4 Cylinder Starter Motor Starter

Ford Tractor Engine Diagram

Chevy Inline 6 Engine Chevrolet Six Cylinder Motor Family

Mercury Marine 225 Hp Verado 4

Vm D642 4 2l 6 Cylinder Diesel Crate Engine

Injector Line Cylinder 2 For 1983

Troubleshooting Teleflex Tachometer Gauges

Diagram Free Wiring Diagram For Mercruiser 6 Cylinder Diesel Engine

  • Download Free Wiring Diagram For Mercruiser 6 Cylinder Diesel Engine

    draw.io is free online diagram software for making flowcharts, process diagrams, org charts, UML, ER and network diagrams

    Open and edit diagrams online with Draw.io, a free diagram software supporting various formats and diagram types.

    Create a new diagram, or open an existing diagram in your new tab. To create a new diagram, enter a Diagram Name and click the location where you want to save the file.

    Create flowcharts and diagrams online with this easy to use software.

    Create and edit diagrams with draw.io, a free diagramming tool that integrates seamlessly with Office 365.

    Easily import diagrams from Lucidchart to diagrams.net or draw.io with this simple tool.

    Access and integrate Google Drive files with Draw.io using the Google Picker tool for seamless diagram creation.

    Clearing Cached version 29.3.4... OK Update Start App

    confEmbedUpload=For a better editing experience, please use the regular draw.io macro to insert a blank diagram, then from (File menu → Import From → Device...) select the file you want to upload and embed.

    If you enter personal information into a diagram and perform an action that requires us to send that diagram to a server for processing, your personal data may be processed on that server, but never stored.

    3 way switch,3 way switch wiring,3 way switch wiring diagram pdf,3 way wiring diagram,3way switch wiring diagram,4 prong dryer outlet wiring diagram,4 prong trailer wiring diagram,6 way trailer wiring diagram,7 pin trailer wiring diagram with brakes,7 pin wiring diagram,alternator wiring diagram,amp wiring diagram,automotive lighting,cable harness,chevrolet,diagram,dodge,doorbell wiring diagram,ecobee wiring diagram,electric motor,electrical connector,electrical wiring,electrical wiring diagram,ford,fuse,honeywell thermostat wiring diagram,ignition system,kenwood car stereo wiring diagram,light switch wiring diagram,lighting,motor wiring diagram,nest doorbell wiring diagram,nest hello wiring diagram,nest labs,nest thermostat,nest thermostat wiring diagram,phone connector,pin,pioneer wiring diagram,plug wiring diagram,pump,radio,radio wiring diagram,relay,relay wiring diagram,resistor,rj45 wiring diagram,schematic,semi-trailer truck,sensor,seven pin trailer wiring diagram,speaker wiring diagram,starter wiring diagram,stereo wiring diagram,stereophonic sound,strat wiring diagram,switch,switch wiring diagram,telecaster wiring diagram,thermostat wiring,thermostat wiring diagram,trailer brake controller,trailer plug wiring diagram,trailer wiring diagram,user guide,wire,wire diagram,wiring diagram,wiring diagram 3 way switch,wiring harness

    close