Ford Nc Fairlane Wiring Diagram

Ford Nc Fairlane Wiring Diagram

  • Category : Wiring Diagram
  • Post Date : January 26, 2026
Ford Nc Fairlane Wiring Diagram 9 out of 10 based on 20 ratings. 20 user reviews.

Ford Nc Fairlane Wiring Diagram

Manual Car And Eec 9al With C4 Trans

Ford Fairlane 1989 Radio Wiring Diagram

1957 Ford Truck Wiring Diagram

Need Wiring Diagram 60f100

Galaxie Info Thread - The Guide To Your Galaxie

Xlr Wiring Standard

Download A Manual

1969 Ford Escort Complete Electrical Wiring Diagram

Verify My Schematic Drawing Please

Lincoln Welders Sa 200 Wiring

Am Radio Modification For Amplifier

Download A Manual

C0t Biz

1968 Tail Light Harness Diagram

D9958 1989 F700 Fuse Box

67 Ford Galaxie 500 Wiring Diagrams Wiring Diagram For

Diagrama Dt466e Egr

1989 Ford F150 Fuel Line Diagram

8al2056ka Leece

8ar2070ka Leece

Setool Box Adapter For Z3x Lg Box Cable

Brake Light Problem

Need Help With A Courtesy Light Question

Wiring Diagram For Map Sensor Fix Photo By Bjspencer85

Rebel Wire

Ford F150 Xlt I Have A 95 F150 Xlt And My Pcm Is Bad And

Starter Solenoid Probs

1763 Nc01 Wiring Diagram

Peterbilt Instrument Wiring Diagram

Signal Flasher Question

Honda Nc700x Service Manual

Headlight Hick-up

Ford Wiring Diagrams

Switches U0026 Relays

Buell Blast Wiring Diagram Diagram Wiring Diagram Images

1969 Mustang Wiring Diagram Schematic

Kenworth Starter Relay Wiring Diagram

Install No Nc Wiring Diagram

2004-2006 2 3 Wiring Diagram Huge Pics

1st Post

2008 Ford F550 Pto Wiring Diagram

How Much Fan Is Needed For Boosted Ac Car

T313 Vending Machine Wireless Management System User

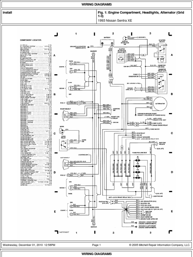
Sistema Electrico Nissan Sentra Xe B13 93

Ac Wiring Ford Sterling

Edis Connections

Looking For Ford 5000 Wiring Diagram

Britishv8 Forum Steering Racks And Front Hubs

Power King Economy Tractor Restoration Power King Economy

2004-2006 2 3 Wiring Diagram Huge Pics

1967 Mustang Wiring Diagram Manual

77 Supercab Issue

Pointless Distributor Wiring Diagram

1971 Camaro Horn Wire Schematic

Lost In An Electrical Storm

2004-2006 2 3 Wiring Diagram Huge Pics

72 Torino Questions - Parking Brake Horn

Diagram Ford Nc Fairlane Wiring Diagram

  • Download Ford Nc Fairlane Wiring Diagram

    draw.io is free online diagram software for making flowcharts, process diagrams, org charts, UML, ER and network diagrams

    Open and edit diagrams online with Draw.io, a free diagram software supporting various formats and diagram types.

    Create a new diagram, or open an existing diagram in your new tab. To create a new diagram, enter a Diagram Name and click the location where you want to save the file.

    Create flowcharts and diagrams online with this easy to use software.

    Create and edit diagrams with draw.io, a free diagramming tool that integrates seamlessly with Office 365.

    app.diagrams.net

    Easily import diagrams from Lucidchart to diagrams.net or draw.io with this simple tool.

    Access and integrate Google Drive files with Draw.io using the Google Picker tool for seamless diagram creation.

    Clearing Cached version 29.3.4... OK Update Start App

    confEmbedUpload=For a better editing experience, please use the regular draw.io macro to insert a blank diagram, then from (File menu → Import From → Device...) select the file you want to upload and embed.

    3 way switch,3 way switch wiring,3 way switch wiring diagram pdf,3 way wiring diagram,3way switch wiring diagram,4 prong dryer outlet wiring diagram,4 prong trailer wiring diagram,6 way trailer wiring diagram,7 pin trailer wiring diagram with brakes,7 pin wiring diagram,alternator wiring diagram,amp wiring diagram,automotive lighting,cable harness,chevrolet,diagram,dodge,doorbell wiring diagram,ecobee wiring diagram,electric motor,electrical connector,electrical wiring,electrical wiring diagram,ford,fuse,honeywell thermostat wiring diagram,ignition system,kenwood car stereo wiring diagram,light switch wiring diagram,lighting,motor wiring diagram,nest doorbell wiring diagram,nest hello wiring diagram,nest labs,nest thermostat,nest thermostat wiring diagram,phone connector,pin,pioneer wiring diagram,plug wiring diagram,pump,radio,radio wiring diagram,relay,relay wiring diagram,resistor,rj45 wiring diagram,schematic,semi-trailer truck,sensor,seven pin trailer wiring diagram,speaker wiring diagram,starter wiring diagram,stereo wiring diagram,stereophonic sound,strat wiring diagram,switch,switch wiring diagram,telecaster wiring diagram,thermostat wiring,thermostat wiring diagram,trailer brake controller,trailer plug wiring diagram,trailer wiring diagram,user guide,wire,wire diagram,wiring diagram,wiring diagram 3 way switch,wiring harness

    close