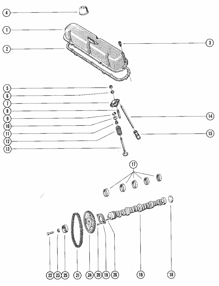
Ford 302 Marine Engine Diagram

Ford 302 Marine Engine Diagram

  • Category : Engine Diagram
  • Post Date : January 26, 2026
Ford 302 Marine Engine Diagram 9 out of 10 based on 30 ratings. 70 user reviews.

Ford 302 Marine Engine Diagram

Mercruiser 888 2 Barrel Ford 302 V

Mercruiser 888 2 Barrel Ford 302 V

Mercruiser 888 2 Barrel Ford 302 V

Engine Merc 888 Ford 302 Getting Hot After Warming Up

Mercruiser 888 2 Barrel Ford 302 V

Mercruiser 888 2 Barrel Ford 302 V

Mercruiser 225 Mie Ford 302 V

Mercruiser 215 Mie Ford 302 V

Mercruiser 888 2 Barrel Ford 302 V

Mercruiser 225 Mie Ford 302 V

Mercruiser 888 2 Barrel Ford 302 V

Mercruiser 225 Mie Ford 302 V

Mercruiser 225

Omc Cobra Ford 302 - Slave Assist Solenoid Issue Page 1

Mercruiser 215 4 Barrel Ford 302 V

Mercruiser 888 2 Barrel Ford 302 V

Mercruiser 225

Mercruiser 888 2 Barrel Ford 302 V

Mercruiser 215 4 Barrel Ford 302 V

Mercruiser 888 2 Barrel Ford 302 V

Mercruiser 225 4 Barrel Ford 302 V

Mercruiser 225 4 Barrel Ford 302 V

Engine Merc 888 Ford 302 Getting Hot After Warming Up

Ford 302 Motor Specs

Mercruiser 225

Mercruiser 888 2 Bbl Ford 302 V

Ford 302 Marine Engine Diagram

Diagram Or Picture Of 302 Assembly Front Accessories Intake Timing Cover Etc

Famous Ford 351 Windsor Firing Order

Mercruiser 84

I Have A Rinkerbuilt With A Ford 302 It Needed A New Alternator And The Only One The Local

Mercruiser 888 188hp Ford 302 5 0l Engine Wire Wiring Harness 84

Century Resorter

Mercruiser 84

351 V8 Engine Diagram

Mercruiser 888 2 Barrel Ford 302 V

How Exactly Does The Merc Seawater Cooling System Work

Ford 302 Marine Engine Alternator

302 Firing Order

Mercruiser 225 4 Barrel Ford 302 V

Mercruiser 215 4 Barrel Ford 302 V

Water Pump Marine Circulating For Ford 302 351 Mercruiser Volvo Pcm Bi

351 Ford Marine Engine Wiring

Omc Stern Drive Carburetor

Mercruiser 225 4 Barrel Ford 302 V

Mercruiser 225 4 Barrel Ford 302 V

Exhaust Manifold And Exhaust Elbow For Mercruiser 888 2 Bbl Engine

Mercruiser 888 2 Barrel Ford 302 V

Transmission Assembly Inboard

Mercruiser 215 4 Barrel Ford 302 V

Mercruiser 215 Mie Ford 302 V

Ford 302 Motor Specs

Ford 302 Motor Specs

Mercruiser 225 4 Barrel Ford 302 V

Diagram Ford 302 Marine Engine Diagram

  • Download Ford 302 Marine Engine Diagram

    draw.io is free online diagram software for making flowcharts, process diagrams, org charts, UML, ER and network diagrams

    Open and edit diagrams online with Draw.io, a free diagram software supporting various formats and diagram types.

    Create a new diagram, or open an existing diagram in your new tab. To create a new diagram, enter a Diagram Name and click the location where you want to save the file.

    Easily import diagrams from Lucidchart to diagrams.net or draw.io with this simple tool.

    Create and edit diagrams with draw.io, a free diagramming tool that integrates seamlessly with Office 365.

    Create flowcharts and diagrams online with this easy to use software.

    app.diagrams.net

    Access and integrate Google Drive files with Draw.io using the Google Picker tool for seamless diagram creation.

    Clearing Cached version 29.3.4... OK Update Start App

    7.2 The Software will initiate transfers of data forming part of the Diagrams (“Diagram Data”) to services supplied by third parties when you expressly request conversion of Diagrams: a. to another supported file format; and b. to PDF format.

    3 way switch,3 way switch wiring,3 way switch wiring diagram pdf,3 way wiring diagram,3way switch wiring diagram,4 prong dryer outlet wiring diagram,4 prong trailer wiring diagram,6 way trailer wiring diagram,7 pin trailer wiring diagram with brakes,7 pin wiring diagram,alternator wiring diagram,amp wiring diagram,automotive lighting,cable harness,chevrolet,diagram,dodge,doorbell wiring diagram,ecobee wiring diagram,electric motor,electrical connector,electrical wiring,electrical wiring diagram,ford,fuse,honeywell thermostat wiring diagram,ignition system,kenwood car stereo wiring diagram,light switch wiring diagram,lighting,motor wiring diagram,nest doorbell wiring diagram,nest hello wiring diagram,nest labs,nest thermostat,nest thermostat wiring diagram,phone connector,pin,pioneer wiring diagram,plug wiring diagram,pump,radio,radio wiring diagram,relay,relay wiring diagram,resistor,rj45 wiring diagram,schematic,semi-trailer truck,sensor,seven pin trailer wiring diagram,speaker wiring diagram,starter wiring diagram,stereo wiring diagram,stereophonic sound,strat wiring diagram,switch,switch wiring diagram,telecaster wiring diagram,thermostat wiring,thermostat wiring diagram,trailer brake controller,trailer plug wiring diagram,trailer wiring diagram,user guide,wire,wire diagram,wiring diagram,wiring diagram 3 way switch,wiring harness

    close