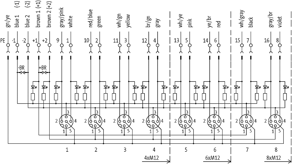
Female M12 12 Pin Wiring Diagram

Female M12 12 Pin Wiring Diagram

  • Category : Wiring Diagram
  • Post Date : January 27, 2026
Female M12 12 Pin Wiring Diagram 9 out of 10 based on 30 ratings. 20 user reviews.

Female M12 12 Pin Wiring Diagram

Female M12 12 Pin Wiring Diagram

Female M12 12 Pin Wiring Diagram

M12 Connector 4 Pin Wiring Diagram

Raspberry Pi

Flying Lead Cordset Pinouts

Iec 61076

4 Pin M8 Pinout

Temple Star Inc Original Manufacturers Direct Price

Ethernet Shielded Cable M12 8pin X Code Male To Rj45 Male

Flying Lead Cordset Pinouts

Waterproof Connector Ip67 Ip68 M8 M12 3 4 5 8 12 Pin

Waterproof Connector Ip67 Ip68 M8 M12 3 4 5 8 12 Pin

Female M12 12 Pin Wiring Diagram

Honda Powered Build Thread Tsx

Ip68 Waterproof Molded Female M12 12pin Cable Connector

Female M12 12 Pin Wiring Diagram

M12 Connector Coding Pinout Wiring Color Code And

490167 - M12 - Connector

M12 Male Connector 12 Pin M12 Pcb Connector With Pinout

Cab

M12 Connector Compatible Binder Pcb Mount Right Angle M12

M12 Right Angle Connector 4 Pin Female Socket

Ni 8u-m12-ap6x-h1141 M1644140

Can Bus Connector A Code Profibus B Code M12 Network

M12 Power Cable With 8 Pins For Sick Lms111 Laser Scanner

Rockwell Automation

192013 0200 - Network Cables Profinet

Cable Solder Assembly Type 3 4 5 8 12 Pin Connector M8 M12

3

Sensing Misalignment Curve Typical Wiring Diagram

Female M12 12 Pin Wiring Diagram

Waterproof M12 Right Angle Sensor Cables To Rj45 Connector

12 Pin Wiring Diagram

M12 Connector With Wire Harness

12 Pin Wiring Diagram

M12 And M8 Solder Electrical Mini Plug Connector 4 Pin 8

4 Pin M8 Pinout

Mvp12 4xm12 5pole Pluggable Cable At Murrelektronik

M12 Wire Diagram

M12 Wire Diagram U2013 Dakotanautica Com

Lapp Online Catalog Lapp Systems Profinet Cordsets 2

Brad Harrison Woodhead Sales

490010 - M12 - Connector

Sta Female Connector Eec0230

M12 And M8 Solder Electrical Mini Plug Connector 4 Pin 8

Cet

Stage Pin Connector Wiring Diagram

Stage Pin Connector Wiring Diagram

How Are The Individual Wires Of An Industrial Ethernet Fc

C U00e2ble De Liaison M12 Connecteur Femelle Droit

Temple Star Inc Original Manufacturers Direct Price

M12 Wire Diagram U2013 Dakotanautica Com

Frobobox Armadillo

M12 Female Male Panel Mount Connector 4 Pin Connector M12

4 Pin M8 Pinout

M12 Wire Diagram U2013 Dakotanautica Com

Signal Cable Color Code Standard

Llt M12 Mini Connector 4 Pin Male To Female Watertight

M12 Sensor Connector Cable 3 4 5 8 12 Pin Cable Connector

M12 Wire Diagram U2013 Dakotanautica Com

Diagram Female M12 12 Pin Wiring Diagram

  • Download Female M12 12 Pin Wiring Diagram

    draw.io is free online diagram software for making flowcharts, process diagrams, org charts, UML, ER and network diagrams

    Open and edit diagrams online with Draw.io, a free diagram software supporting various formats and diagram types.

    Create a new diagram, or open an existing diagram in your new tab. To create a new diagram, enter a Diagram Name and click the location where you want to save the file.

    Create flowcharts and diagrams online with this easy to use software.

    Create and edit diagrams with draw.io, a free diagramming tool that integrates seamlessly with Office 365.

    Easily import diagrams from Lucidchart to diagrams.net or draw.io with this simple tool.

    Access and integrate Google Drive files with Draw.io using the Google Picker tool for seamless diagram creation.

    Clearing Cached version 29.3.4... OK Update Start App

    confEmbedUpload=For a better editing experience, please use the regular draw.io macro to insert a blank diagram, then from (File menu → Import From → Device...) select the file you want to upload and embed.

    If you enter personal information into a diagram and perform an action that requires us to send that diagram to a server for processing, your personal data may be processed on that server, but never stored.

    3 way switch,3 way switch wiring,3 way switch wiring diagram pdf,3 way wiring diagram,3way switch wiring diagram,4 prong dryer outlet wiring diagram,4 prong trailer wiring diagram,6 way trailer wiring diagram,7 pin trailer wiring diagram with brakes,7 pin wiring diagram,alternator wiring diagram,amp wiring diagram,automotive lighting,cable harness,chevrolet,diagram,dodge,doorbell wiring diagram,ecobee wiring diagram,electric motor,electrical connector,electrical wiring,electrical wiring diagram,ford,fuse,honeywell thermostat wiring diagram,ignition system,kenwood car stereo wiring diagram,light switch wiring diagram,lighting,motor wiring diagram,nest doorbell wiring diagram,nest hello wiring diagram,nest labs,nest thermostat,nest thermostat wiring diagram,phone connector,pin,pioneer wiring diagram,plug wiring diagram,pump,radio,radio wiring diagram,relay,relay wiring diagram,resistor,rj45 wiring diagram,schematic,semi-trailer truck,sensor,seven pin trailer wiring diagram,speaker wiring diagram,starter wiring diagram,stereo wiring diagram,stereophonic sound,strat wiring diagram,switch,switch wiring diagram,telecaster wiring diagram,thermostat wiring,thermostat wiring diagram,trailer brake controller,trailer plug wiring diagram,trailer wiring diagram,user guide,wire,wire diagram,wiring diagram,wiring diagram 3 way switch,wiring harness

    close