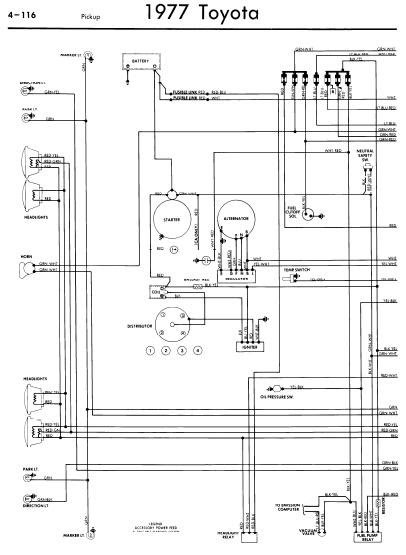
Exterior Wiring Diagram 91 Toyota P U

Exterior Wiring Diagram 91 Toyota P U

  • Category : P U
  • Post Date : January 27, 2026
Exterior Wiring Diagram 91 Toyota P U 9 out of 10 based on 20 ratings. 40 user reviews.

Exterior Wiring Diagram 91 Toyota P U

Toyota Wiring Diagrams U2013 Volovets Info

Repair Guides

91 Toyota Pickup Wiring Diagram

Repair

Repair Guides

85 Runner Sr5 Tach Problem

Repair Guides

Wiring Diagrams

Repair Guides

Toyota Supra 1982 Wiring Diagrams

Repair Guides

Repair Guides

Glanza V 4efte Powered Clubman

Repair Guides

I Need A Wiring Diagram For An 89 Toyota Pickup My

Fig Dtc C Detecting Condition Trouble Area Table Courtesy Of Toyota Motor Sales Usa Inc

Repair Guides

Repair Guides

Wiring Diagram Free Online 1995 4runner

Esquemas El U00e9ctricos Toyota Paseo 1996

I Need A Reliable Ecu Pinout Chart For A 1996 Japanese Spec Toyota Celica Automatic Please The

Dtc Detection Condition

Repair

Esquemas El U00e9ctricos Toyota Paseo 1996

1991 Toyota Pickup Light Wiring Diagram

Repair

1988 Toyota Pickup Transmission Diagram

Repair Guides

Repair Guides

Repair Guides

91 Toyota Mr2 Wont Start After Messing With Ignition Switch

No Wire Running To Oil Pressure Sending Unit Where Is It

1991 Chevy Suburban Blazer P30 R V 3500 Pickup Electrical Diagnosis U0026 Wiring Diagrams

Repair 55 1978 Wiring Diagrams

91 To 94 Ehps Update How-to For Quick Ratio Pinion

Toyota Hilux Wiring Diagram 1999

Wiring Diagrams

1991 E 150 302 Died Suddenly Suspect No Fuel

Repair Guides

Toyota Toyota Corrola

Fsm Wiring Diagram Book For A 86

1993 Toyota Mr2 Wiring Diagram

Alternator Please Help

1985 Toyota P U 22re

Repair Guides

1992 Toyota Celica Wiring Diagram

Toyota Yaris Workshop Service Manual Maintenance Electrical Wiring Diagram Body Repair Manual

Repair

Repair Guides

Repair Guides

Diagram Exterior Wiring Diagram 91 Toyota P U

  • Download Exterior Wiring Diagram 91 Toyota P U

    draw.io is free online diagram software for making flowcharts, process diagrams, org charts, UML, ER and network diagrams

    Open and edit diagrams online with Draw.io, a free diagram software supporting various formats and diagram types.

    Create a new diagram, or open an existing diagram in your new tab. To create a new diagram, enter a Diagram Name and click the location where you want to save the file.

    Create flowcharts and diagrams online with this easy to use software.

    Create and edit diagrams with draw.io, a free diagramming tool that integrates seamlessly with Office 365.

    Easily import diagrams from Lucidchart to diagrams.net or draw.io with this simple tool.

    Access and integrate Google Drive files with Draw.io using the Google Picker tool for seamless diagram creation.

    Clearing Cached version 29.3.4... OK Update Start App

    confEmbedUpload=For a better editing experience, please use the regular draw.io macro to insert a blank diagram, then from (File menu → Import From → Device...) select the file you want to upload and embed.

    If you enter personal information into a diagram and perform an action that requires us to send that diagram to a server for processing, your personal data may be processed on that server, but never stored.

    3 way switch,3 way switch wiring,3 way switch wiring diagram pdf,3 way wiring diagram,3way switch wiring diagram,4 prong dryer outlet wiring diagram,4 prong trailer wiring diagram,6 way trailer wiring diagram,7 pin trailer wiring diagram with brakes,7 pin wiring diagram,alternator wiring diagram,amp wiring diagram,automotive lighting,cable harness,chevrolet,diagram,dodge,doorbell wiring diagram,ecobee wiring diagram,electric motor,electrical connector,electrical wiring,electrical wiring diagram,ford,fuse,honeywell thermostat wiring diagram,ignition system,kenwood car stereo wiring diagram,light switch wiring diagram,lighting,motor wiring diagram,nest doorbell wiring diagram,nest hello wiring diagram,nest labs,nest thermostat,nest thermostat wiring diagram,phone connector,pin,pioneer wiring diagram,plug wiring diagram,pump,radio,radio wiring diagram,relay,relay wiring diagram,resistor,rj45 wiring diagram,schematic,semi-trailer truck,sensor,seven pin trailer wiring diagram,speaker wiring diagram,starter wiring diagram,stereo wiring diagram,stereophonic sound,strat wiring diagram,switch,switch wiring diagram,telecaster wiring diagram,thermostat wiring,thermostat wiring diagram,trailer brake controller,trailer plug wiring diagram,trailer wiring diagram,user guide,wire,wire diagram,wiring diagram,wiring diagram 3 way switch,wiring harness

    close