Evo Powerboard Wiring Diagram

Evo Powerboard Wiring Diagram

  • Category : Wiring Diagram
  • Post Date : January 27, 2026
Evo Powerboard Wiring Diagram 9 out of 10 based on 40 ratings. 30 user reviews.

Evo Powerboard Wiring Diagram

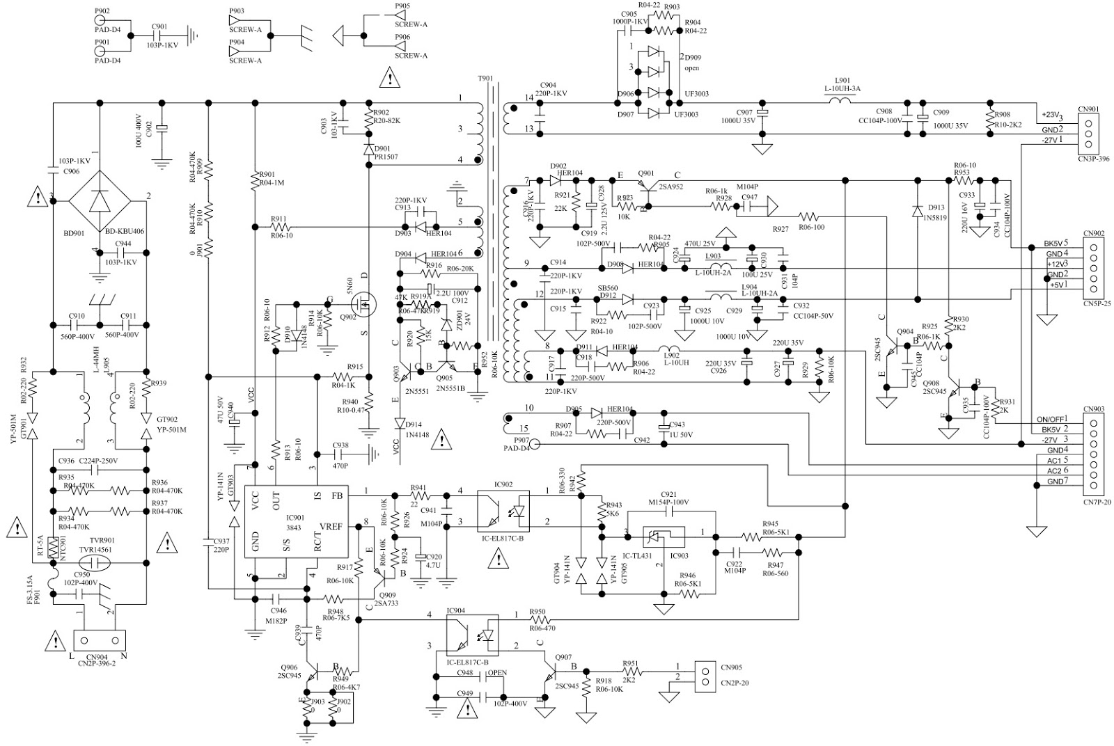
Toppy Power Board Circuit Diagram

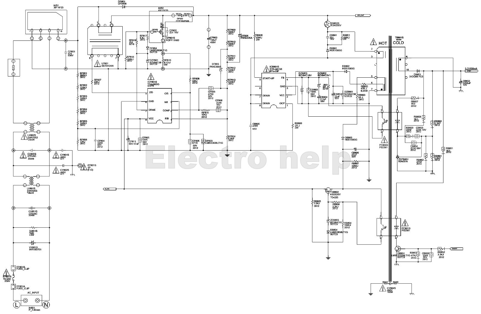
Electro Help Samsung Bn44

Firmware Download Samsung Bn44

49pfp4909 U2013 49pfl4709 U2013 Philips 49 Inch Lcd Tv U2013 Power

Samsung Ln40b630n1fxza Power Supply Board Blowing Fuses

8v 40a Switching Power Supply

Firmware Download Samsung Bn44

Electronic Equipment Repair Centre Samsung Bn44

Budgit Hoist Wiring Diagram 3 Phase Download

Firmware Download Samsung Bn44

Electro Help Bbk - Lm 1902w - Monitor

I Have An Emerson Flat Lcd Screen Tv Tv Comes On And

Philips Hts3000 U2013 Philips Hts3010 U2013 Power Board Smps

Electro Help Samsung Bn44

Timed 12v Relay For Power Folding Steps

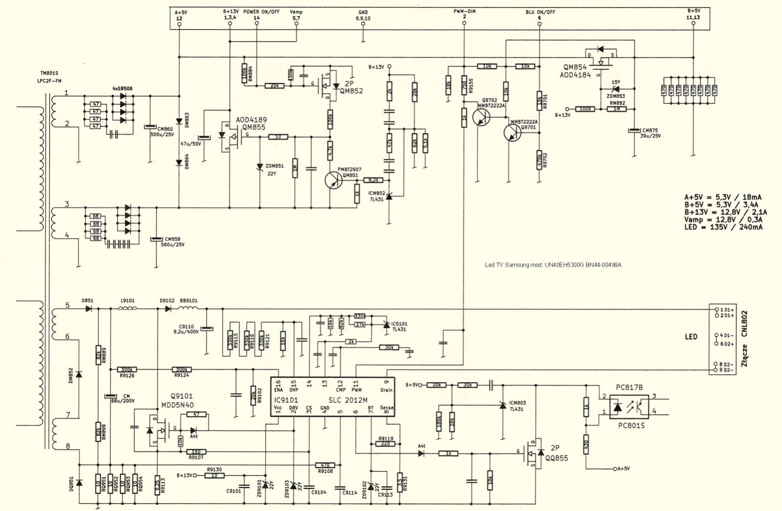
Electro Help Samsung Led Lcd Tv

Lg P42-08h Led Tv Power Board U2013 Eay4050520

Figure 2

Firmware Download Samsung Bn44

0 Circuit Board Diagrams Dedicated Power Models 60 Hz

Panasonic Kx

Rca L32wd26d - Lcd Tv - Main Power - Sub Power

Sharp Am400 Digital Copier Printer - Power Supply

Tp4056 Usb Charger Wiring Diagram

Electro Help Vestel 17ips20 Power Board Circuit Diagram

New Thermostats For House

Firmware Download Samsung Bn44

Electro Help Vestel 17ips20 Power Board Circuit Diagram

Panasonic Tc

Adding Power Running Boards To Non

Dell 2407 And Benq Lcd Monitors U2013 Power Supply Regulator

Gallery Of Budgit Hoist Wiring Diagram 3 Phase Download

8v 40a Switching Power Supply

Wiring Of The Distribution Board Single Phase From Energy

Rca L32wd26d - Lcd Tv - Main Power - Sub Power

2007 Lincoln Navigator Passenger Running Board Wont

Electro Help Philips 40pfl3606 - Lcd Tv

12 Volt 1000 Watt Power Inverter Design Process

How To Wire A Multi Without A Power Distribution Board For

Distribution Board Wiring Diagram

How Much Does Rewiring A House Cost

Ok Here U0026 39 S One I Hope You U0026 39 Ve Seen Before I Have A Samsung

Pin By Ronal E On Electrical Engineering In 2019

Wiring Diagram Circuit Board Diagram Tcs Switch

Wiring Of Distribution Board Wiring Diagram With Dp Mcb

Three Phase Electrical Wiring Installation In Home

Francisfrancis X1 Espresso Machine Diy Temperature

Funai Mobile Power Board Circuit Diagram 1 Service Sch

Honeywell St9120c4057 Wiring Diagram

Electro Help Aoc L26w831 - 26 U0026quot Lcd Tv

I Have A Norcold 1200 With A 621271 Board And After A

Lg32ln530b Led Lcd Tv Power Supply Board U2013 Eax64905001

Troubleshoot And Install Ezgo Powerwise Charger Board How

Single Phase Distribution Board Wiring Diagram English

Acer X193w U2013 Lcd Monitor U2013 Disassembly U2013 Power And Scalar

How Does A Switching Power Supply Work 1 Schematic

Ups Schematic Diagram Schematic

How To Install Amp Research Powerstep Xl Running Boards On

Diagram Evo Powerboard Wiring Diagram

  • Download Evo Powerboard Wiring Diagram

    draw.io is free online diagram software for making flowcharts, process diagrams, org charts, UML, ER and network diagrams

    Open and edit diagrams online with Draw.io, a free diagram software supporting various formats and diagram types.

    Create a new diagram, or open an existing diagram in your new tab. To create a new diagram, enter a Diagram Name and click the location where you want to save the file.

    Create flowcharts and diagrams online with this easy to use software.

    Create and edit diagrams with draw.io, a free diagramming tool that integrates seamlessly with Office 365.

    Easily import diagrams from Lucidchart to diagrams.net or draw.io with this simple tool.

    Access and integrate Google Drive files with Draw.io using the Google Picker tool for seamless diagram creation.

    Clearing Cached version 29.3.4... OK Update Start App

    confEmbedUpload=For a better editing experience, please use the regular draw.io macro to insert a blank diagram, then from (File menu → Import From → Device...) select the file you want to upload and embed.

    If you enter personal information into a diagram and perform an action that requires us to send that diagram to a server for processing, your personal data may be processed on that server, but never stored.

    3 way switch,3 way switch wiring,3 way switch wiring diagram pdf,3 way wiring diagram,3way switch wiring diagram,4 prong dryer outlet wiring diagram,4 prong trailer wiring diagram,6 way trailer wiring diagram,7 pin trailer wiring diagram with brakes,7 pin wiring diagram,alternator wiring diagram,amp wiring diagram,automotive lighting,cable harness,chevrolet,diagram,dodge,doorbell wiring diagram,ecobee wiring diagram,electric motor,electrical connector,electrical wiring,electrical wiring diagram,ford,fuse,honeywell thermostat wiring diagram,ignition system,kenwood car stereo wiring diagram,light switch wiring diagram,lighting,motor wiring diagram,nest doorbell wiring diagram,nest hello wiring diagram,nest labs,nest thermostat,nest thermostat wiring diagram,phone connector,pin,pioneer wiring diagram,plug wiring diagram,pump,radio,radio wiring diagram,relay,relay wiring diagram,resistor,rj45 wiring diagram,schematic,semi-trailer truck,sensor,seven pin trailer wiring diagram,speaker wiring diagram,starter wiring diagram,stereo wiring diagram,stereophonic sound,strat wiring diagram,switch,switch wiring diagram,telecaster wiring diagram,thermostat wiring,thermostat wiring diagram,trailer brake controller,trailer plug wiring diagram,trailer wiring diagram,user guide,wire,wire diagram,wiring diagram,wiring diagram 3 way switch,wiring harness

    close