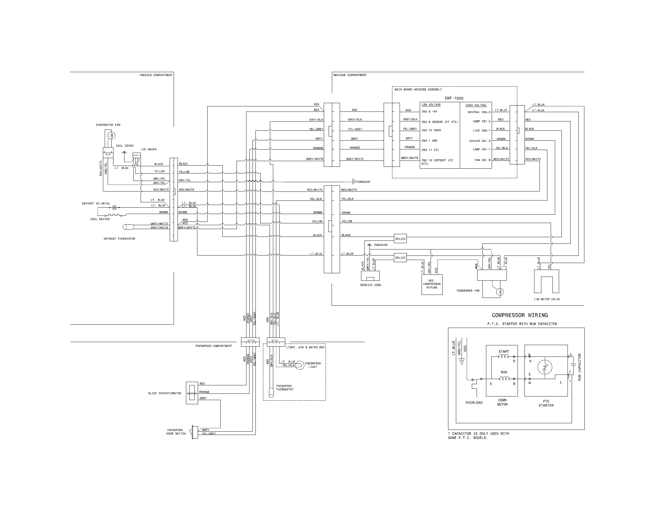
Electrical Schematic For Kenmore Refrigerator

Electrical Schematic For Kenmore Refrigerator

  • Category : Kenmore Refrigerator
  • Post Date : January 26, 2026
Electrical Schematic For Kenmore Refrigerator 9 out of 10 based on 90 ratings. 20 user reviews.

Electrical Schematic For Kenmore Refrigerator

My Kenmore Elite Refrigerator 795 77563600 Had An Error Code This Morning U0026quot Er If U0026quot Also There Is

Kenmore Elite Refrigerator Parts

Kenmore Refrigerator Parts

Ice Maker Kenmore Elite

Kenmore Model 25360602410 Top

Kenmore Elite

Kenmore Model 25378889018 Top

Kenmore

Light Fence Security Alarm Circuit Schematic Under Repository-circuits

My Kenmore Elite Trio Refrigerators Front Display Panel Is

Whirlpool Wp2172748 Crisper Shelf Support

Whirlpool Refrigerator Parts

Whirlpool Dishwasher Wiring Diagram Download

True Gdm 72f Wiring Diagram

Diagram Electrical Schematic For Kenmore Refrigerator

  • Download Electrical Schematic For Kenmore Refrigerator

    draw.io is free online diagram software for making flowcharts, process diagrams, org charts, UML, ER and network diagrams

    Open and edit diagrams online with Draw.io, a free diagram software supporting various formats and diagram types.

    Create a new diagram, or open an existing diagram in your new tab. To create a new diagram, enter a Diagram Name and click the location where you want to save the file.

    Create flowcharts and diagrams online with this easy to use software.

    Create and edit diagrams with draw.io, a free diagramming tool that integrates seamlessly with Office 365.

    app.diagrams.net

    Easily import diagrams from Lucidchart to diagrams.net or draw.io with this simple tool.

    Access and integrate Google Drive files with Draw.io using the Google Picker tool for seamless diagram creation.

    Clearing Cached version 29.3.4... OK Update Start App

    confEmbedUpload=For a better editing experience, please use the regular draw.io macro to insert a blank diagram, then from (File menu → Import From → Device...) select the file you want to upload and embed.

    3 way switch,3 way switch wiring,3 way switch wiring diagram pdf,3 way wiring diagram,3way switch wiring diagram,4 prong dryer outlet wiring diagram,4 prong trailer wiring diagram,6 way trailer wiring diagram,7 pin trailer wiring diagram with brakes,7 pin wiring diagram,alternator wiring diagram,amp wiring diagram,automotive lighting,cable harness,chevrolet,diagram,dodge,doorbell wiring diagram,ecobee wiring diagram,electric motor,electrical connector,electrical wiring,electrical wiring diagram,ford,fuse,honeywell thermostat wiring diagram,ignition system,kenwood car stereo wiring diagram,light switch wiring diagram,lighting,motor wiring diagram,nest doorbell wiring diagram,nest hello wiring diagram,nest labs,nest thermostat,nest thermostat wiring diagram,phone connector,pin,pioneer wiring diagram,plug wiring diagram,pump,radio,radio wiring diagram,relay,relay wiring diagram,resistor,rj45 wiring diagram,schematic,semi-trailer truck,sensor,seven pin trailer wiring diagram,speaker wiring diagram,starter wiring diagram,stereo wiring diagram,stereophonic sound,strat wiring diagram,switch,switch wiring diagram,telecaster wiring diagram,thermostat wiring,thermostat wiring diagram,trailer brake controller,trailer plug wiring diagram,trailer wiring diagram,user guide,wire,wire diagram,wiring diagram,wiring diagram 3 way switch,wiring harness

    close