E36 Bmw M43 Engine Diagram

E36 Bmw M43 Engine Diagram

  • Category : Engine Diagram
  • Post Date : January 26, 2026
E36 Bmw M43 Engine Diagram 9 out of 10 based on 10 ratings. 70 user reviews.

E36 Bmw M43 Engine Diagram

Bmw E36 M43 Engine Diagram

Bmw E36 M43 Engine Diagram

Original Parts For E46 316i 1 9 M43 Sedan Engine Waterpump Thermostat

Bmw E36 M43 Engine Diagram

Original Parts For E46 316i 1 9 M43 Sedan Engine Engine Block Mounting Parts

Original Parts For E46 316i 1 9 M43 Sedan Engine Timing Case

Original Parts For E36 316i 1 9 M43 Compact Engine Cooling System Water Hoses

2000 Bmw 328i Engine Diagram

Original Parts For E36 316i 1 9 M43 Compact Engine Intake Manifold System

Original Parts For E34 518i M43 Sedan Engine Waterpump Thermostat

E36 Bmw M43 Engine Diagram

Original Parts For E36 318i M43 Sedan Engine Intake Manifold System

Original Parts For E46 316i 1 9 M43 Sedan Engine Timing Case 2

Original Parts For E36 316i 1 9 M43 Compact Engine Emission Control Air Pump

Original Parts For E46 316i 1 9 M43 Sedan Engine Mounting Parts F Intake Manifold System

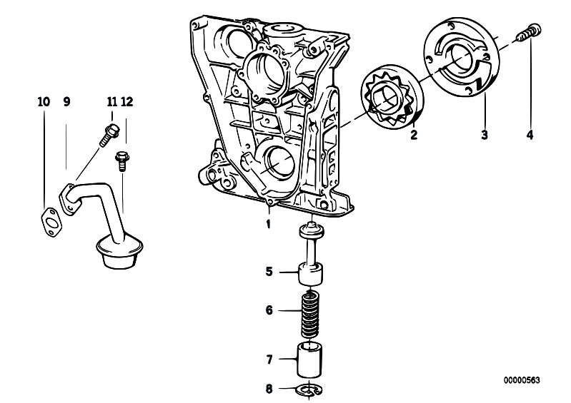
Original Parts For E46 316i 1 9 M43 Sedan Engine Lubrication System Oil Pump With Drive

Original Parts For E36 316i 1 9 M43 Compact Engine Cylinder Head Attached Parts

Original Parts For E46 318i M43 Touring Engine Short Engine

Original Parts For E36 316i 1 9 M43 Compact Engine Vacuum Control Engine

Original Parts For E46 316ci M43 Coupe Engine Emission Control Air Pump

Engine Block

E36 Bmw M43 Engine Diagram

Original Parts For E34 518i M43 Sedan Engine Vacuum Control Vacuum Tube

Bmw N42 Engine Diagram 4

Original Parts For E46 316i 1 9 M43 Sedan Engine Cooling System Water Hoses

E36 Bmw M43 Engine Diagram

E36 Idle Problem Bmw

Original Parts For E46 316i 1 9 M43 Sedan Engine Air Pump F Vacuum Control

Engine Wiring Harness Bmw 3 U0026 39 E36 316i 1 9 M43 U2014 Bmw Parts Catalog

Bmw N42 Engine Diagram

Bmw Workshop Manuals U0026gt 3 Series E36 316i M43 Tour U0026gt 2 Repair Instructions U0026gt 61 General

E46 318 Icv Location 2002 - Page 1 - Bmw General

Bmw M43 Engine Forum

Bmw E36 M43 Engine Diagram

I Have A 1996 318i Showing 200 000ks With A Rattle I Feel May Be Camchain Tensioner Related On

Original Parts For E34 518i M43 Touring Engine Electrical System Starter Parts 1 4kw

Bmw M43 Engine Forum

Original Parts For E36 318i M43 Touring Engine Timing Case

Original Parts For E36 316i M43 Sedan Engine Electrical System Ignition Coil Spark Plug

Original Parts For E36 316i 1 9 M43 Compact Engine Exhaust Manifold

Bmw E46 Engine Intake Manifold Diagram Bmw Wiring Diagram Images

Original Parts For E46 316ci M43 Coupe Engine Engine Block

Bmw M43 Engine Forum

E36 Bmw M43 Engine Diagram

Bmw E36 Engine Cooling System Faults Bmw

Pi U00e8ces Detach U00e9es Pour Les E36 316i M40 Sedan Engine Waterpump Thermostat

Bmw E46 Engine Diagram Cylinder 1

Belt Drive Water Pump Alternator Bmw 3 U0026 39 E36 316i 1 6 M43 U2014 Bmw Parts Catalog

E46 1999 318i 1895cc Engine Surge On Tickover Failed Mot Mixture Too Weak Suspect Sucking Air On

Original Parts For E36 318i M43 Sedan Engine Engine Block

Original Parts For E36 316i 1 6 M43 Compact Engine Lubrication System Oil Pump With Drive

Bmw Workshop Manuals U0026gt 3 Series E36 316i M43 Coupe U0026gt 2 Repair Instructions U0026gt 12 Engine

I Have A 1996 318i Showing 200 000ks With A Rattle I Feel May Be Camchain Tensioner Related On

E46 Vacuum System Diagram

Diagram E36 Bmw M43 Engine Diagram

  • Download E36 Bmw M43 Engine Diagram

    draw.io is free online diagram software for making flowcharts, process diagrams, org charts, UML, ER and network diagrams

    Open and edit diagrams online with Draw.io, a free diagram software supporting various formats and diagram types.

    Create a new diagram, or open an existing diagram in your new tab. To create a new diagram, enter a Diagram Name and click the location where you want to save the file.

    Create flowcharts and diagrams online with this easy to use software.

    Create and edit diagrams with draw.io, a free diagramming tool that integrates seamlessly with Office 365.

    app.diagrams.net

    Easily import diagrams from Lucidchart to diagrams.net or draw.io with this simple tool.

    Access and integrate Google Drive files with Draw.io using the Google Picker tool for seamless diagram creation.

    Clearing Cached version 29.3.4... OK Update Start App

    confEmbedUpload=For a better editing experience, please use the regular draw.io macro to insert a blank diagram, then from (File menu → Import From → Device...) select the file you want to upload and embed.

    3 way switch,3 way switch wiring,3 way switch wiring diagram pdf,3 way wiring diagram,3way switch wiring diagram,4 prong dryer outlet wiring diagram,4 prong trailer wiring diagram,6 way trailer wiring diagram,7 pin trailer wiring diagram with brakes,7 pin wiring diagram,alternator wiring diagram,amp wiring diagram,automotive lighting,cable harness,chevrolet,diagram,dodge,doorbell wiring diagram,ecobee wiring diagram,electric motor,electrical connector,electrical wiring,electrical wiring diagram,ford,fuse,honeywell thermostat wiring diagram,ignition system,kenwood car stereo wiring diagram,light switch wiring diagram,lighting,motor wiring diagram,nest doorbell wiring diagram,nest hello wiring diagram,nest labs,nest thermostat,nest thermostat wiring diagram,phone connector,pin,pioneer wiring diagram,plug wiring diagram,pump,radio,radio wiring diagram,relay,relay wiring diagram,resistor,rj45 wiring diagram,schematic,semi-trailer truck,sensor,seven pin trailer wiring diagram,speaker wiring diagram,starter wiring diagram,stereo wiring diagram,stereophonic sound,strat wiring diagram,switch,switch wiring diagram,telecaster wiring diagram,thermostat wiring,thermostat wiring diagram,trailer brake controller,trailer plug wiring diagram,trailer wiring diagram,user guide,wire,wire diagram,wiring diagram,wiring diagram 3 way switch,wiring harness

    close