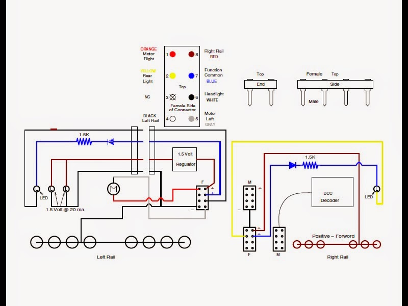
Digitrax Dcc Wiring Diagrams

Digitrax Dcc Wiring Diagrams

  • Category : Wiring Diagrams
  • Post Date : January 26, 2026
Digitrax Dcc Wiring Diagrams 9 out of 10 based on 40 ratings. 40 user reviews.

Digitrax Dcc Wiring Diagrams

My Model Railroad June 2 2010 Cab Forward Dcc Wiring

Dcc Basics Wiring A Layout For Dcc Power

Dcc Ho Wiring Layouts

Internal Lighting For Dcc Passenger Stock

Dave Road Information Model Trains Electrical Wiring

Dcc Lighting Fitting To Split Chassis Bachfarr Model

Dcc Tips

More On Wiring The Lenz Dcc Programming Track U2026

Kert Mark Looking For Dc Wiring Ho Trains

Wiring Dcc As Well Wiring Dcc Model Train Layouts On Dcc

Ho Model Trains Atlas Dcc Train

Electrical Connections Layout

Dcc Basics

Point Motor Wiring

Rr Train Track Wiring

Railroad Line Forums

Powerpax Dcc Programming Booster

Model Railroad Dcc Wiring Pdf U2013 Train Model

Turntable Wiring

Model Railroad Wiring

Layout Planning

Dcc Layout Wiring Diagram

Model Railroad Automatic Two

Club Dc

Loconet Overview

Converting A Layout To Dcc U2013 Welcome To The Nce

Dcc Layout Wiring Diagram

Bylong Installation Of A Soundtraxx Tsunami Alco 251 V12

Dcc Wiring And Diagrams

Layout Planning

Article - Dcc Loco Wiring

Hornby Decoder Installation Guides

Bachmann Heisler Tips

Dcc Decoder Wiring Diagrams For Non

21

Wiring A Layout For Dcc And Dc

De Modeler Buy Model Railroad Dcc

Organizer Model Train Power Transformer

Joe Fugate U0026 39 S Siskiyou Line Content Siskiyou Line

Layout Planning

Digitrax Question

Blocksignalling Rev2 Automatic Reversing Loop Module For

Dcc Basics

My Model Railroad Restoration And Remotoring A Rivarossi

The U0026quot New U0026quot Jjj U0026e Wiring Reverse Loops On A Dcc Layout

Dcc Ready

Club Dc

Dcc Track Wiring U2013 Diagram Database

Wiring Diagram For Athearn Dcc Circuit Board 44 Wiring

Please Review My Wiring Diagram

Dcc Layout Wiring Diagram

Layout Wiring Overview

Diagram Digitrax Dcc Wiring Diagrams

  • Download Digitrax Dcc Wiring Diagrams

    draw.io is free online diagram software for making flowcharts, process diagrams, org charts, UML, ER and network diagrams

    Open and edit diagrams online with Draw.io, a free diagram software supporting various formats and diagram types.

    Create a new diagram, or open an existing diagram in your new tab. To create a new diagram, enter a Diagram Name and click the location where you want to save the file.

    Create flowcharts and diagrams online with this easy to use software.

    Create and edit diagrams with draw.io, a free diagramming tool that integrates seamlessly with Office 365.

    app.diagrams.net

    Easily import diagrams from Lucidchart to diagrams.net or draw.io with this simple tool.

    Access and integrate Google Drive files with Draw.io using the Google Picker tool for seamless diagram creation.

    Clearing Cached version 29.3.4... OK Update Start App

    confEmbedUpload=For a better editing experience, please use the regular draw.io macro to insert a blank diagram, then from (File menu → Import From → Device...) select the file you want to upload and embed.

    3 way switch,3 way switch wiring,3 way switch wiring diagram pdf,3 way wiring diagram,3way switch wiring diagram,4 prong dryer outlet wiring diagram,4 prong trailer wiring diagram,6 way trailer wiring diagram,7 pin trailer wiring diagram with brakes,7 pin wiring diagram,alternator wiring diagram,amp wiring diagram,automotive lighting,cable harness,chevrolet,diagram,dodge,doorbell wiring diagram,ecobee wiring diagram,electric motor,electrical connector,electrical wiring,electrical wiring diagram,ford,fuse,honeywell thermostat wiring diagram,ignition system,kenwood car stereo wiring diagram,light switch wiring diagram,lighting,motor wiring diagram,nest doorbell wiring diagram,nest hello wiring diagram,nest labs,nest thermostat,nest thermostat wiring diagram,phone connector,pin,pioneer wiring diagram,plug wiring diagram,pump,radio,radio wiring diagram,relay,relay wiring diagram,resistor,rj45 wiring diagram,schematic,semi-trailer truck,sensor,seven pin trailer wiring diagram,speaker wiring diagram,starter wiring diagram,stereo wiring diagram,stereophonic sound,strat wiring diagram,switch,switch wiring diagram,telecaster wiring diagram,thermostat wiring,thermostat wiring diagram,trailer brake controller,trailer plug wiring diagram,trailer wiring diagram,user guide,wire,wire diagram,wiring diagram,wiring diagram 3 way switch,wiring harness

    close