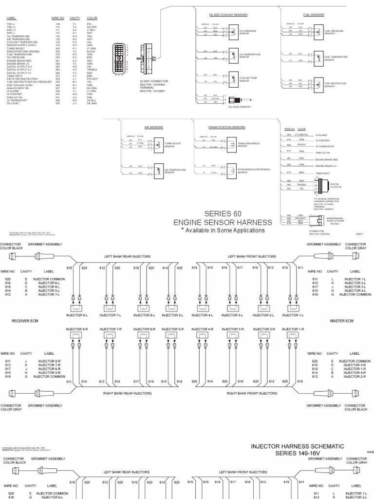
Ddec Iv Wiring Diagram Series 60

Ddec Iv Wiring Diagram Series 60

  • Category : Series 60
  • Post Date : January 26, 2026
Ddec Iv Wiring Diagram Series 60 9 out of 10 based on 40 ratings. 30 user reviews.

Ddec Iv Wiring Diagram Series 60

Detroit Series 60 Ecm Wiring Diagram From Cooling Tower To Ecm

Detroit Wiring Diagrams

Ddec Iii Iv

Diagram Detroit Diesel Electronic Controls Ddec3 Manual With Diagram Full Version Hd Quality

6 Best Images Of Ddec Iv Wiring Diagram

Detroit Series 60 Ecm Wiring Diagram From Cooling Tower To Ecm

Detroit 60 Series Injector Wiring Harness

Got A Problem I Have A 2001 Freightliner Century With Detroit 60 Some Time Ago My On Board

Detroit Diesel Ddec

76 T Bird Sounds Nasally

Detroit Diesel Ddec Iii And Iv Ecm Vehicle And Engine Connectors

Gmos 04 Wiring Diagram U2013 Volovets Info

Official Workshop Manual Service Repair For Bmw X3 E83 2003

Diagrama De Arneses Ddec

Diagram Ddec Iv Wiring Diagram Series 60

  • Download Ddec Iv Wiring Diagram Series 60

    draw.io is free online diagram software for making flowcharts, process diagrams, org charts, UML, ER and network diagrams

    Open and edit diagrams online with Draw.io, a free diagram software supporting various formats and diagram types.

    Create a new diagram, or open an existing diagram in your new tab. To create a new diagram, enter a Diagram Name and click the location where you want to save the file.

    Create flowcharts and diagrams online with this easy to use software.

    Create and edit diagrams with draw.io, a free diagramming tool that integrates seamlessly with Office 365.

    app.diagrams.net

    Easily import diagrams from Lucidchart to diagrams.net or draw.io with this simple tool.

    Access and integrate Google Drive files with Draw.io using the Google Picker tool for seamless diagram creation.

    Clearing Cached version 29.3.4... OK Update Start App

    confEmbedUpload=For a better editing experience, please use the regular draw.io macro to insert a blank diagram, then from (File menu → Import From → Device...) select the file you want to upload and embed.

    3 way switch,3 way switch wiring,3 way switch wiring diagram pdf,3 way wiring diagram,3way switch wiring diagram,4 prong dryer outlet wiring diagram,4 prong trailer wiring diagram,6 way trailer wiring diagram,7 pin trailer wiring diagram with brakes,7 pin wiring diagram,alternator wiring diagram,amp wiring diagram,automotive lighting,cable harness,chevrolet,diagram,dodge,doorbell wiring diagram,ecobee wiring diagram,electric motor,electrical connector,electrical wiring,electrical wiring diagram,ford,fuse,honeywell thermostat wiring diagram,ignition system,kenwood car stereo wiring diagram,light switch wiring diagram,lighting,motor wiring diagram,nest doorbell wiring diagram,nest hello wiring diagram,nest labs,nest thermostat,nest thermostat wiring diagram,phone connector,pin,pioneer wiring diagram,plug wiring diagram,pump,radio,radio wiring diagram,relay,relay wiring diagram,resistor,rj45 wiring diagram,schematic,semi-trailer truck,sensor,seven pin trailer wiring diagram,speaker wiring diagram,starter wiring diagram,stereo wiring diagram,stereophonic sound,strat wiring diagram,switch,switch wiring diagram,telecaster wiring diagram,thermostat wiring,thermostat wiring diagram,trailer brake controller,trailer plug wiring diagram,trailer wiring diagram,user guide,wire,wire diagram,wiring diagram,wiring diagram 3 way switch,wiring harness

    close