Block Diagram Reduction Matlab

Block Diagram Reduction Matlab

  • Category : Reduction Matlab
  • Post Date : January 26, 2026
Block Diagram Reduction Matlab 9 out of 10 based on 100 ratings. 70 user reviews.

Block Diagram Reduction Matlab

Block Diagram Reduction Using Matlab

To Perform A Block Diagram Reduction Using Matlab

To Perform A Block Diagram Reduction Using Matlab

To Perform A Block Diagram Reduction Using Matlab

To Perform A Block Diagram Reduction Using Matlab Matlab

Symbolic Reduction Of Block Diagrams And Signal Flow

Solved 1 Reduce The Block Diagram Shown In Figure To A S

Find The Transfer Function T S C S R S For

Solved Reduce The Block Diagram Shown In Figure P5 1 To A

Download Mathematics Physics Chemistry Computer Science

Block Diagram Reduction In Matlab Simulink

Download Mathematics Physics Chemistry Computer Science

Solved 1 Control Design Via Block Diagram Reduction An

Block Diagram In Simulink

Solved Find The Transfer Function T S R S For The

Simplifying Higher-order Plant Models

Matlab Code For 3d Spiht

Ofdm Basic Transmitter Receiver Matlab Code

Simon Jolly Dphil Thesis Chapter 3

View Model Statistics

Reducing Model Order - Matlab U0026 Simulink

Control System Block Diagrams Reduction Using Matlab

Simplifying Higher-order Plant Models

Diagram Of The Matlab Simulink Program Used For Analyzing

Accuracy Model Of Uci Dataset The Dimensionality Reduction

Simplifying Higher-order Plant Models

Matlab U00ae H Simulation Five

Behaviour Of Ofdm System And Reduction Of Its Papr By

Model Order Reduction - Matlab Balred

Create Pharmacokinetic Models

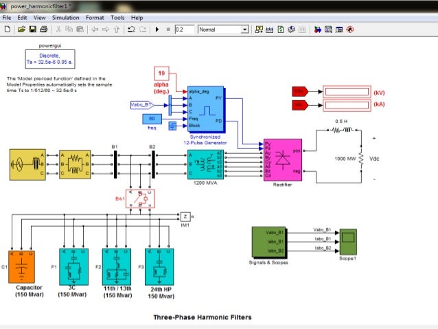
Simulation Of Harmonics Filters To Reduce Harmonics

Pdf Control Systems Laboratory Obtaining Transfer

Log-log Scale Plot

Reducing Model Order

Eye Diagram Analysis Matlab Eye Diagram Analysis Matlab

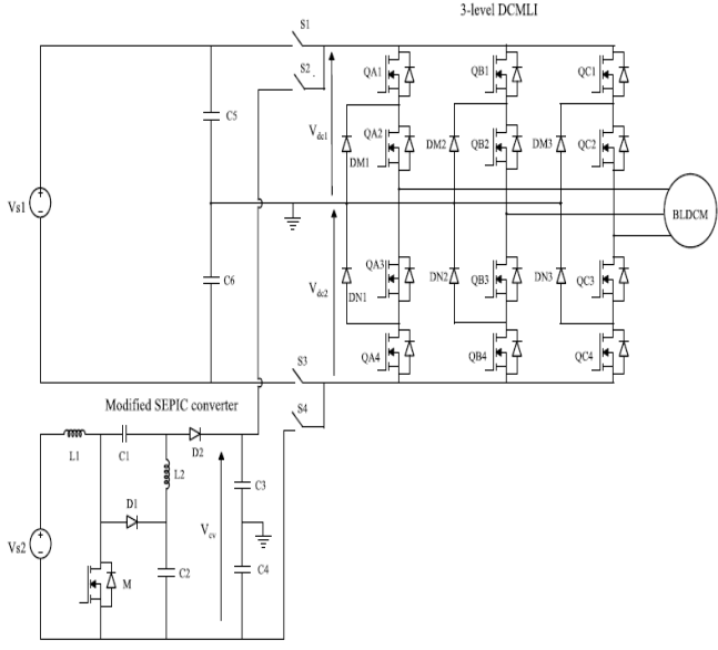
Asoka Technologies Commutation Torque Ripple Reduction

Modelos I O Reglas Simplificaci U00f3n De Bloques

Papr Reduction Method For Ofdm Based Massive Mimo Systems

Matlab Simulink Model Of The Oscillator With Controllable

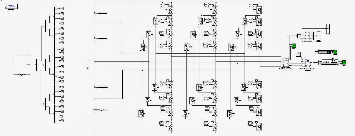
Matlab Model Block Diagram For A Modular Three

Embedded Target C6000 Input And Output Blocks In Matlab

Solved Find The Signal Flow Graph For The Above Block Dia

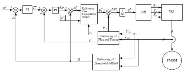
Asoka Technologies Study On Speed Sensor Less Svm

6

Simulink Plc Coder

Block Diagram Matlab

Block Diagram Matlab

Bode Diagramm Beispiel U2014 Kejomoro Fresh Ideas Bode

Matlab Electrical Ieee 917207560923 Thd Reduction In

Mechanical Simulation In Matlab

Matlab Block Diagram Of The Proposed Harmonic Mitigator

Control System

Gauss

Asoka Technologies Commutation Torque Ripple Reduction

Diagram Block Diagram Reduction Matlab

  • Download Block Diagram Reduction Matlab

    draw.io is free online diagram software for making flowcharts, process diagrams, org charts, UML, ER and network diagrams

    Open and edit diagrams online with Draw.io, a free diagram software supporting various formats and diagram types.

    Create a new diagram, or open an existing diagram in your new tab. To create a new diagram, enter a Diagram Name and click the location where you want to save the file.

    Create flowcharts and diagrams online with this easy to use software.

    Create and edit diagrams with draw.io, a free diagramming tool that integrates seamlessly with Office 365.

    app.diagrams.net

    Easily import diagrams from Lucidchart to diagrams.net or draw.io with this simple tool.

    Access and integrate Google Drive files with Draw.io using the Google Picker tool for seamless diagram creation.

    Clearing Cached version 29.3.4... OK Update Start App

    confEmbedUpload=For a better editing experience, please use the regular draw.io macro to insert a blank diagram, then from (File menu → Import From → Device...) select the file you want to upload and embed.

    3 way switch,3 way switch wiring,3 way switch wiring diagram pdf,3 way wiring diagram,3way switch wiring diagram,4 prong dryer outlet wiring diagram,4 prong trailer wiring diagram,6 way trailer wiring diagram,7 pin trailer wiring diagram with brakes,7 pin wiring diagram,alternator wiring diagram,amp wiring diagram,automotive lighting,cable harness,chevrolet,diagram,dodge,doorbell wiring diagram,ecobee wiring diagram,electric motor,electrical connector,electrical wiring,electrical wiring diagram,ford,fuse,honeywell thermostat wiring diagram,ignition system,kenwood car stereo wiring diagram,light switch wiring diagram,lighting,motor wiring diagram,nest doorbell wiring diagram,nest hello wiring diagram,nest labs,nest thermostat,nest thermostat wiring diagram,phone connector,pin,pioneer wiring diagram,plug wiring diagram,pump,radio,radio wiring diagram,relay,relay wiring diagram,resistor,rj45 wiring diagram,schematic,semi-trailer truck,sensor,seven pin trailer wiring diagram,speaker wiring diagram,starter wiring diagram,stereo wiring diagram,stereophonic sound,strat wiring diagram,switch,switch wiring diagram,telecaster wiring diagram,thermostat wiring,thermostat wiring diagram,trailer brake controller,trailer plug wiring diagram,trailer wiring diagram,user guide,wire,wire diagram,wiring diagram,wiring diagram 3 way switch,wiring harness

    close