Block Diagram Reducer

Block Diagram Reducer

  • Category : Diagram Reducer
  • Post Date : January 27, 2026
Block Diagram Reducer 9 out of 10 based on 30 ratings. 30 user reviews.

Block Diagram Reducer

Falk Speed Reducers

Falk Speed Reducers - Parallel Reducers

Xincol Dc 24v To Dc12v 30a Voltage Reducer Dc Dc Converter

Robotic Reducer

110mm X 32mm 1 4 Inch Or 40mm 1 2 Inch Rubber

Checking Your Vehicle U0026 39 S Fluid

Nmrv030 Speed Reducer Manual Worm Gearbox Screw Jack

Beginner Tips 1 Gearboxes

Motorsport Zone Basics Of A Sliding Mesh Gearbox

F Series Parallel Shaft Helical Gear Motor

Whats The Correct Way To Wire My Voltage Reducer And Fuse

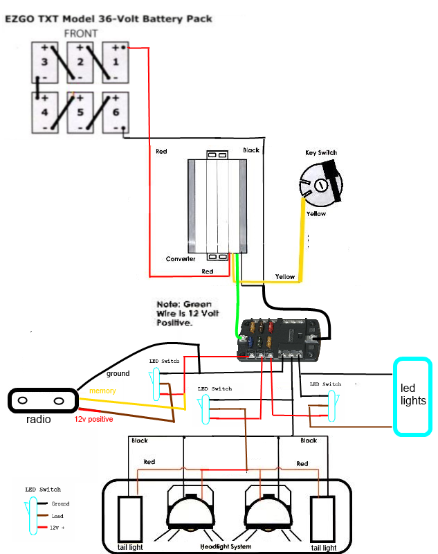
Golf Cart Voltage Reducer Wiring Diagram

I Have Installed A Voltage Reducer In My Electric Golf

Homelite Hm20p5 20 U0026quot Mulcher Walk Behind Mower Ut

Lpg Reducer Installation Manual

Solved A Gearbox Includes An Input Shaft Delivering 15 Hp

Mapreduce

Cs 61a Fall 2012 Lab 14 Mapreduce

48v To 12v 10a Voltage Reducer Dc Dc Converter For Golf

Gearboxes

P U0026id

Voltage Reducer 24v To 12 V At 2 5 A U2013 Circuit Wiring Diagrams

Tube Eccentric Reducer

A Beginners Guide To Hadoop

Wpa Worm Gear Reducers 1 60 For Machinery Parts

Diagram Showing A Three

Rv Series Worm Gearbox Worm Gear Reducer Worm Reducer

How To Decide Between Manual And Automatic Transmissions

Bamboo Reducer

Gearboxes In Auto

How An Automotive Gear Box Transmission Gear Ratio

Golf Cart 36 48 Volt 20 Amp Voltage Reducer Converter Club

Gear Ratio 10 1 Nema23 Planetary Gearbox Stepper Motor 12n

Manual Transmission

36 Or 48 Volt Voltage Reducer

Golf Cart Voltage Reducer 26 30 Amp

Output Shaft 1

Bsa A65 Gearbox Parts Diagram Photo By Bmattacott

Wilson-pilcher

China Supplier Ht200 Boiler Tailong Gear Speed Reducer For

Pipes 2

Automedics U00bb 5 Things You Shouldn U2019t Do In Automatic

Mapreduce 101 What It Is U0026 How To Get Started

Zhongyi Lens Turbo Reviewed U2013 Pt 1 U2013 Vincelwc Photography

Piping And Insruementaion Diagrams

Robin Subaru Ey28 Parts Diagram For Gear Reduction

Apache Hadoop Mapreduce

Original Parts For E21 318i M10 Sedan Manual

How Automatic Transmission Works

What Is Hadoop Good For Best Uses Alternatives U0026 Tools

What Is A Bush Bearing Sleeve And What Does It Actually

Diagram Block Diagram Reducer

  • Download Block Diagram Reducer

    draw.io is free online diagram software for making flowcharts, process diagrams, org charts, UML, ER and network diagrams

    Open and edit diagrams online with Draw.io, a free diagram software supporting various formats and diagram types.

    Create a new diagram, or open an existing diagram in your new tab. To create a new diagram, enter a Diagram Name and click the location where you want to save the file.

    Create flowcharts and diagrams online with this easy to use software.

    Create and edit diagrams with draw.io, a free diagramming tool that integrates seamlessly with Office 365.

    Easily import diagrams from Lucidchart to diagrams.net or draw.io with this simple tool.

    Access and integrate Google Drive files with Draw.io using the Google Picker tool for seamless diagram creation.

    Clearing Cached version 29.3.4... OK Update Start App

    confEmbedUpload=For a better editing experience, please use the regular draw.io macro to insert a blank diagram, then from (File menu → Import From → Device...) select the file you want to upload and embed.

    If you enter personal information into a diagram and perform an action that requires us to send that diagram to a server for processing, your personal data may be processed on that server, but never stored.

    3 way switch,3 way switch wiring,3 way switch wiring diagram pdf,3 way wiring diagram,3way switch wiring diagram,4 prong dryer outlet wiring diagram,4 prong trailer wiring diagram,6 way trailer wiring diagram,7 pin trailer wiring diagram with brakes,7 pin wiring diagram,alternator wiring diagram,amp wiring diagram,automotive lighting,cable harness,chevrolet,diagram,dodge,doorbell wiring diagram,ecobee wiring diagram,electric motor,electrical connector,electrical wiring,electrical wiring diagram,ford,fuse,honeywell thermostat wiring diagram,ignition system,kenwood car stereo wiring diagram,light switch wiring diagram,lighting,motor wiring diagram,nest doorbell wiring diagram,nest hello wiring diagram,nest labs,nest thermostat,nest thermostat wiring diagram,phone connector,pin,pioneer wiring diagram,plug wiring diagram,pump,radio,radio wiring diagram,relay,relay wiring diagram,resistor,rj45 wiring diagram,schematic,semi-trailer truck,sensor,seven pin trailer wiring diagram,speaker wiring diagram,starter wiring diagram,stereo wiring diagram,stereophonic sound,strat wiring diagram,switch,switch wiring diagram,telecaster wiring diagram,thermostat wiring,thermostat wiring diagram,trailer brake controller,trailer plug wiring diagram,trailer wiring diagram,user guide,wire,wire diagram,wiring diagram,wiring diagram 3 way switch,wiring harness

    close