Automotix Wiring Diagrams 1994 Mitsubishi Montero

Automotix Wiring Diagrams 1994 Mitsubishi Montero

  • Category : Mitsubishi Montero
  • Post Date : January 27, 2026
Automotix Wiring Diagrams 1994 Mitsubishi Montero 9 out of 10 based on 60 ratings. 60 user reviews.

Automotix Wiring Diagrams 1994 Mitsubishi Montero

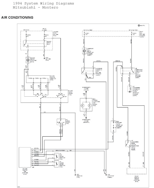
1994 Mitsubishi Montero System Wiring Diagrams Air

1994 Mitsubishi Montero Instrument Cluster Circuit

1994 Mitsubishi Montero System Wiring Diagrams Air

1994 Mitsubishi Montero System Wiring Diagrams Heater

1994 Mitsubishi Montero System Wiring Diagrams Heater

Mitsubishi Pajero 1994 Wiring Diagram

1996 Montero Blower Motor Wiring Diagram

1993 Mitsubishi Montero Wiring Diagrams

Diagram 2000 Mitsubishi Montero Sport Wiring Diagram

I Would Like A Wiring Diagram For The Radio On A 1999

Mitsubishi

Mitsubishi Galant Lancer

Repair Guides

Mitsubishi Stereo Wiring Diagram

Repair Guides

I Need The Ignition Wiring Diagram I Have A Montero 96

Diagram 2000 Mitsubishi Montero Sport Wiring Diagram

1994 Mitsubishi Montero Wiring Diagram

1997 Mitsubishi Montero Sport Rough Idle Lack Of Power

1994 Mitsubishi Delica Wiring Diagram

Repair Guides

Repair Guides

2001 Mitsubishi Montero Engine Diagram

2000 Mitsubishi Montero Sport Ls 4x4 Mt U0026quot N U0026quot Light Keeps

Repair Guides

Repair Guides

Mitsubishi Pajero Workshop And Service Manuals

Repair Guides

Mitsubishi Fgc15 Parts Schematic

I Have A 1994 Mitsubishi Montero W 3 5 Liter Engine I

1992

Mitsubishi Montero Service Repair Manual 1991 By

1994 Mitsubishi Montero Electrical Wiring Diagrams

2002 Mitsubishi Montero Fuse Box Diagram

Curt Class 2 Trailer Hitch U0026 Wiring For Isuzu Amigo

Mitsubishi Fuso Engine Diagram

2002 Mitsubishi Montero Fuse Box Diagram

I Need The Ignition Wiring Diagram I Have A Montero 96

Mitsubishi Montero 1998 Manual

1992

Repair Guides

Repair Guides

1989 Mitsubishi Montero

I Would Like A Wiring Diagram For The Radio On A 1999

1991 Mitsubishi Montero Electrical Wiring Diagrams

Diagram Automotix Wiring Diagrams 1994 Mitsubishi Montero

  • Download Automotix Wiring Diagrams 1994 Mitsubishi Montero

    draw.io is free online diagram software for making flowcharts, process diagrams, org charts, UML, ER and network diagrams

    Open and edit diagrams online with Draw.io, a free diagram software supporting various formats and diagram types.

    Create a new diagram, or open an existing diagram in your new tab. To create a new diagram, enter a Diagram Name and click the location where you want to save the file.

    Create flowcharts and diagrams online with this easy to use software.

    Create and edit diagrams with draw.io, a free diagramming tool that integrates seamlessly with Office 365.

    Easily import diagrams from Lucidchart to diagrams.net or draw.io with this simple tool.

    Access and integrate Google Drive files with Draw.io using the Google Picker tool for seamless diagram creation.

    Clearing Cached version 29.3.4... OK Update Start App

    confEmbedUpload=For a better editing experience, please use the regular draw.io macro to insert a blank diagram, then from (File menu → Import From → Device...) select the file you want to upload and embed.

    If you enter personal information into a diagram and perform an action that requires us to send that diagram to a server for processing, your personal data may be processed on that server, but never stored.

    3 way switch,3 way switch wiring,3 way switch wiring diagram pdf,3 way wiring diagram,3way switch wiring diagram,4 prong dryer outlet wiring diagram,4 prong trailer wiring diagram,6 way trailer wiring diagram,7 pin trailer wiring diagram with brakes,7 pin wiring diagram,alternator wiring diagram,amp wiring diagram,automotive lighting,cable harness,chevrolet,diagram,dodge,doorbell wiring diagram,ecobee wiring diagram,electric motor,electrical connector,electrical wiring,electrical wiring diagram,ford,fuse,honeywell thermostat wiring diagram,ignition system,kenwood car stereo wiring diagram,light switch wiring diagram,lighting,motor wiring diagram,nest doorbell wiring diagram,nest hello wiring diagram,nest labs,nest thermostat,nest thermostat wiring diagram,phone connector,pin,pioneer wiring diagram,plug wiring diagram,pump,radio,radio wiring diagram,relay,relay wiring diagram,resistor,rj45 wiring diagram,schematic,semi-trailer truck,sensor,seven pin trailer wiring diagram,speaker wiring diagram,starter wiring diagram,stereo wiring diagram,stereophonic sound,strat wiring diagram,switch,switch wiring diagram,telecaster wiring diagram,thermostat wiring,thermostat wiring diagram,trailer brake controller,trailer plug wiring diagram,trailer wiring diagram,user guide,wire,wire diagram,wiring diagram,wiring diagram 3 way switch,wiring harness

    close