95 Impreza Wiring Diagrams Pdf

95 Impreza Wiring Diagrams Pdf

  • Category : Diagrams Pdf
  • Post Date : January 27, 2026
95 Impreza Wiring Diagrams Pdf 9 out of 10 based on 20 ratings. 100 user reviews.

95 Impreza Wiring Diagrams Pdf

Fixing Manual Pdf Download 2006 Subaru Impreza Wiring Diagram

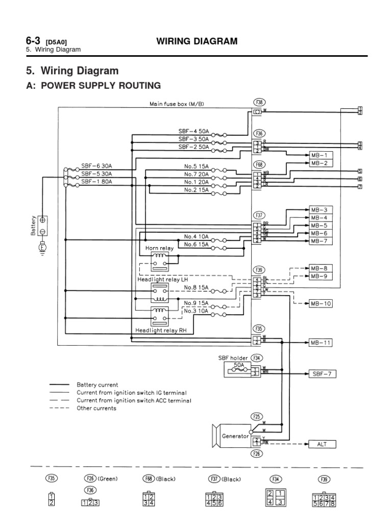
1999 Subaru Impreza Wiring Diagram

1999-2001 Subaru Impreza Wiring Diagram

1999 Subaru Impreza Wiring Diagram

2005 Subaru Impreza Wiring Diagram Pdf Maf Sensor

1999 Subaru Legacy Wiring Diagram

Subaru Impreza 1993 Wiring Diagram

Ez Go Golf Cart Wiring Diagram Pdf U2013 Volovets Info

U0026gt Workshop Manual Service U0026 Repair Guide For Subaru Impreza 2007

Need U0026 39 93 Wrx Wiring Diagrams

Subaru Sambar Owners Manual Pdf

1951 Gmc Wiring Schematic

2005 Subaru Impreza Wiring Diagram Pdf Maf Sensor

Workshop Manual Service U0026 Repair Guide For Subaru Impreza 2007

Auto Repair Manuals Subaru Impreza Outback Sport 2015 Includes Xv And Hybrid Service Manual

Subaru Impreza Outback Sport 2015 Includes Xv And Hybrid Service Manual Wiring Diagram

Official Workshop Service Repair Manual For Subaru Impreza 2000

Subaru Impreza 1993 Wiring Diagram

Repair

Auto Repair Manuals Subaru Impreza Outback Sport 2015 Includes Xv And Hybrid Service Manual

Wiring Diagram - Subaru Impreza Forum

Auto Repair Manuals Subaru Impreza Outback Sport 2015 Includes Xv And Hybrid Service Manual

Workshop Manual Service U0026 Repair Guide For Subaru Impreza 2007

Megasquirt Pnp - Opportunity - Page 3

2015 Subaru Sti Wiring Diagram

Auto Repair Manuals Subaru Impreza Outback Sport 2015 Includes Xv And Hybrid Service Manual

2006 Neutral Position Sensor Nps - Scoobynet Com

Subaru Impreza Outback Sport 2015 Includes Xv And Hybrid Service Manual Wiring Diagram

2005 Subaru Impreza Wiring Diagram Pdf Maf Sensor

Subaru Wrx-sti 2015 Service Manual Wiring Diagram

Repair

06 Subaru Outback Timing Belt Diagramkawasaki Mule 2510 Parts Diagram U2022 Downloaddescargar Com

Subaru Impreza 2004 Wiring Diagram By Maniemarroquin

1999 2000 Subaru Impreza P1 Service Repair Wo By Ulyssessosa

2006 Subaru Impreza Wiring Diagram Service Manual Download

Subaru Forester 2015 Service Manual Wiring Diagram

99 Impreza Wiring Diagram

Subaru

Diy Tow Bar Installation

Diy Cruise Control In A Swapped Rs

2011 Subaru Forester Parts Diagram

2006 Neutral Position Sensor Nps - Scoobynet Com

Subaru

2004 Subaru Radio Wiring Diagram

Bugeye Wiring Jdm Headlight Levelers - I-club

How To Wire A 2006 Subaru Impreza Coil Connector

Ej20g 1998 Wiring Diagram

Radio Wiring Diagram For 1997 Subaru Impreza

Subaru Legacy Bn-bs 2015 Service Manual Wiring Diagram

Subaru Impreza 1993 Wiring Diagram

2002 Subaru Wrx Wiring Diagram

Ecu Pinout For 94 Wrx - Scoobynet Com

Subaru Forester 2015 Service Manual Wiring Diagram

Official Workshop Service Repair Manual For Subaru Impreza 2000

Wrg

Diagram 95 Impreza Wiring Diagrams Pdf

  • Download 95 Impreza Wiring Diagrams Pdf

    draw.io is free online diagram software for making flowcharts, process diagrams, org charts, UML, ER and network diagrams

    Open and edit diagrams online with Draw.io, a free diagram software supporting various formats and diagram types.

    Create a new diagram, or open an existing diagram in your new tab. To create a new diagram, enter a Diagram Name and click the location where you want to save the file.

    Create flowcharts and diagrams online with this easy to use software.

    Create and edit diagrams with draw.io, a free diagramming tool that integrates seamlessly with Office 365.

    app.diagrams.net

    Easily import diagrams from Lucidchart to diagrams.net or draw.io with this simple tool.

    Access and integrate Google Drive files with Draw.io using the Google Picker tool for seamless diagram creation.

    Clearing Cached version 29.3.4... OK Update Start App

    confEmbedUpload=For a better editing experience, please use the regular draw.io macro to insert a blank diagram, then from (File menu → Import From → Device...) select the file you want to upload and embed.

    3 way switch,3 way switch wiring,3 way switch wiring diagram pdf,3 way wiring diagram,3way switch wiring diagram,4 prong dryer outlet wiring diagram,4 prong trailer wiring diagram,6 way trailer wiring diagram,7 pin trailer wiring diagram with brakes,7 pin wiring diagram,alternator wiring diagram,amp wiring diagram,automotive lighting,cable harness,chevrolet,diagram,dodge,doorbell wiring diagram,ecobee wiring diagram,electric motor,electrical connector,electrical wiring,electrical wiring diagram,ford,fuse,honeywell thermostat wiring diagram,ignition system,kenwood car stereo wiring diagram,light switch wiring diagram,lighting,motor wiring diagram,nest doorbell wiring diagram,nest hello wiring diagram,nest labs,nest thermostat,nest thermostat wiring diagram,phone connector,pin,pioneer wiring diagram,plug wiring diagram,pump,radio,radio wiring diagram,relay,relay wiring diagram,resistor,rj45 wiring diagram,schematic,semi-trailer truck,sensor,seven pin trailer wiring diagram,speaker wiring diagram,starter wiring diagram,stereo wiring diagram,stereophonic sound,strat wiring diagram,switch,switch wiring diagram,telecaster wiring diagram,thermostat wiring,thermostat wiring diagram,trailer brake controller,trailer plug wiring diagram,trailer wiring diagram,user guide,wire,wire diagram,wiring diagram,wiring diagram 3 way switch,wiring harness

    close