92 4 0 Jeep Pulley Diagram

92 4 0 Jeep Pulley Diagram

  • Category : Pulley Diagram
  • Post Date : January 26, 2026
92 4 0 Jeep Pulley Diagram 9 out of 10 based on 90 ratings. 40 user reviews.

92 4 0 Jeep Pulley Diagram

92 Jeep Cherokee Diagram Of The Power Steering Mount One

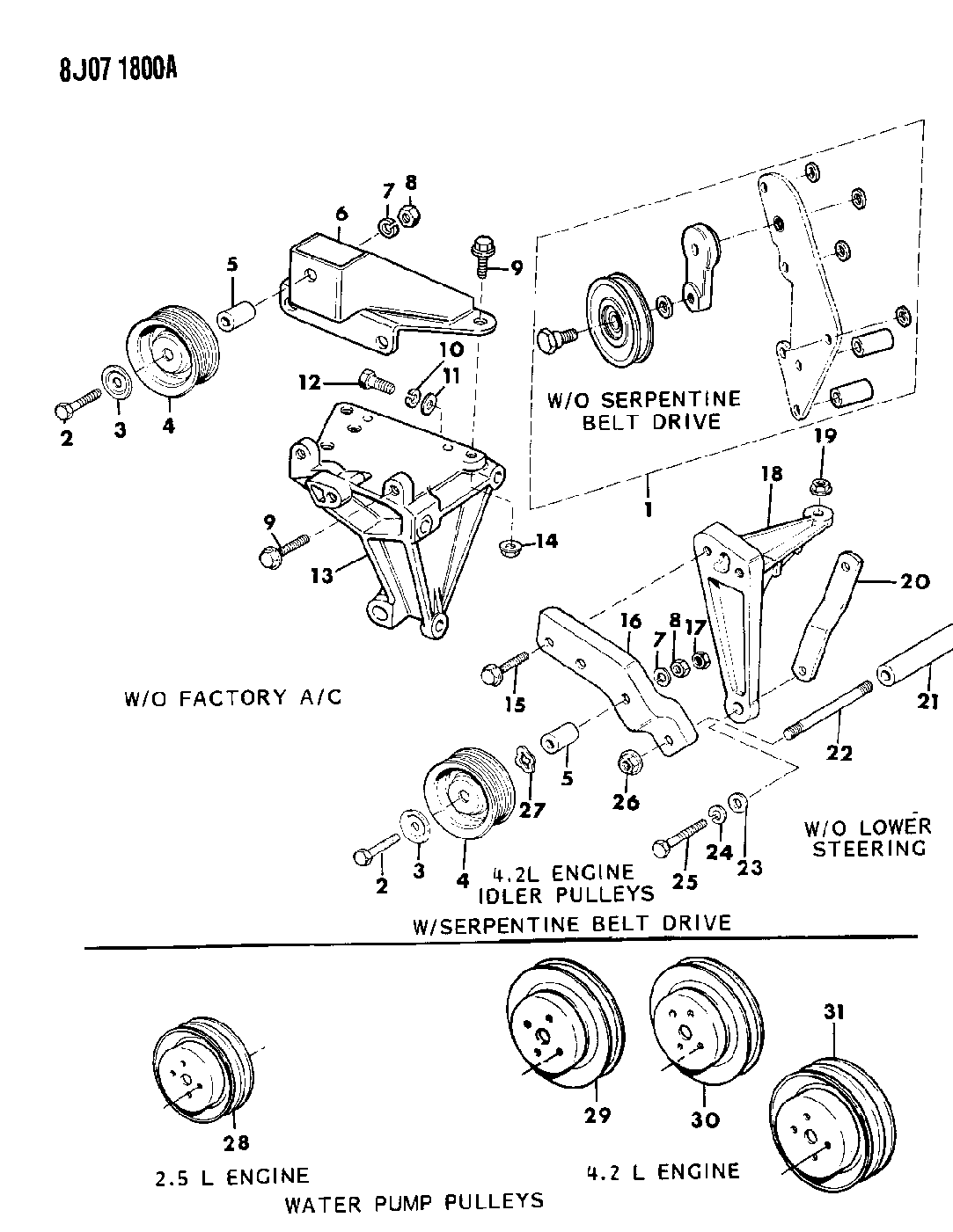
4 0 Belt Routing

1991 Jeep Wrangler Yj 4 0l Serpentine Belt Diagram

53007154

Serpentine Belt Pulley Question With Pictures

53007154

2001 Jeep Wrangler 4 0l With Ac Serpentine Belt Diagram

Need Routing Diagram For Serpertine Belt 1998 Jeep Wrangler

Serpentine Belt And Components

1995 Cherokee Diagram On How To Replace A Serpentine Belt

53002905

1997 Jeep Wrangler Serpentine Belt Routing And Timing Belt

Drive Belt Routing 1984

2000 Jeep Tj L6 4 0l Serpentine Belt Diagram

I Have A 94 Jeep Cherokee With A C And I Threw The

Mopar Power Steering Pump Pulley Dodge Viper Jeep Grand

2007 Jeep Compass Serpentine Belt Routing Diagram 5

04854089ab

Serpentine Belt Routing

Can Anybody Confirm This Alternator Bracket Part Number

68031442aa

U0026 39 99 Cherokee Serpentine Belt

Very Confused Need Help

Jeep Air

1999

53002905

Jeep Grand Cherokee Zj 1993 To 1998 How To Replace

2004 Lj Auto 4 0 Question Diagram Of Serpentine Belt

Replacing Serpentine Belt - 4 0

1996 Belt Routing Diagram-full Shot

4 0l Belt Tensioner Bolt Size

New Serpentine Belt Tensioner Pulley For Jeep Wrangler

2001 Jeep Grand Cherokee 4 0 Belt Tensioner Replacement

Jeep 4 0l Serpentine Belt Replacement

Buy Jeep 4 0 Pulley Kit

2004 Jeep Grand Cherokee Serpentine Belt Diagram

Jeep Grand Cherokee Zj 1993 To 1998 Why Is My Serpentine

1993

Jeep Wrangler Jk Cooling Drive Pulley Parts 12-14

53013688ab

Solved Where Is The Crank Shaft Sensor 2000 Jeep Grand

19w105 Crankshaft Pulley Harmonic Balancer 2000 Jeep

New Serpentine Belt Tensioner Pulley For Jeep Wrangler

Belt Routing Diagram 1997 Jeep Cherokee 2wd 4 0l Mfi 6cyl

97 Jeep Cherokee 4 0l Serpentine Belt

Diagram 92 4 0 Jeep Pulley Diagram

  • Download 92 4 0 Jeep Pulley Diagram

    draw.io is free online diagram software for making flowcharts, process diagrams, org charts, UML, ER and network diagrams

    Open and edit diagrams online with Draw.io, a free diagram software supporting various formats and diagram types.

    Create a new diagram, or open an existing diagram in your new tab. To create a new diagram, enter a Diagram Name and click the location where you want to save the file.

    Create flowcharts and diagrams online with this easy to use software.

    Create and edit diagrams with draw.io, a free diagramming tool that integrates seamlessly with Office 365.

    app.diagrams.net

    Easily import diagrams from Lucidchart to diagrams.net or draw.io with this simple tool.

    Access and integrate Google Drive files with Draw.io using the Google Picker tool for seamless diagram creation.

    Clearing Cached version 29.3.4... OK Update Start App

    confEmbedUpload=For a better editing experience, please use the regular draw.io macro to insert a blank diagram, then from (File menu → Import From → Device...) select the file you want to upload and embed.

    3 way switch,3 way switch wiring,3 way switch wiring diagram pdf,3 way wiring diagram,3way switch wiring diagram,4 prong dryer outlet wiring diagram,4 prong trailer wiring diagram,6 way trailer wiring diagram,7 pin trailer wiring diagram with brakes,7 pin wiring diagram,alternator wiring diagram,amp wiring diagram,automotive lighting,cable harness,chevrolet,diagram,dodge,doorbell wiring diagram,ecobee wiring diagram,electric motor,electrical connector,electrical wiring,electrical wiring diagram,ford,fuse,honeywell thermostat wiring diagram,ignition system,kenwood car stereo wiring diagram,light switch wiring diagram,lighting,motor wiring diagram,nest doorbell wiring diagram,nest hello wiring diagram,nest labs,nest thermostat,nest thermostat wiring diagram,phone connector,pin,pioneer wiring diagram,plug wiring diagram,pump,radio,radio wiring diagram,relay,relay wiring diagram,resistor,rj45 wiring diagram,schematic,semi-trailer truck,sensor,seven pin trailer wiring diagram,speaker wiring diagram,starter wiring diagram,stereo wiring diagram,stereophonic sound,strat wiring diagram,switch,switch wiring diagram,telecaster wiring diagram,thermostat wiring,thermostat wiring diagram,trailer brake controller,trailer plug wiring diagram,trailer wiring diagram,user guide,wire,wire diagram,wiring diagram,wiring diagram 3 way switch,wiring harness

    close